LEMON Manuals: Even more car manuals for everyone: 1960-2025
Home >> Ford >> 2013 >> Transit Connect XL >> Repair and Diagnosis >> Electrical >> Body Electrical >> OEM Wiring Diagrams Component Testing >> Component Testing >> Main Light Switch >> Schematic
April 5, 2026: LEMON Manuals is launched! Read the announcement.

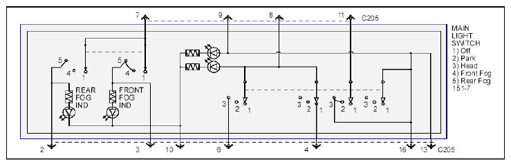
Main Light Switch: Schematic

Fig 1: Main Light Switch Schematic
G09083719Courtesy of FORD MOTOR CO.