LEMON Manuals: Even more car manuals for everyone: 1960-2025
Home >> Ford >> 2013 >> Transit Connect XL >> Repair and Diagnosis >> External Pages >> Different car >> Section 46 (MULTIFUNCTION Electronic Modules) >> Diagnosis And Testing >> Upfitter Relay Box >> Pinpoint Tests >> Pinpoint Test H: The Upfitter Switch Controlled Component is Inoperative >> Pinpoint Test H: The UPFITTER Switch Controlled Component Is Inoperative
April 5, 2026: LEMON Manuals is launched! Read the announcement.

Pinpoint Test H: The UPFITTER Switch Controlled Component Is Inoperative

WARNING: This page is about a different car, the 2013 Ford F-550 Super Duty, 2013 Ford F-450 Super Duty, 2013 Ford F-350 Super Duty, and 2013 Ford F-250 Super Duty. However, it is still accessible from the selected car via links, so may be relevant.
NOTE: Use the correct probe adapter(s) when making measurements. Failure to use the correct probe adapter(s) may damage the connector.
  1. H1 CHECK THE UPFITTER SYSTEM 
    • Ignition ON.
    • Operate all the upfitter accessories.
    • Are all the upfitter accessories inoperative? 
    • Yes  : VERIFY the BCM fuse 44 (10A) is OK. If OK, GO to H2. If not OK, REFER to the SYSTEM WIRING DIAGRAMS to identify the possible causes of the short circuit.
    • No  : GO to  H5.
  2. H2 CHECK THE UPFITTER SWITCH ON INDICATOR 
    • Place the upfitter switches to the ON position.
    • Do the on indicators illuminate? 
    • Yes  : GO to H3.
    • No  : REPAIR circuit GD116 (BK/VT) for an open. TEST the system for normal operation.
  3. H3 CHECK FOR VOLTAGE TO THE UPFITTER SWITCH 
    • Ignition OFF.
    • Disconnect: Upfitter Switch C2300.
    • Ignition ON.
    • Measure the voltage between the upfitter switch C2300-8, circuit CBP44 (VT), harness side and ground.
      Fig 1: Measuring Voltage Between Upfitter Switch C2300-8, Circuit CBP44 (VT) And Ground
      G07413722Courtesy of FORD MOTOR CO.
    • Is the voltage greater than 10 volts? 
    • Yes  : INSTALL a new upfitter switch. REFER to UPFITTER SWITCH . TEST the system for normal operation.
    • No  : GO to H4.
  4. H4 CHECK THE UPFITTER SWITCH VOLTAGE SUPPLY CIRCUIT FOR AN OPEN 
    • Ignition OFF.
    • Disconnect: BCM C2280B.
    • Measure the resistance between the upfitter switch C2300-8, circuit CBP44 (VT), harness side and the BCM C2280B-6, circuit CBP44 (VT), harness side.
      Fig 2: Measuring Resistance Between Upfitter Switch C2300-8, Circuit CBP44 (VT) And BCM C2280B-6, Circuit CBP44 (VT)
      G07485434Courtesy of FORD MOTOR CO.
    • Is the resistance less than 5 ohms? 
    • Yes  : GO to  H12.
    • No  : REPAIR circuit CBP44 (VT) for an open. TEST the system for normal operation.
  5. H5 BYPASS THE UPFITTER SWITCH 
    • Ignition OFF.
    • Disconnect: Upfitter Switch C2300.
    • Ignition ON.
    • Connect a fused jumper wire between the upfitter switch connector, harness side as follows:
      Inoperative Switch Connector-Pin Circuit Connector-Pin Circuit
      Switch 1 C2300-8 CBP44 (VT) C2300-7 CAC01 (GN/BU)
      Switch 2 C2300-8 CBP44 (VT) C2300-6 CAC02 (GY/BN)
      Switch 3 C2300-8 CBP44 (VT) C2300-5 CAC03 (WH/VT)
      Switch 4 C2300-8 CBP44 (VT) C2300-1 CAC04 (WH/BU)
      Fig 3: Connecting Fused Jumper Wire Between Upfitter Switch Connector
      G07413724Courtesy of FORD MOTOR CO.
    • Does the upfitter accessory operate? 
    • Yes  : REMOVE the jumper wire. INSTALL a new upfitter switch. REFER to UPFITTER SWITCH . TEST the system for normal operation.
    • No  : REMOVE the jumper wire. VERIFY the BJB fuse 94 (25A) (relay 1), 95 (25A) (relay 2), BCM fuse 9 (10A) (relay 3) or 2 (15A) (relay 4) is OK. If OK, GO to H6. If not OK, REFER to the SYSTEM WIRING DIAGRAMS to identify the possible causes of the short circuit.
  6. H6 CHECK THE UPFITTER RELAY 
    • Ignition OFF.
    • Connect: Upfitter Switch C2300.
    • Disconnect: Suspect Upfitter Relay.
    • Substitute a known good relay.
    • Ignition ON.
    • Place the upfitter switch in question to the ON position.
    • Does the upfitter accessory operate? 
    • Yes  : REMOVE the known good relay. INSTALL a new upfitter relay. TEST the system for normal operation.
    • No  : REMOVE the known good relay. GO to H7.
  7. H7 CHECK FOR VOLTAGE TO THE UPFITTER RELAY COIL 
    NOTE: Make sure the upfitter switch is still on and the ignition is in the ON state.
    • Measure the voltage between the suspect upfitter relay, relay box face side and ground as follows:
      Upfitter Relay Cavity Circuit
      Relay 1 86 CAC01 (GN/BU)
      Relay 2 86 CAC02 (GY/BN)
      Relay 3 1 CAC03 (WH/VT)
      Relay 4 1 CAC04 (WH/BU)
      Fig 4: Measuring Voltage Between Suspect Upfitter Relay, Relay Box Face Side And Ground
      G07485436Courtesy of FORD MOTOR CO.
    • Is the voltage greater than 10 volts? 
    • Yes  : GO to H8.
    • No  : REPAIR the circuit in question for an open. TEST the system for normal operation.
  8. H8 CHECK THE UPFITTER RELAY VOLTAGE SUPPLY CIRCUIT FOR VOLTAGE 
    • Ignition OFF.
    • Measure the voltage between the suspect upfitter relay, relay box face side and ground as follows:
      Upfitter Relay Cavity Circuit
      Relay 1 87 SBB94 (BN/RD)
      Relay 2 87 SBB95 (WH/RD)
      Relay 3 5 SBP09 (RD)
      Relay 4 5 SBP02 (YE/RD)
      Fig 5: Measuring Voltage Between Suspect Upfitter Relay, Relay Box Face Side And Ground
      G07485437Courtesy of FORD MOTOR CO.
    • Is the voltage greater than 10 volts? 
    • Yes  : GO to  H10.
    • No  : For upfitter relay 1 or 2, REPAIR the voltage supply circuit in question for an open. TEST the system for normal operation.

      For upfitter relay 3 or 4, GO to H9.

  9. H9 CHECK THE UPFITTER RELAY VOLTAGE SUPPLY CIRCUIT FOR AN OPEN 
    • Disconnect: BCM C2280B (upfitter relay 3).
    • Disconnect: BCM C2280D (upfitter relay 4).
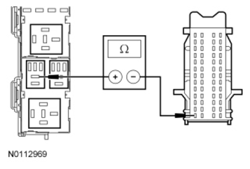
    • For the upfitter relay 3, measure the voltage between the upfitter relay 3 cavity 5, circuit SBP09 (RD), relay box face side and the BCM C2280B-1, circuit SBP09 (RD), harness side.
      Fig 6: Measuring Voltage Between Upfitter Relay 3 Cavity 5, Circuit SBP09 (RD), Relay Box Face Side And BCM C2280B-1, Circuit SBP09 (RD)
      G07485438Courtesy of FORD MOTOR CO.
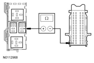
    • For the upfitter relay 4, measure the voltage between the upfitter relay 4 cavity 5, circuit SBP02 (YE/RD), relay box face side and the BCM C2280D-5, circuit SBP02 (YE/RD), harness side.
      Fig 7: Measuring Voltage Between Upfitter Relay 4 Cavity 5, Circuit SBP02 (YE/RD), Relay Box Face Side And BCM C2280D-5, Circuit SBP02 (YE/RD)
      G07485439Courtesy of FORD MOTOR CO.
    • Is the resistance less than 5 ohms? 
    • Yes  : GO to  H12.
    • No  : REPAIR the circuit in question for an open. TEST the system for normal operation.
  10. H10 CHECK THE UPFITTER RELAY GROUND CIRCUIT 
    • Measure the voltage between the suspect upfitter relay, relay box face side and ground as follows:
      Upfitter Relay Cavity Circuit Cavity Circuit
      Relay 1 87 SBB94 (BN/RD) 85 GD116 (BK/VT)
      Relay 2 87 SBB95 (WH/RD) 85 GD116 (BK/VT)
      Relay 3 5 SBP09 (RD) 2 GD116 (BK/VT)
      Relay 4 5 SBP02 (YE/RD) 2SBP02 (YE/RD)
    • Is the voltage greater than 10 volts? 
    • Yes  : GO to H11.
    • No  : REPAIR the upfitter relay ground circuit in question for an open. TEST the system for normal operation.
  11. H11 CHECK THE UPFITTER RELAY OUTPUT CIRCUIT 
    • Measure the resistance between the upfitter relay in question and the customer access point as follows:
      Upfitter Relay Cavity Output Circuit
      Relay 1 30 CAC05 (YE)
      Relay 2 30 CAC06 (GN/BN)
      Relay 3 3 CAC07 (VT/GN)
      Relay 4 3 CAC08 (BN)
    • Is the resistance less than 5 ohms? 
    • Yes  : The vehicle is operating correctly. REPAIR or INSTALL a new customer installed accessory.
    • No  : REPAIR the upfitter relay output circuit in question for an open. TEST the system for normal operation.
  12. H12 CHECK FOR CORRECT BCM OPERATION 
    • Disconnect all the BCM connectors.
    • Check for:
      • corrosion
      • damaged pins
      • pushed-out pins
    • Connect all the BCM connectors and make sure they seat correctly.
    • Operate the system and verify the concern is still present.
    • Is the concern still present? 
    • Yes  : INSTALL a new BCM. REFER to Body Control Module (BCM) . TEST the system for normal operation.
    • No  : The system is operating correctly at this time. The concern may have been caused by a loose or corroded connector.