LEMON Manuals: Even more car manuals for everyone: 1960-2025
Home >> Ford >> 2014 >> F-150 FX4, 2D Pickup >> Repair and Diagnosis (Single Page) >> Electrical >> Body Electrical >> OEM Wiring Diagrams Component Testing >> Component Testing >> Overhead Console Switch Assembly - Roof Opening Panel Control Switch >> Schematic
April 5, 2026: LEMON Manuals is launched! Read the announcement.

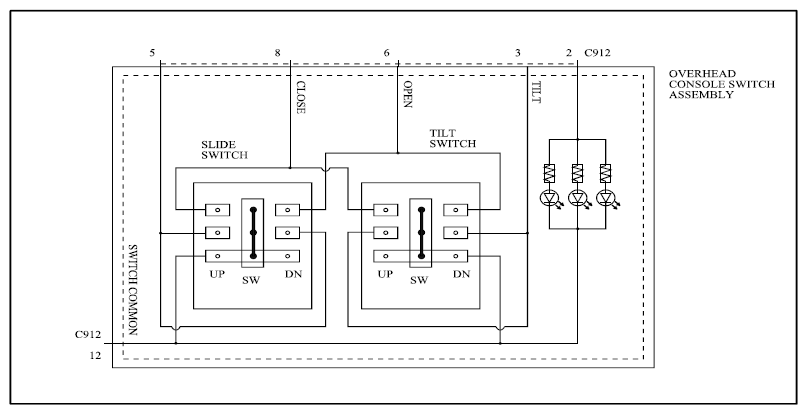
Overhead Console Switch Assembly - Roof Opening Panel Control Switch: Schematic

Fig 1: Roof Opening Panel Control Switch Schematic (Overhead Console Switch Assembly)
G09257724Courtesy of FORD MOTOR CO.