LEMON Manuals: Even more car manuals for everyone: 1960-2025
Home >> Ford >> 2014 >> F-150 Limited, RWD >> Repair and Diagnosis (Single Page) >> Accessories & Equipment >> Communication Devices >> MULTIFUNCTION Electronic Modules >> Diagnosis And Testing >> Upfitter Relay Box >> Pinpoint Tests >> Pinpoint Test I: The Upfitter Switch Controlled Component is Inoperative >> Pinpoint Test I: The UPFITTER Switch Controlled Component Is Inoperative
April 5, 2026: LEMON Manuals is launched! Read the announcement.

Pinpoint Test I: The UPFITTER Switch Controlled Component Is Inoperative

NOTE: Use the correct probe adapter(s) when making measurements. Failure to use the correct probe adapter(s) may damage the connector.
  1. I1 CHECK THE UPFITTER SYSTEM 
    • Ignition ON.
    • Operate all the upfitter accessories.

    Are all the upfitter accessories inoperative? 

    • Yes  : VERIFY the BCM  fuse 41 (7.5A) is OK. If OK, GO to I2  . If not OK, REFER to the OEM WIRING DIAGRAMS to identify the possible causes of the short circuit.
    • No  : GO to  I5.
  2. I2 CHECK THE UPFITTER SWITCH ON INDICATORS 
    • Place the upfitter switches to the ON position.

    Do the on indicators illuminate? 

    • Yes  : REPAIR circuit GD138 (BK/WH) between the relays and ground for an open. TEST the system for normal operation.
    • No  : GO to I3  .
  3. I3 CHECK FOR VOLTAGE TO THE UPFITTER SWITCH 
    • Ignition OFF.
    • Disconnect: Upfitter Switch C3389  .
    • Ignition ON.
    • Measure the voltage between the upfitter switch C3389-8  , circuit CBP41 (BU), harness side and ground.
      Fig 1: Measuring Voltage Between Upfitter Switch C3389-8, Circuit CBP41 (BU) And Ground
      G07413722Courtesy of FORD MOTOR CO.

    Is the voltage greater than 10 volts? 

    • Yes  : INSTALL a new upfitter switch. REFER to UPFITTER SWITCH . TEST the system for normal operation.
    • No  : GO to I4  .
  4. I4 CHECK THE UPFITTER SWITCH VOLTAGE SUPPLY CIRCUIT FOR AN OPEN 
    • Ignition OFF.
    • Disconnect: BCM C2280B  .
    • Measure the resistance between the upfitter switch C3389-8  , circuit CBP41 (BU), harness side and the BCM C2280B-3  , circuit CBP41 (BU), harness side.
      Fig 2: Measuring Resistance Between Upfitter Switch C3389-8, Circuit CBP41 (BU) And BCM C2280B-3
      G07413723Courtesy of FORD MOTOR CO.

    Is the resistance less than 5 ohms? 

    • Yes  : GO to  I11.
    • No  : REPAIR circuit CBP41 (BU) for an open. TEST the system for normal operation.
  5. I5 BYPASS THE UPFITTER SWITCH 
    • Ignition OFF.
    • Disconnect: Upfitter Switch C3389  .
    • Ignition ON.
    • Connect a fused jumper wire between the upfitter switch connector, harness side as follows:
      Inoperative Switch Connector-Pin Circuit Connector-Pin Circuit
      Switch 1 C3389-8 
      CBP41 (BU)
      C3389-7 
      CAC01 (GN/BU)
      Switch 2 C3389-8 
      CBP41 (BU)
      C3389-6 
      CAC02 (GY/BN)
      Switch 3 C3389-8 
      CBP41 (BU)
      C3389-5 
      CAC03 (WH/VT)
      Switch 4 C3389-8 
      CBP41 (BU)
      C3389-1 
      CAC04 (WH/BU)
      Fig 3: Connecting Fused Jumper Wire Between Upfitter Switch Connector
      G07413724Courtesy of FORD MOTOR CO.

    Does the upfitter accessory operate? 

    • Yes  : REMOVE the jumper wire. INSTALL a new upfitter switch. REFER to UPFITTER SWITCH . TEST the system for normal operation.
    • No  : REMOVE the jumper wire. VERIFY the BJB  fuse 18 (30A) (relay 1), fuse 19 (30A) (relay 2), fuse 44 (15A) (relay 3) or fuse 28 (10A) (relay 4) is OK. If OK, GO to I6  . If not OK, REFER to the OEM WIRING DIAGRAMS to identify the possible causes of the short circuit.
  6. I6 CHECK THE UPFITTER RELAY 
    • Ignition OFF.
    • Connect: Upfitter Switch C3389  .
    • Disconnect: Suspect Upfitter Relay.
    • Substitute a known good relay.
    • Ignition ON.
    • Place the upfitter switch in question to the ON position.

    Does the upfitter accessory operate? 

    • Yes  : REMOVE the known good relay. INSTALL a new upfitter relay. TEST the system for normal operation.
    • No  : REMOVE the known good relay. GO to I7  .
  7. I7 CHECK FOR VOLTAGE TO THE UPFITTER RELAY COIL 
    NOTE: Make sure the upfitter switch and the ignition are on.
    • Measure the voltage between the suspect upfitter relay, relay box face side and ground as follows:
      Upfitter Relay Cavity Circuit
      Relay 1 1 CAC01 (GN/BU)
      Relay 2 1 CAC02 (GY/BN)
      Relay 3 1 CAC03 (WH/VT)
      Relay 4 1 CAC04 (WH/BU)
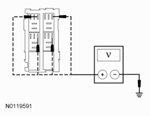
      Fig 4: Measuring Voltage Between Upfitter Relay, Relay Box Face Side And Ground
      G07413725Courtesy of FORD MOTOR CO.

    Is the voltage greater than 10 volts? 

    • Yes  : GO to I8  .
    • No  : REPAIR the circuit in question for an open. TEST the system for normal operation.
  8. I8 CHECK THE UPFITTER RELAY VOLTAGE SUPPLY CIRCUIT FOR VOLTAGE 
    • Ignition OFF.
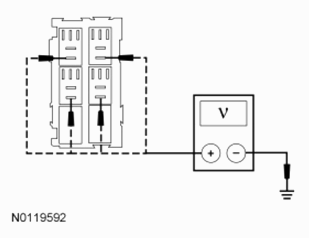
    • Measure the voltage between the suspect upfitter relay, relay box face side and ground as follows:
      Upfitter Relay Cavity Circuit
      Relay 1 3 SBB18 (YE/RD)
      Relay 2 3 SBB19 (BU/RD)
      Relay 3 3 SBB44 (GN/RD)
      Relay 4 3 SBB28 (GN/RD)
      Fig 5: Measuring Voltage Between Upfitter Relay, Relay Box Face Side And Ground
      G07413726Courtesy of FORD MOTOR CO.

    Is the voltage greater than 10 volts? 

    • Yes  : GO to I9  .
    • No  : REPAIR the voltage supply circuit in question for an open. TEST the system for normal operation.
  9. I9 CHECK THE UPFITTER RELAY GROUND CIRCUIT FOR AN OPEN 
    • Measure the voltage between the suspect upfitter relay, relay box face side and ground as follows:
      Upfitter Relay Cavity Circuit Cavity Circuit
      Relay 1 3
      SBB18 (YE/RD)
      2
      GD120 (BK/GN)
      Relay 2 3
      SBB19 (BU/RD)
      2
      GD120 (BK/GN)
      Relay 3 3
      SBB44 (GN/RD)
      2
      GD120 (BK/GN)
      Relay 4 3
      SBB28 (GN/RD)
      2
      GD120 (BK/GN)

    Is the voltage greater than 10 volts? 

    • Yes  : GO to I10  .
    • No  : REPAIR the upfitter relay ground circuit in question for an open. TEST the system for normal operation.
  10. I10 CHECK THE UPFITTER RELAY OUTPUT CIRCUIT 
    • Measure the resistance between the upfitter relay in question and the customer access point as follows:
      Upfitter Relay Cavity Output Circuit
      Relay 1 5 CAC05 (YE)
      Relay 2 5 CAC06 (GN/BN)
      Relay 3 5 CAC07 (VT/GN)
      Relay 4 5 CAC08 (BN)

    Is the resistance less than 5 ohms? 

    • Yes  : The vehicle is operating correctly. REPAIR or INSTALL a new customer installed accessory.
    • No  : REPAIR the upfitter relay output circuit in question for an open. TEST the system for normal operation.
  11. I11 CHECK FOR CORRECT BCM OPERATION 
    • Disconnect all the BCM  connectors.
    • Check for:
      • corrosion
      • damaged pins
      • pushed-out pins
    • Connect all the BCM  connectors and make sure they seat correctly.
    • Operate the system and verify the concern is still present.

    Is the concern still present? 

    • Yes  : INSTALL a new BCM  . REFER to Body Control Module (BCM) . TEST the system for normal operation.
    • No  : The system is operating correctly at this time. The concern may have been caused by a loose or corroded connector.