LEMON Manuals: Even more car manuals for everyone: 1960-2025
Home >> Ford >> 2014 >> Focus S, Standard Trans, Gas >> Repair and Diagnosis >> External Pages >> Different variant/trim >> Section 14 (Starting System - 2.0L ECOBOOST) >> Diagnosis And Testing >> Starting System >> Component Test(s) >> Starter Motor - Ground Circuit Test
April 5, 2026: LEMON Manuals is launched! Read the announcement.

Starter Motor - Ground Circuit Test

WARNING: This page is about a different variant/trim than selected.

REFER to: HEALTH AND SAFETY PRECAUTIONS .

A slow cranking condition can be caused by resistance in the ground or return portion of the cranking circuit. Check the voltage drop in the ground circuit.

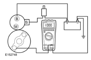
  1. Connect a remote starter switch between starter solenoid C197B and the battery positive terminal.
  2. Connect the digital multimeter positive lead to the starter motor housing (the connection must be clean and free of rust or grease). Connect the negative lead to the negative battery terminal.
  3. Engage the remote starter switch and crank the engine. Read and record the voltage reading. The reading should be 0.5 volt or less.
    G08063936
  4. If the voltage reading is greater than 0.5 volt, clean the negative cable connections at the battery, the body ground connections and the starter ground connection. Retest.
  5. If the voltage reading is greater than 0.5 volt, install a new negative battery cable.

    REFER to: BATTERY CABLES - 2.0L ECOBOOST (184KW/250PS) - MI4 .

  6. If the voltage reading is less than 0.5 volt and the engine still cranks slowly, install a new starter motor.

    REFER to: STARTER MOTOR .