LEMON Manuals: Even more car manuals for everyone: 1960-2025
Home >> Ford >> 2014 >> Fusion Titanium, AWD >> Repair and Diagnosis >> External Pages >> Different variant/trim >> Section 130 (Starting System - 2.5L) >> Diagnosis And Testing >> Starting System >> Component Test(s) >> Starter Motor - Positive Circuit Test
April 5, 2026: LEMON Manuals is launched! Read the announcement.

Starter Motor - Positive Circuit Test

WARNING: This page is about a different variant/trim than selected.
WARNING: Before beginning any service procedure in this article, refer to Safety Warnings in GENERAL INFORMATION . Failure to follow this instruction may result in serious personal injury.

REFER to: HEALTH AND SAFETY PRECAUTIONS .

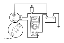
NOTE: Always make the digital multimeter connection at the component terminal rather than at the wiring end of the connector. Making a connection at the wiring end of the connector could result in false readings because the meter will not pick up a high resistance between the wiring connector and component.
  1. Make sure the battery is fully charged.

    REFER to: BATTERY .

  2. Perform a battery drain test.

    REFER to: BATTERY DRAIN CHECK .

  3. Connect a remote starter switch between starter solenoid "S" terminal and the battery positive terminal.
  4. Connect the digital multimeter positive lead to the battery positive post. Connect the negative lead to the starter solenoid "M" terminal.
    Fig 1: Performing Starter Motor - Positive Circuit Test
    G08063897Courtesy of FORD MOTOR CO.
  5. Engage the remote starter switch. Read and record the voltage. The voltage reading should be 0.5 volt or less.
  6. If the voltage reading is 0.5 volt or less, perform STARTER MOTOR - GROUND CIRCUIT TEST .
  7. A voltage reading greater than 0.5 volt, this is an indication of excessive resistance in the connections, the positive battery cable or in the starter solenoid. Remove the cables from the solenoid "B", "S" and "M" terminals. Clean the cables and connections and reinstall the cables to the correct terminals. Repeat Steps 3 through 6.
  8. If the voltage reading is still greater than 0.5 volt when checked at the "M" terminal, move the digital multimeter negative lead to the starter solenoid "B" terminal and repeat Step 5.
  9. If the voltage reading at the "B" terminal is lower than 0.5 volt, the concern is in the connections at the starter solenoid or in the solenoid contacts. Install a new starter motor.

    REFER to: STARTER MOTOR .

  10. If the voltage reading taken at the solenoid "B" terminal is greater than 0.5 volt after cleaning the cables and connections at the solenoid, the concern is in the positive battery cable connection or in the positive battery cable itself. Clean the positive battery cable connection. If this does not resolve the concern, install a new positive battery cable.

    REFER to: BATTERY CABLES - 2.5L DURATEC (125KW/170PS) .