LEMON Manuals: Even more car manuals for everyone: 1960-2025
Home >> Ford >> 2014 >> Mustang Base, 2D Convertible, Automatic Trans >> Repair and Diagnosis (Single Page) >> Electrical >> Body Electrical >> OEM Wiring Diagrams >> Audio System/Navigation >> With Redundant Audio Controls/Sync/Navigation
April 5, 2026: LEMON Manuals is launched! Read the announcement.

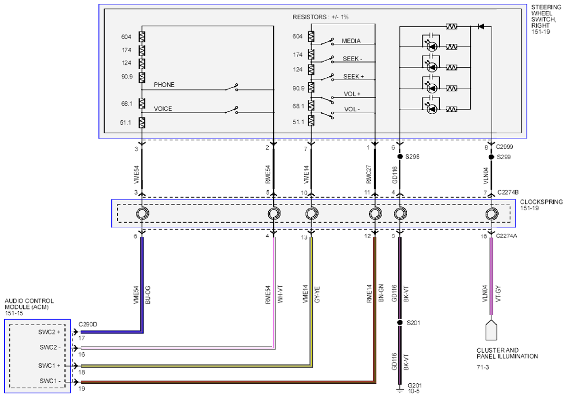
With Redundant Audio Controls/Sync/Navigation

Fig 1: Shaker/Shaker Pro - Wiring Diagram (With Redundant Audio Controls/Sync/Navigation)
G09283287Courtesy of FORD MOTOR CO.