LEMON Manuals: Even more car manuals for everyone: 1960-2025
Home >> Ford >> 2014 >> Mustang Base, 2D Convertible, Automatic Trans >> Repair and Diagnosis (Single Page) >> Quick Lookups >> Wiring Diagrams >> OEM Wiring Diagrams >> Module Communications Network >> Notes
April 5, 2026: LEMON Manuals is launched! Read the announcement.

Module Communications Network: Notes

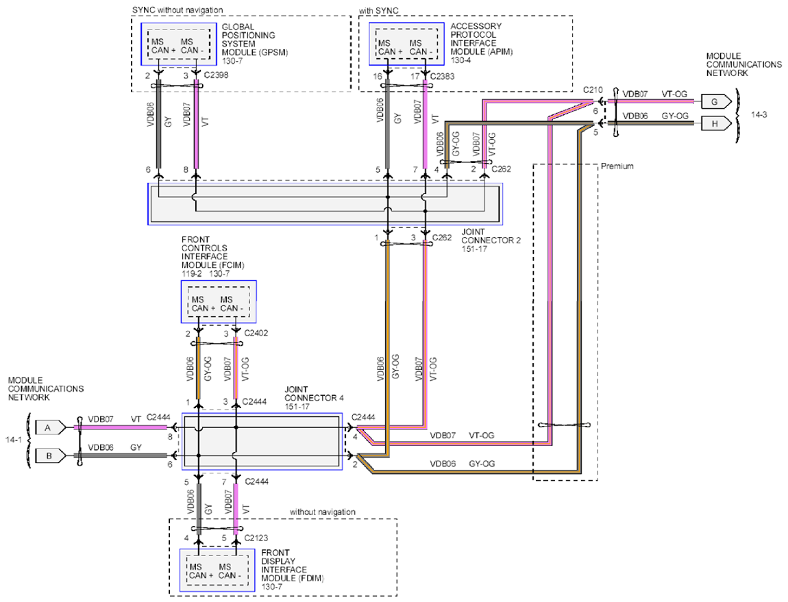
Fig 1: Module Communications Network - Wiring Diagram (1 Of 4)
G09283134Courtesy of FORD MOTOR CO.
Fig 2: Module Communications Network - Wiring Diagram (2 Of 4)
G09283135Courtesy of FORD MOTOR CO.
Fig 3: Module Communications Network - Wiring Diagram (3 Of 4)
G09283138Courtesy of FORD MOTOR CO.
Fig 4: Module Communications Network - Wiring Diagram (4 Of 4)
G09283139Courtesy of FORD MOTOR CO.