LEMON Manuals: Even more car manuals for everyone: 1960-2025
Home >> Ford >> 2014 >> Transit Connect XL, Van Passenger >> Repair and Diagnosis (Single Page) >> Brakes >> Traction Control >> Anti-Lock Brake System (Abs) And Stability Control >> Description And Operation >> Anti-Lock Brake System (ABS) and Stability Control - System Operation and Component Description >> System Operation >> Principles of operation
April 5, 2026: LEMON Manuals is launched! Read the announcement.

Principles of operation

G09736838
Item Description
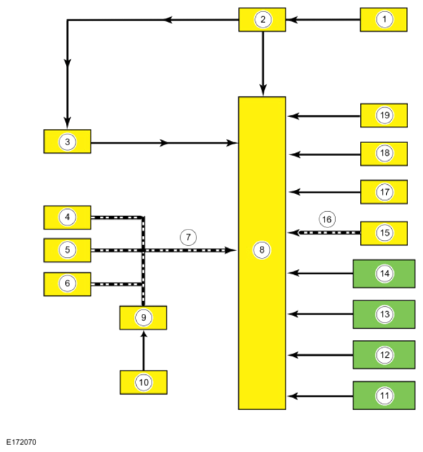
1 Battery
2 BJB 
3 BCM 
4 PCM 
5 IPC 
6 DLC 
7 HS-CAN 
8 ABS  /ESC (electronic stability control) module and hydraulic control unit
9 SCCM  with steering wheel rotation sensor
10 ESC switch (location depending on vehicle equipment)
11 RH  rear wheel speed sensor
12 LH  rear wheel speed sensor
13 RH  front wheel speed sensor
14 LH  front wheel speed sensor
15 RCM 
16 Private HS-CAN 
17 ESC switch (location depending on vehicle equipment)
18 Front brake
19 Rear brake

The ABS monitors the different wheel speeds of the vehicle with the aid of wheel speed sensors. Using the data from all of the wheel speed sensors, the ABS/ESC module calculates the reference speed, which is a measure of the actual road speed. The ABS/ESC module compares the individual wheel speeds with this reference speed when the driver initiates braking. If one or more of the individual wheel speeds deviates too far from the reference speed, indicates that slip at the affected wheels is so great, the steering stability of the vehicle is no longer ensured. The ABS/ESC module actuates electro-mechanical valves which influence the brake pressure at the relevant wheels.

The ESC uses a large proportion of the ABS components. In addition, there are sensors which determine the steering angle, the acceleration forces acting on the vehicle and the yaw rate or yaw moment. The sensors transmit these signals to the ABS/ESC module. Using the wheel speed and steering angle data, the ABS/ESC module calculates the direction of travel planned by the driver and determines the corresponding speed-dependent lateral acceleration and yaw moment. These values are compared with those actually measured. If the lateral acceleration and the yaw moment deviate excessively from the target values indicating unstable driving characteristics, the ABS/ESC module actuates individual brake circuits or calipers selectively in the HCU (hydraulic control unit). In addition, the engine speed is reduced by intervention in the engine management system.

In the event of understeer, brake intervention occurs at the wheels on the inside of the curve. The rear wheel is braked heavily, so a high amount of slip is caused. In this way, the cornering force of the rear axle is heavily reduced and the centrifugal force that now becomes effective turns the rear of the vehicle back into the curve. The front wheel is not braked as hard. The braking force that is transmitted via the front wheel to the road surface generates a torque with the aid of the lever arm (vertical tire force to the vehicle's centre of gravity), which supports the yaw moment of the vehicle. Both measures together result in the vehicle reverting back to the curved path intended by the driver.

In the event of oversteer the wheels on the outside of the curve are braked. This time, the front wheel is subjected to a high level of slip so the cornering force at the front axle is reduced. The rear wheel is not braked as heavily and, together with the effective lever arm, results in a reduction in the vehicle yaw moment. Both measures together result in the vehicle being stabilized and reverting back to the curved path intended by the driver.

If stability assist occurs, possible ABS interventions are overridden as the stability assist works at higher slip rates than the ABS.

Emergency brake assist (EBA):  The emergency brake assist helps drivers in emergency braking situations by automatically applying the brakes with the maximum possible braking force.

If the brake pedal is pressed very suddenly, the ABS/ESC module increases the hydraulic pressure to all of the brakes until the threshold for ABS intervention is reached. This applies the maximum braking effort for the available traction. The ABS/ESC module monitors inputs from the brake pedal switch and from the pressure sensor within the HCU to check for sudden actuation of the brakes. With the brake pedal pressed, the ABS/ESC module triggers emergency braking if the rate of increase of hydraulic pressure exceeds the predetermined limit.

If the brake pedal is pressed so hard that the ABS becomes active on the front wheels, then the ABS/ESC module increases the pressure to the rear wheel brakes up to the ABS intervention threshold.

EBA operation continues until the driver releases the brake pedal sufficiently for the hydraulic pressure in the HCU to drop below a threshold value stored in the ABS/ESC module.

Emergency brake light:  The emergency brake light automatically switches on the hazard flasher system to warn drivers of other vehicles that emergency braking is being initiated. Based on a defined delay value, the ABS/ESC module sends a signal to the BCM via the CAN data bus. The BCM activates the hazard flasher system, that then flashes 7 times.

Prerequisites for activation of the emergency brake light are: 

Hill Start Assist:  When the vehicle is stopped on an incline greater than 1.5 degrees (approximately a 3% grade), the ABS/ESC module holds the brake pressure for approximately 1.5 seconds while the driver transitions from the brake pedal to the accelerator pedal. This is accomplished by monitoring several HS-CAN messages and several sensors to determine if the vehicle is stopped and not parked, and if the vehicle is on an appropriate incline. The brake pedal message sent from the PCM over the HS-CAN and the wheel speed sensor inputs allow the ABS/ESC module to determine that the vehicle has come to a complete stop. The transmission selector lever message sent by the TCM  over the HS-CAN inform the ABS/ESC module that the vehicle is not parked. The stability sensor messages sent by the RCM over the private HS-CAN enable the ABS/ESC module to determine if the vehicle is on an incline greater than 1.5 degrees (approximately a 3% grade). Once the above conditions have been met, hill start assist automatically engages. As the driver releases the brake pedal, the ABS/ESC module commands the HCU to close the isolation valves which maintains the current brake system pressure, preventing the vehicle from rolling down the incline. Once the driver presses the accelerator pedal and the engine RPM increases, the ABS/ESC module gradually releases the brake pressure to make sure the vehicle is neither rolling back nor driving off until there is sufficient driving torque to accelerate the vehicle forward (or backward if reversing up the incline).

Roll Stability Control (RSC):  The ABS/ESC module continuously monitors the vehicle motion relative to the intended course. This is done by using sensors to compare the steering wheel input, yaw rate sensor input, lateral accelerometer input and roll sensor input with the actual vehicle motion.

To prevent activation on snow or ice, for example, the following prerequisites must be met: 

Trailer Sway Control:  If the vehicle is ordered with a trailer tow package then the Trailer Stability Control function is integrated in the stability assist module. The stability assist module detects sway when driving with a trailer and reduces the speed of the vehicle and trailer through adapted braking and, if necessary, by also reducing the engine output until the swaying condition of the trailer is corrected.

MyKey® Interaction:  Through the MyKey® feature, traction control can be configured to be always on or to allow the driver to select the traction control function on or off. When the traction control function is configured to be always on and a MyKey® restricted key is in use, the IPC  ignores any requests made by the driver to disable the traction control function and does not send any traction control disable messages to the BCM. Refer to the Owner's Literature for additional information on the various MyKey® settings.