LEMON Manuals: Even more car manuals for everyone: 1960-2025
Home >> Ford >> 2014 >> Transit Connect XL, Van Passenger >> Repair and Diagnosis (Single Page) >> Transmission >> Automatic Trans >> Automatic Transmission - 6F35 >> Description And Operation >> Transmission Description - System Operation and Component Description >> Component Description >> System Diagram
April 5, 2026: LEMON Manuals is launched! Read the announcement.

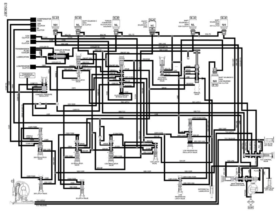
System Diagram

Fig 1: Sensors And Switches - System Diagram
G09738912Courtesy of FORD MOTOR CO.
G09738913