LEMON Manuals: Even more car manuals for everyone: 1960-2025
Home >> Ford >> 2015 >> Fiesta ST >> Repair and Diagnosis >> Quick Lookups >> Wiring Diagrams >> OEM Ground Distribution >> Grounds
April 5, 2026: LEMON Manuals is launched! Read the announcement.

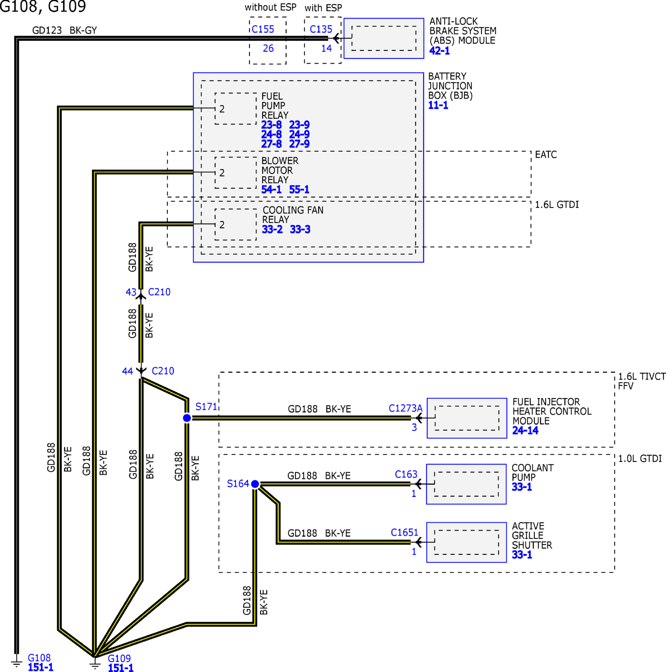
OEM Ground Distribution: Grounds

GFDW19714Courtesy of FORD MOTOR COMPANY
GFDW19715Courtesy of FORD MOTOR COMPANY
GFDW19716Courtesy of FORD MOTOR COMPANY
GFDW19717Courtesy of FORD MOTOR COMPANY
GFDW19718Courtesy of FORD MOTOR COMPANY
GFDW19719Courtesy of FORD MOTOR COMPANY
GFDW19720Courtesy of FORD MOTOR COMPANY
GFDW19721Courtesy of FORD MOTOR COMPANY
GFDW19722Courtesy of FORD MOTOR COMPANY
GFDW19723Courtesy of FORD MOTOR COMPANY
GFDW19724Courtesy of FORD MOTOR COMPANY