LEMON Manuals: Even more car manuals for everyone: 1960-2025
Home >> Ford >> 2015 >> Transit-350 HD Base, Van Cargo Extended >> Repair and Diagnosis >> External Pages >> Different variant/trim >> Section 5 (Engine Controls - Pinpoint Tests (Diesel)) >> Pinpoint Test W: Exhaust Gas Recirculation (EGR) System >> Introduction
April 5, 2026: LEMON Manuals is launched! Read the announcement.

Pinpoint Test W: Exhaust Gas Recirculation (EGR) System: Introduction

WARNING: This page is about a different variant/trim than selected.
NOTE: Regeneration may occur during normal operation. During regeneration, diagnostic procedures may display biased values. If a regeneration occurs during diagnostic procedures, allow the process to complete before continuing diagnostics.

This pinpoint test is intended to diagnose the following:

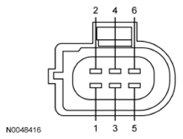
Fig 1: Identifying Exhaust Gas Recirculation (EGR) Valve Connector
G09957454Courtesy of FORD MOTOR CO.
Pin Circuit
1 EGRVCH (Exhaust Gas Recirculation Valve Control High)
5 EGRVCL (Exhaust Gas Recirculation Valve Control Low)
2 EGR (Exhaust Gas Recirculation)
4 SIGRTN (Signal Return)
6 VREF (Reference Voltage)
Fig 2: Identifying Powertrain Control Module-E (PCM-E) Connector
G07432331Courtesy of FORD MOTOR CO.
Pin Circuit
81 EGRVCH (Exhaust Gas Recirculation Valve Control High)
82 EGRVCL (Exhaust Gas Recirculation Valve Control Low)
61 EGR (Exhaust Gas Recirculation)