LEMON Manuals: Even more car manuals for everyone: 1960-2025
Home >> Ford >> 2017 >> Transit Connect Titanium >> Repair and Diagnosis >> External Pages >> Different car >> Section 12 (OEM Wiring Diagrams) >> Vehicle Dynamic Systems
April 5, 2026: LEMON Manuals is launched! Read the announcement.

Vehicle Dynamic Systems

WARNING: This page is about a different car, the 2016 Ford Transit Connect. However, it is still accessible from the selected car via links, so may be relevant.
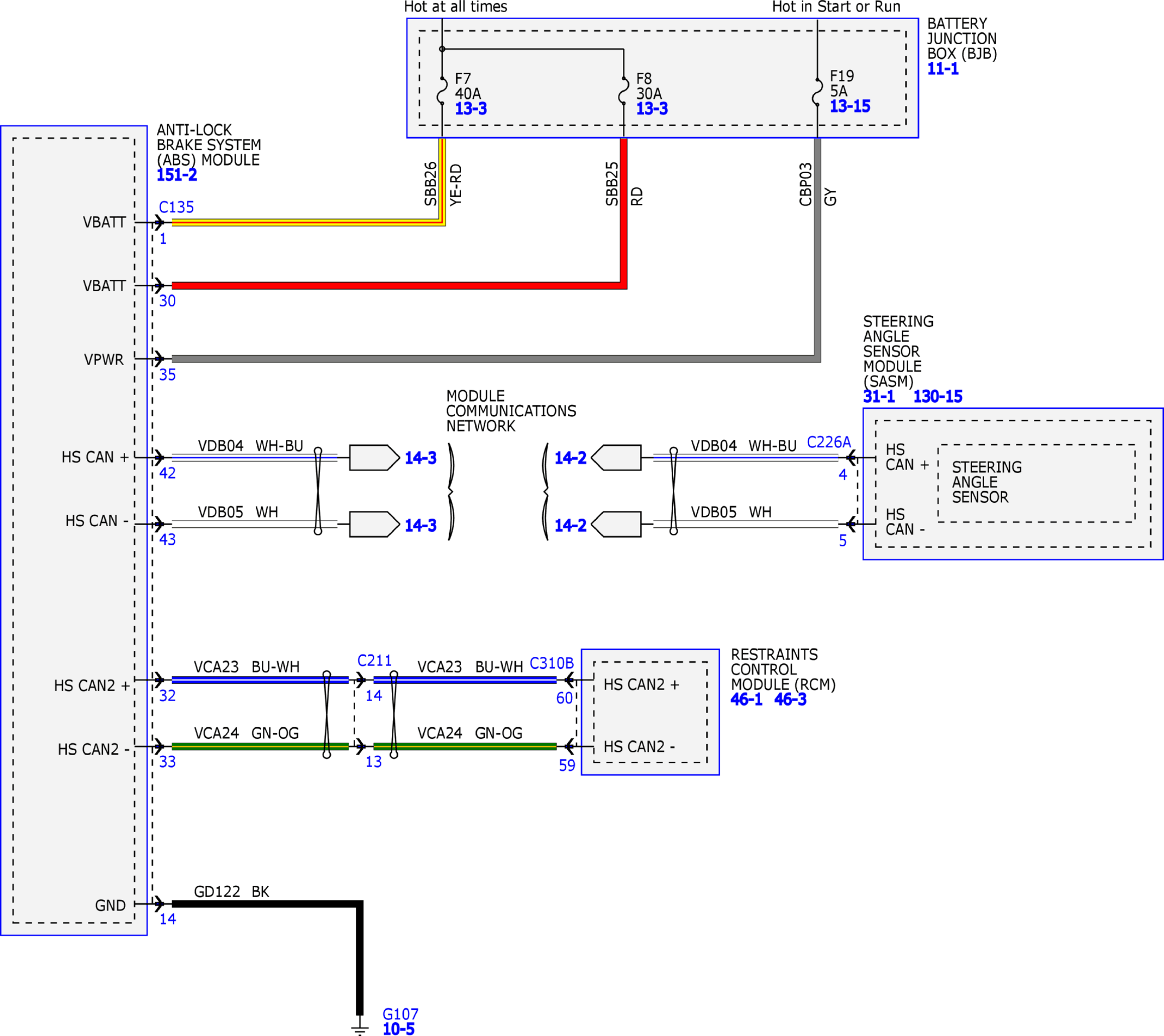
Fig 1: Vehicle Dynamic Systems Wiring Diagram (1 of 3)
GFDW63706Courtesy of FORD MOTOR COMPANY
Fig 2: Vehicle Dynamic Systems Wiring Diagram (2 of 3)
GFDW63707Courtesy of FORD MOTOR COMPANY
Fig 3: Vehicle Dynamic Systems Wiring Diagram (3 of 3)
GFDW63708Courtesy of FORD MOTOR COMPANY