LEMON Manuals: Even more car manuals for everyone: 1960-2025
Home >> Ford >> 2017 >> Transit Connect Titanium >> Repair and Diagnosis >> External Pages >> Different car >> Section 13 (OEM Wiring Diagrams Component Testing) >> Component Testing >> Driver Door Window Control Switch (Without Door Modules 4-Way)
April 5, 2026: LEMON Manuals is launched! Read the announcement.

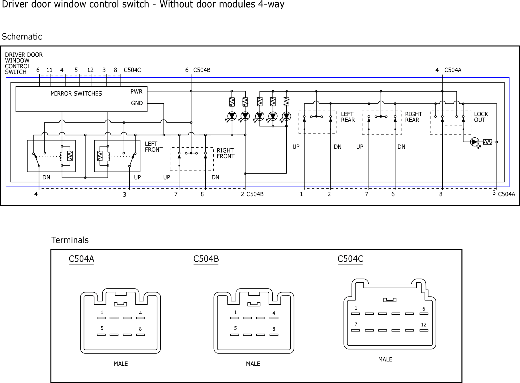
Driver Door Window Control Switch (Without Door Modules 4-Way)

WARNING: This page is about a different car, the 2016 Ford Transit Connect. However, it is still accessible from the selected car via links, so may be relevant.
Fig 1: Driver Door Window Control Switch (Without Door Modules 4-Way) (1 of 2)
GFDW65632Courtesy of FORD MOTOR COMPANY
Fig 2: Driver Door Window Control Switch (Without Door Modules 4-Way) (2 of 2)
GFDW65633Courtesy of FORD MOTOR COMPANY