LEMON Manuals: Even more car manuals for everyone: 1960-2025
Home >> Ford >> 2018 >> Escape S >> Repair and Diagnosis >> Electrical >> Wiring Diagrams >> OEM Wiring Diagrams >> Module Communications Network
April 5, 2026: LEMON Manuals is launched! Read the announcement.

Module Communications Network

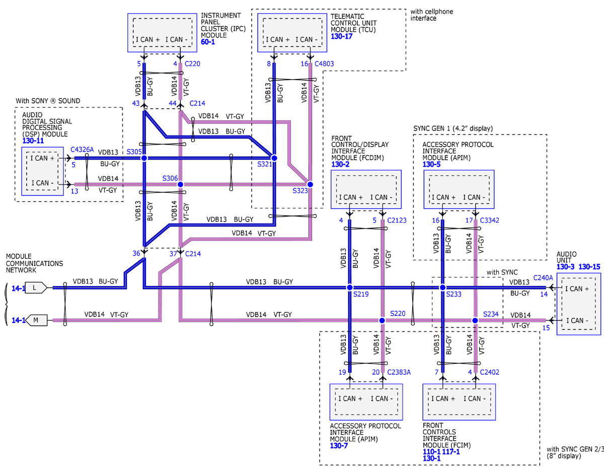
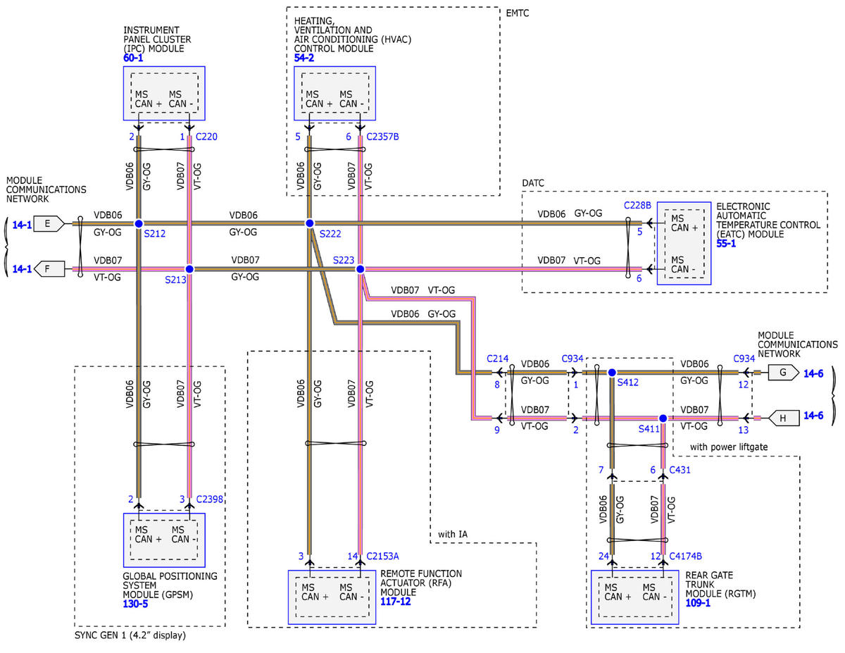
Fig 1: Module Communications Network Wiring Diagram (1 Of 9)
GFDW97415Courtesy of FORD MOTOR COMPANY
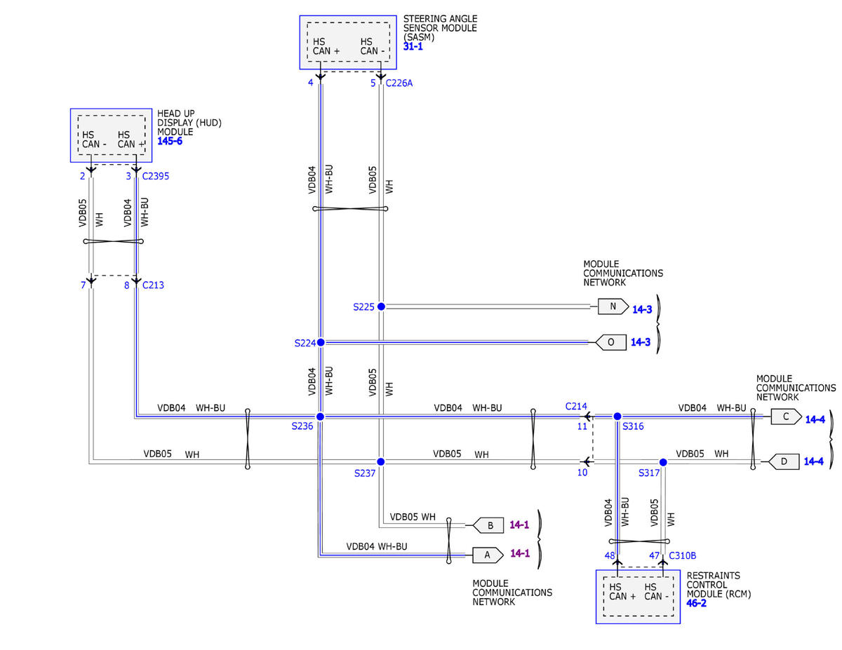
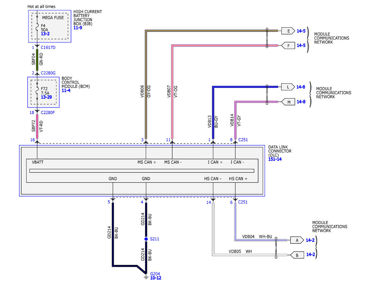
Fig 2: Module Communications Network Wiring Diagram (2 Of 9)
GFDW97416Courtesy of FORD MOTOR COMPANY
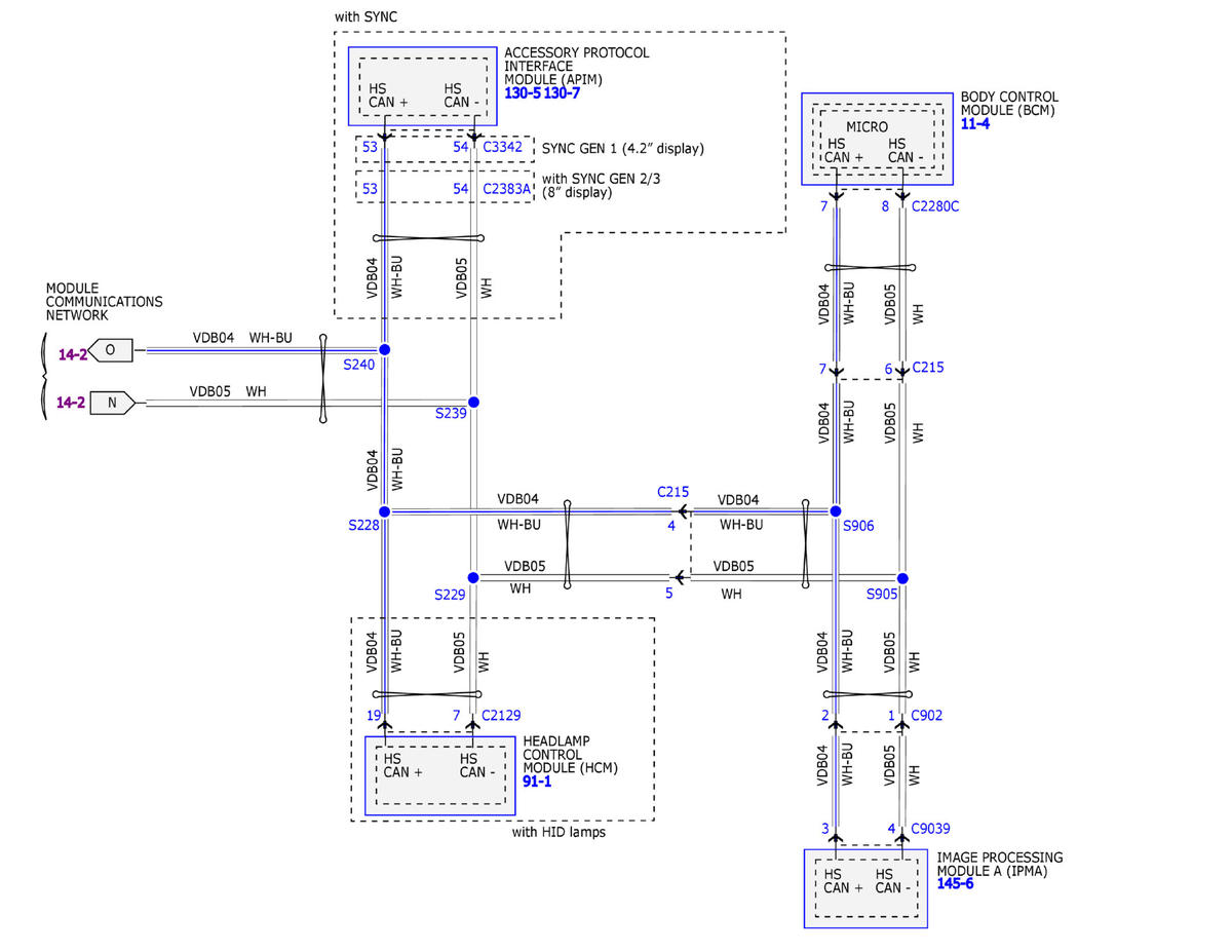
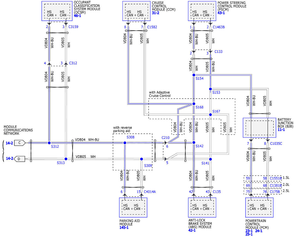
Fig 3: Module Communications Network Wiring Diagram (3 Of 9)
GFDW97417Courtesy of FORD MOTOR COMPANY
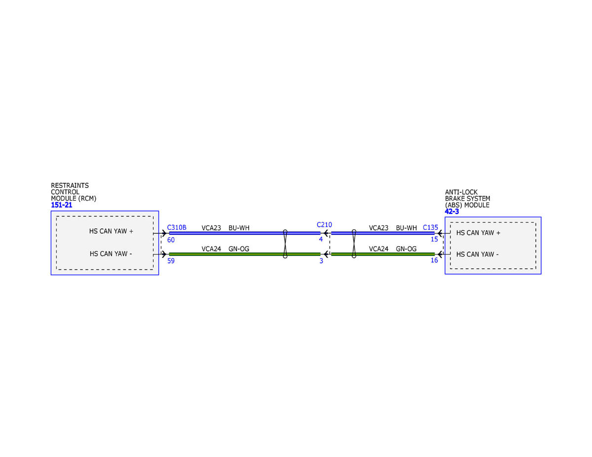
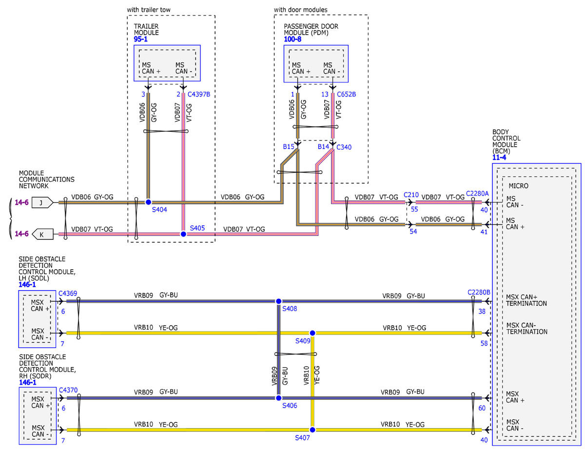
Fig 4: Module Communications Network Wiring Diagram (4 Of 9)
GFDW97418Courtesy of FORD MOTOR COMPANY
Fig 5: Module Communications Network Wiring Diagram (5 Of 9)
GFDW97419Courtesy of FORD MOTOR COMPANY
Fig 6: Module Communications Network Wiring Diagram (6 Of 9)
GFDW97420Courtesy of FORD MOTOR COMPANY
Fig 7: Module Communications Network Wiring Diagram (7 Of 9)
GFDW97421Courtesy of FORD MOTOR COMPANY
Fig 8: Module Communications Network Wiring Diagram (8 Of 9)
GFDW97422Courtesy of FORD MOTOR COMPANY
Fig 9: Module Communications Network Wiring Diagram (9 Of 9)
GFDW97423Courtesy of FORD MOTOR COMPANY