LEMON Manuals: Even more car manuals for everyone: 1960-2025
Home >> Ford >> 2018 >> Explorer Platinum >> Repair and Diagnosis >> External Pages >> Different car >> Section 65 (Power Steering System) >> Description And Operation >> Adaptive Steering - System Operation and Component Description >> System Operation >> System Diagram
April 5, 2026: LEMON Manuals is launched! Read the announcement.

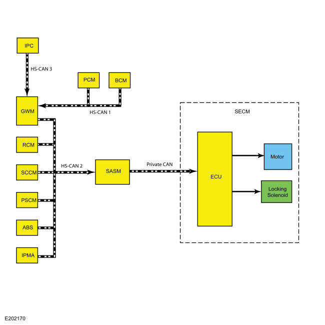
System Diagram

WARNING: This page is about a different car, the 2018 Lincoln Continental. However, it is still accessible from the selected car via links, so may be relevant.
GFD233775Courtesy of FORD MOTOR COMPANY