LEMON Manuals: Even more car manuals for everyone: 1960-2025
Home >> Ford >> 2018 >> Focus ST >> Repair and Diagnosis >> External Pages >> Different car >> Section 134 (Climate Control System - General Information And Diagnostics) >> Diagnosis And Testing >> Climate Control System >> Component Tests >> Temperature Sensor - In-Vehicle
April 5, 2026: LEMON Manuals is launched! Read the announcement.

Temperature Sensor - In-Vehicle

WARNING: This page is about a different car, the 2017 Lincoln Navigator and 2017 Ford Expedition. However, it is still accessible from the selected car via links, so may be relevant.
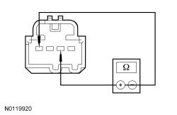
GFD136649Courtesy of FORD MOTOR COMPANY
Ambient Temperature Resistance (Ohms)
0-10 °C (32-50 °F) 57, 950-97, 640
10-20 °C (50-68 °F) 36, 880-59, 920
20-25 °C (68-77 °F) 29, 700-37, 790
25-30 °C (77-86 °F) 23, 960-30, 300
30-35 °C (86-95 °F) 19, 440-24, 550
35-40 °C (95-104 °F) 15, 860-20, 000
40-50 °C (104-122 °F) 10, 740-16, 390