LEMON Manuals: Even more car manuals for everyone: 1960-2025
Home >> Ford >> 2019 >> Edge SE, FWD >> Repair and Diagnosis >> Steering >> Manual Steering >> Power Steering >> Description And Operation >> Adaptive Steering - System Operation and Component Description >> System Diagram
April 5, 2026: LEMON Manuals is launched! Read the announcement.

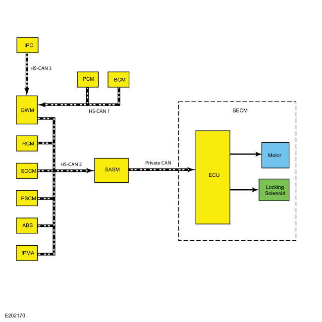
System Diagram

GFD381431Courtesy of FORD MOTOR COMPANY