LEMON Manuals: Even more car manuals for everyone: 1960-2025
Home >> Ford >> 2021 >> Edge ST-Line, FWD >> Repair and Diagnosis >> Electrical >> Wiring Diagrams >> OEM Wiring Diagrams >> Module Communications Network
April 5, 2026: LEMON Manuals is launched! Read the announcement.

Module Communications Network

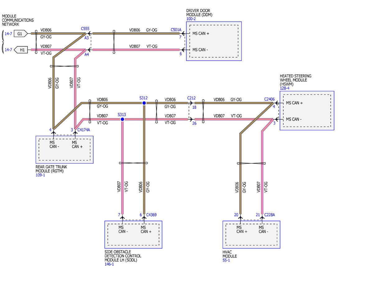
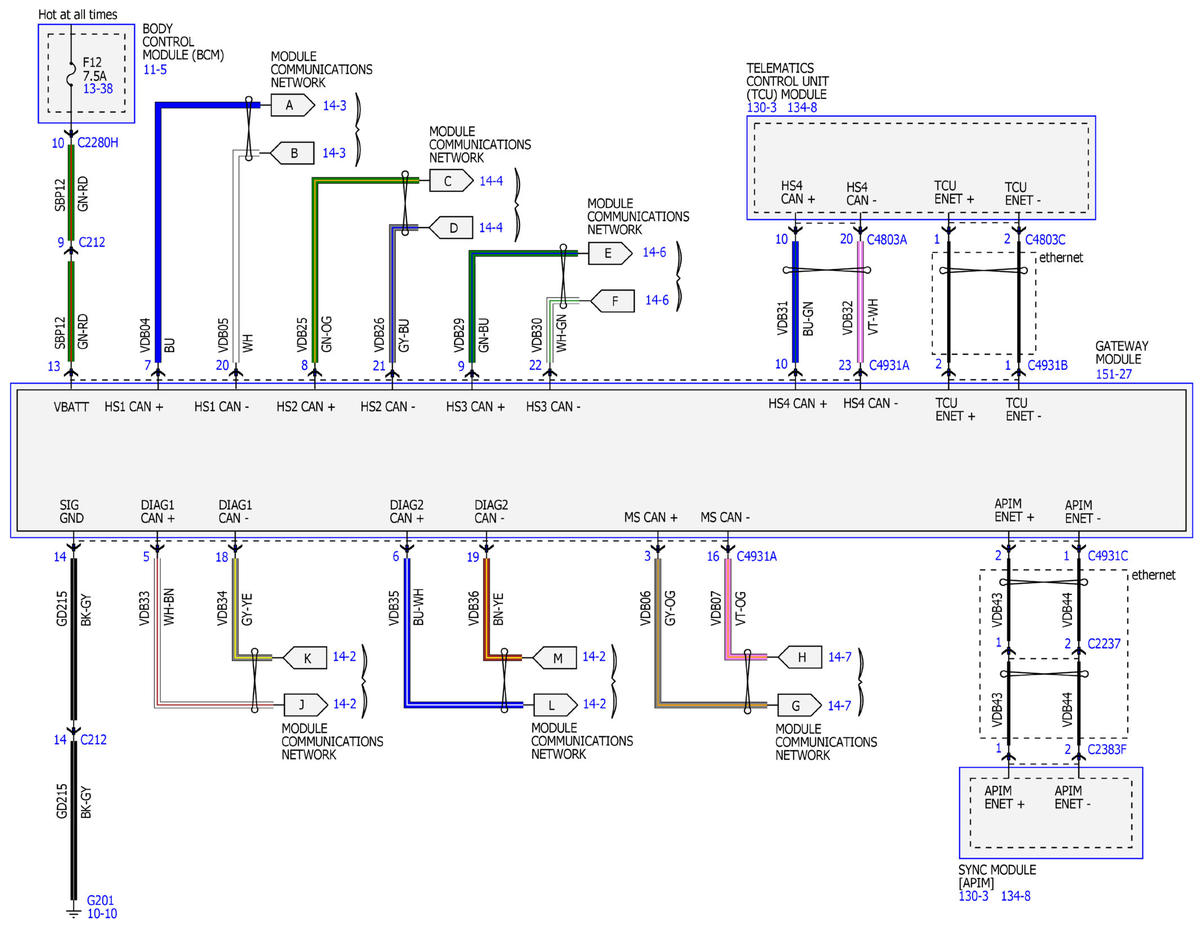
Fig 1: Module Communications Network Wiring Diagram (1 Of 8)
GFDWR139189Courtesy of FORD MOTOR COMPANY
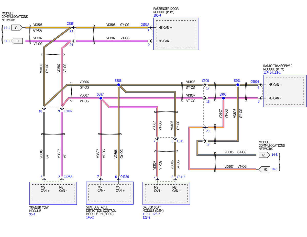
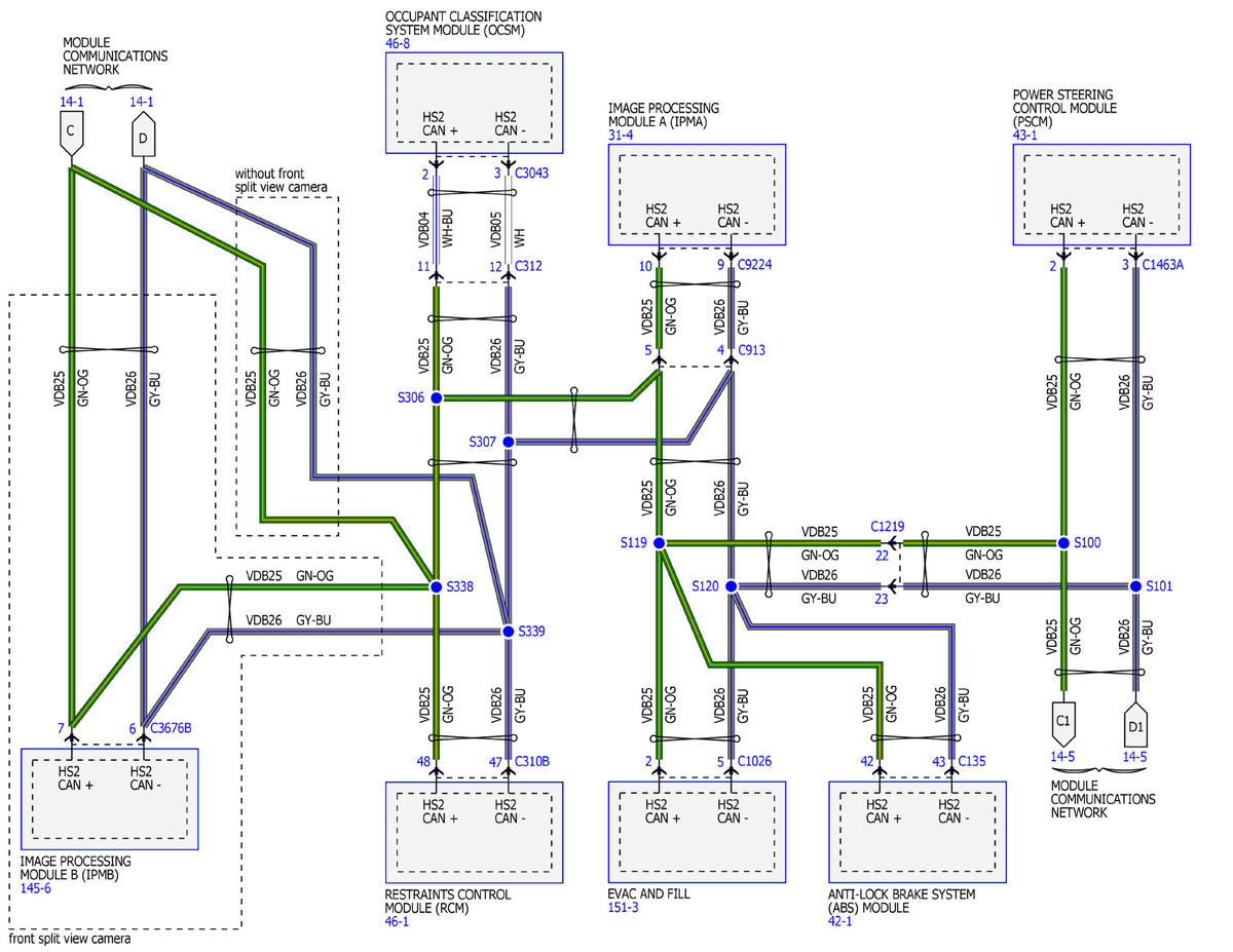
Fig 2: Module Communications Network Wiring Diagram (2 Of 8)
GFDWR139190Courtesy of FORD MOTOR COMPANY
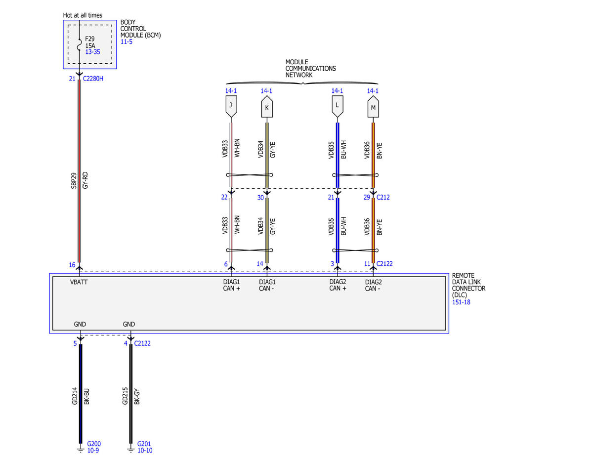
Fig 3: Module Communications Network Wiring Diagram (3 Of 8)
GFDWR139191Courtesy of FORD MOTOR COMPANY
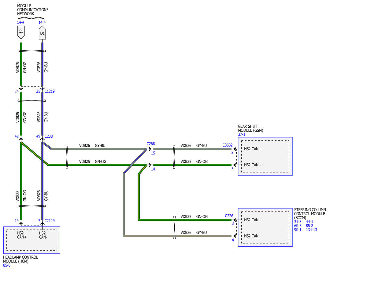
Fig 4: Module Communications Network Wiring Diagram (4 Of 8)
GFDWR139192Courtesy of FORD MOTOR COMPANY
Fig 5: Module Communications Network Wiring Diagram (5 Of 8)
GFDWR139193Courtesy of FORD MOTOR COMPANY
Fig 6: Module Communications Network Wiring Diagram (6 Of 8)
GFDWR139194Courtesy of FORD MOTOR COMPANY
Fig 7: Module Communications Network Wiring Diagram (7 Of 8)
GFDWR139195Courtesy of FORD MOTOR COMPANY
Fig 8: Module Communications Network Wiring Diagram (8 Of 8)
GFDWR139196Courtesy of FORD MOTOR COMPANY