LEMON Manuals: Even more car manuals for everyone: 1960-2025
Home >> Ford >> 2021 >> Edge ST-Line, FWD >> Repair and Diagnosis >> External Pages >> Different car >> Section 14 (Engine Controls - Description & Operation (Diesel)) >> Exhaust Gas Recirculation (EGR) System >> Typical EGR System (All Others)
April 5, 2026: LEMON Manuals is launched! Read the announcement.

Typical EGR System (All Others)

WARNING: This page does not describe the selected car, but rather 9 other vehicles, including the 2018 Ford Transit-350 HD, 2018 Ford Transit-350, 2018 Ford Transit-250, 2018 Ford Transit-150, and 2018 Ford F-550 Super Duty. However, it is still accessible from the selected car via links, so may be relevant.
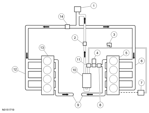
Fig 1: EGR System (Others) Flow Diagram
G09957337Courtesy of FORD MOTOR CO.
Item Number Description
1 - Intake Throttle Actuator
2 - Exhaust Gas Recirculation Temperature Bank 1, Sensor 2 (EGRT12)
3 - EGR Cooler Bypass Solenoid
4 - EGR Valve
5 - Right Cylinder Bank
6 - Right Intake Manifold And Cylinder Head
7 - Vacuum Pump
8 - Exhaust Gas Recirculation Temperature Bank 1, Sensor 1 (EGRT11)
9 - Exhaust Flow To The Turbocharger
10 - EGR Cooler
11 - EGR Cooler Bypass Valve
12 - Left Intake Manifold And Cylinder Head
13 - Left Cylinder Bank
14 - Manifold Absolute Pressure (MAP) Sensor