LEMON Manuals: Even more car manuals for everyone: 1960-2025
Home >> Ford >> 2023 >> Edge ST-Line >> Repair and Diagnosis >> External Pages >> Different car >> Section 1014 (OEM Wiring Diagrams) >> Module Communications Network
April 5, 2026: LEMON Manuals is launched! Read the announcement.

Module Communications Network

WARNING: This page is about a different car, the 2023 Lincoln Navigator. However, it is still accessible from the selected car via links, so may be relevant.
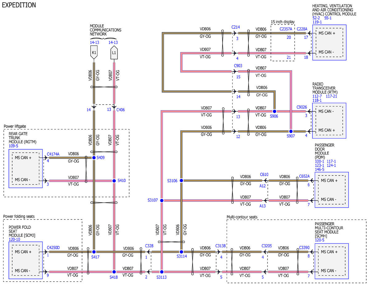
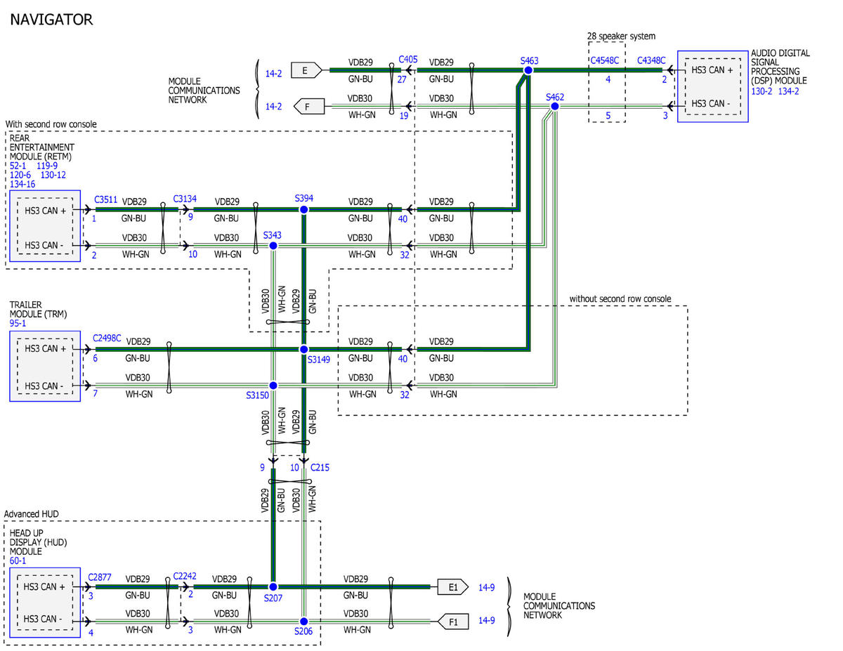
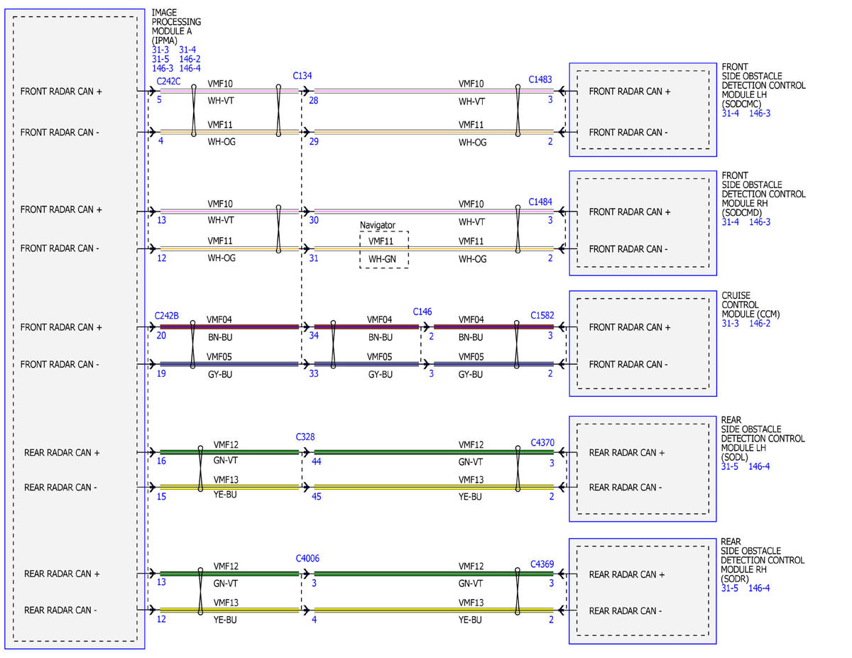
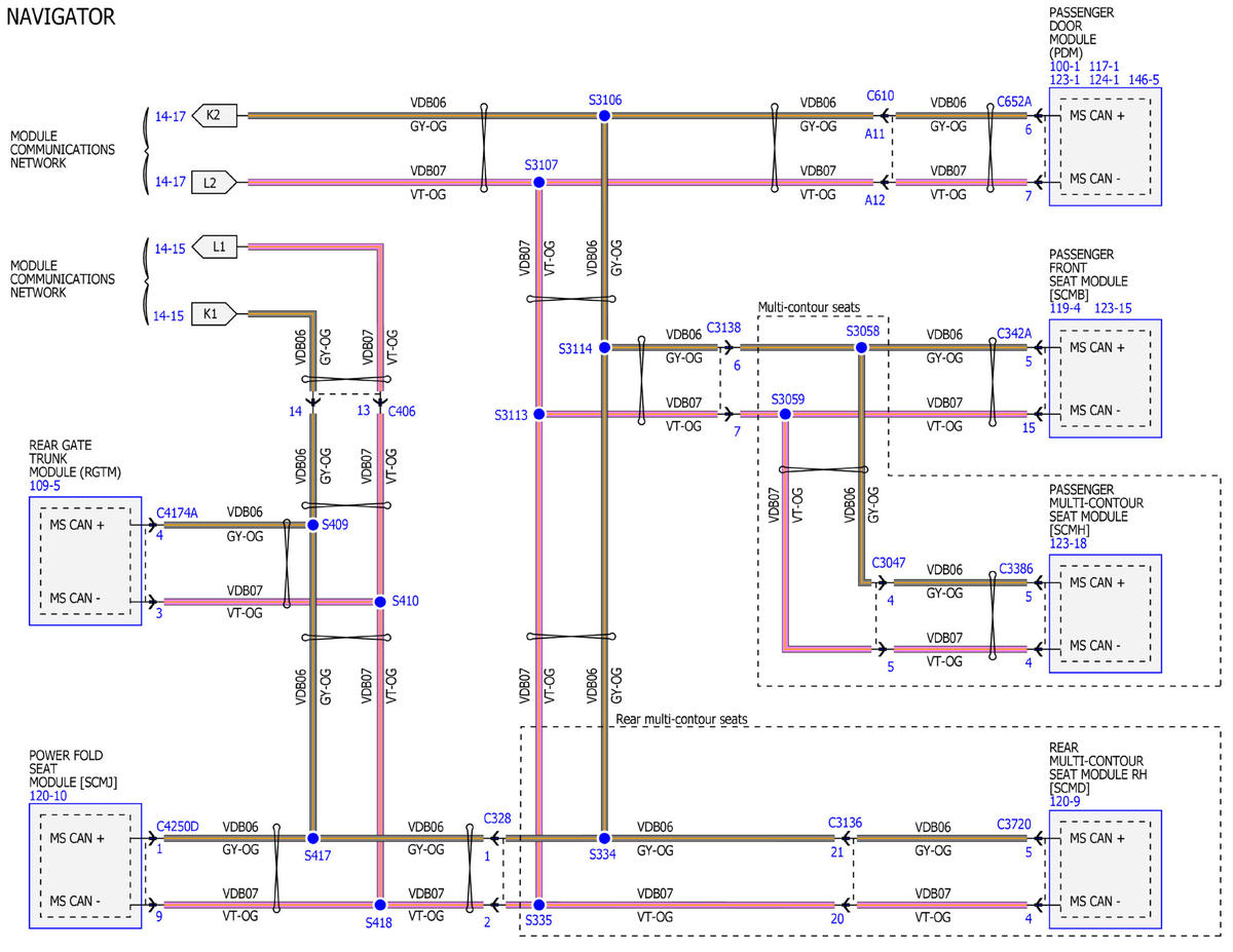
Fig 1: Module Communications Network Wiring Diagrams (1 Of 19)
GFDWR184989Courtesy of FORD MOTOR COMPANY
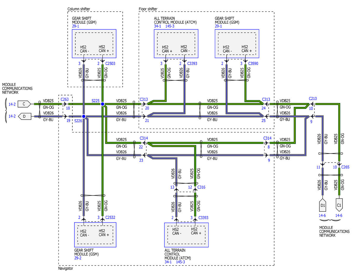
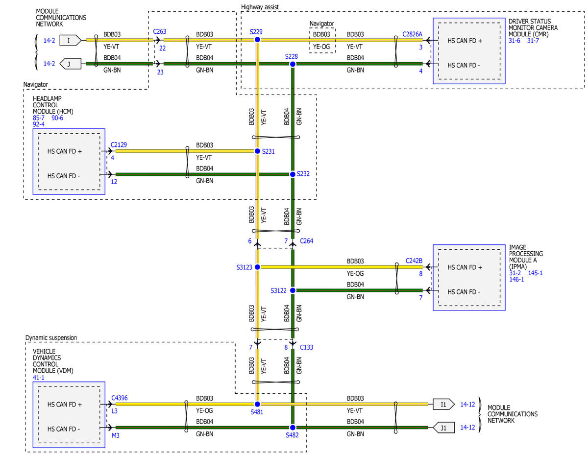
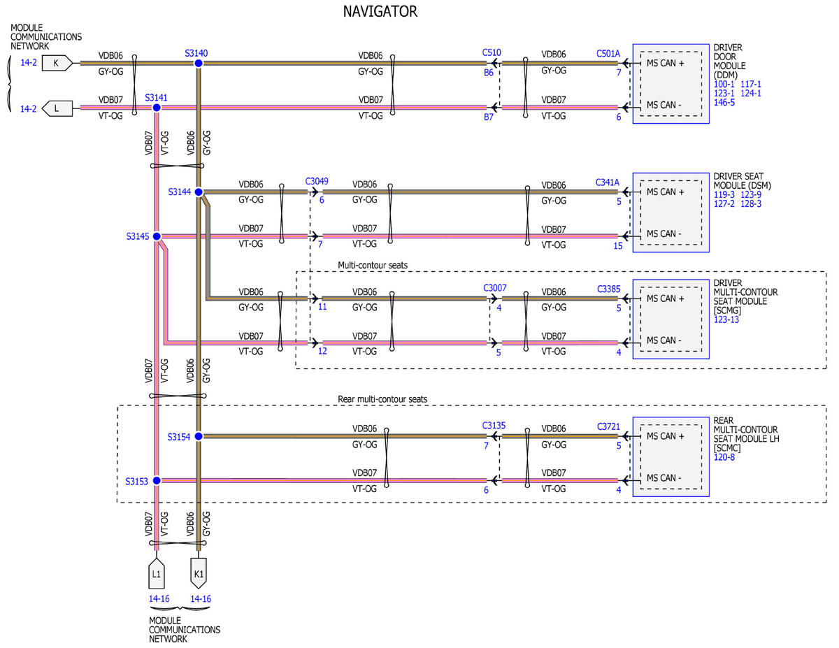
Fig 2: Module Communications Network Wiring Diagrams (2 Of 19)
GFDWR185000Courtesy of FORD MOTOR COMPANY
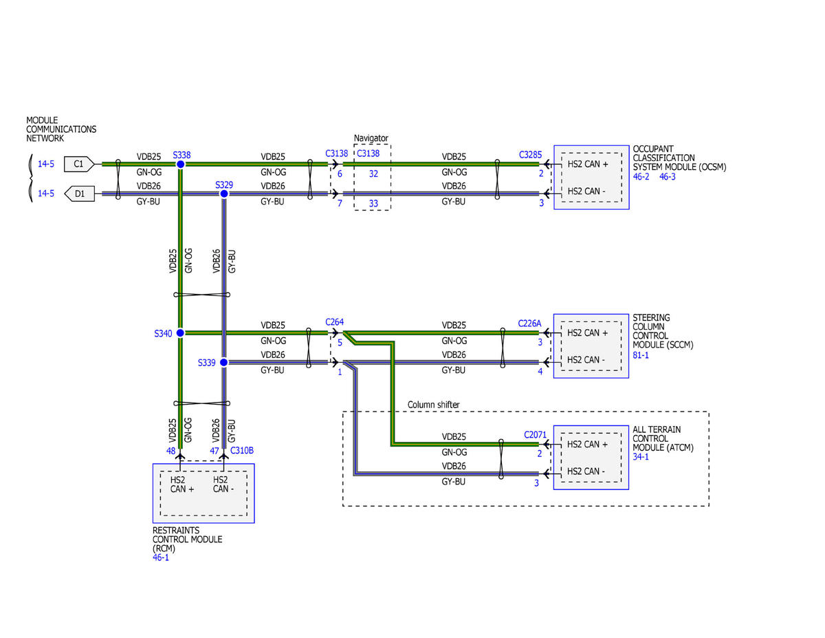
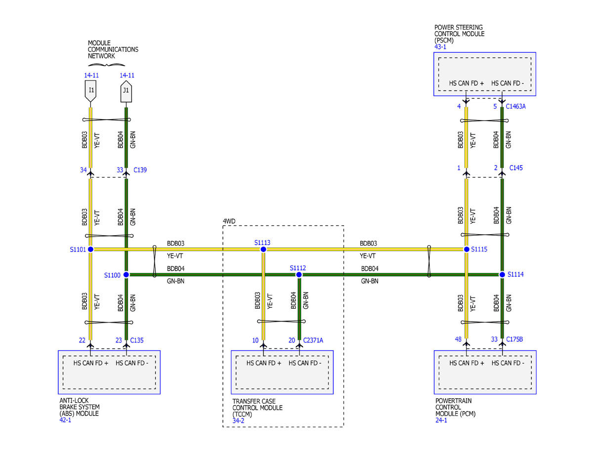
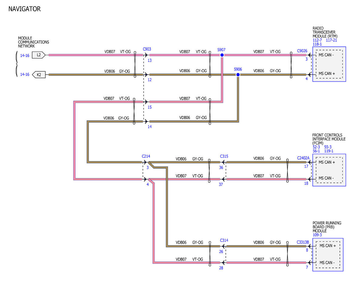
Fig 3: Module Communications Network Wiring Diagrams (3 Of 19)
GFDWR185001Courtesy of FORD MOTOR COMPANY
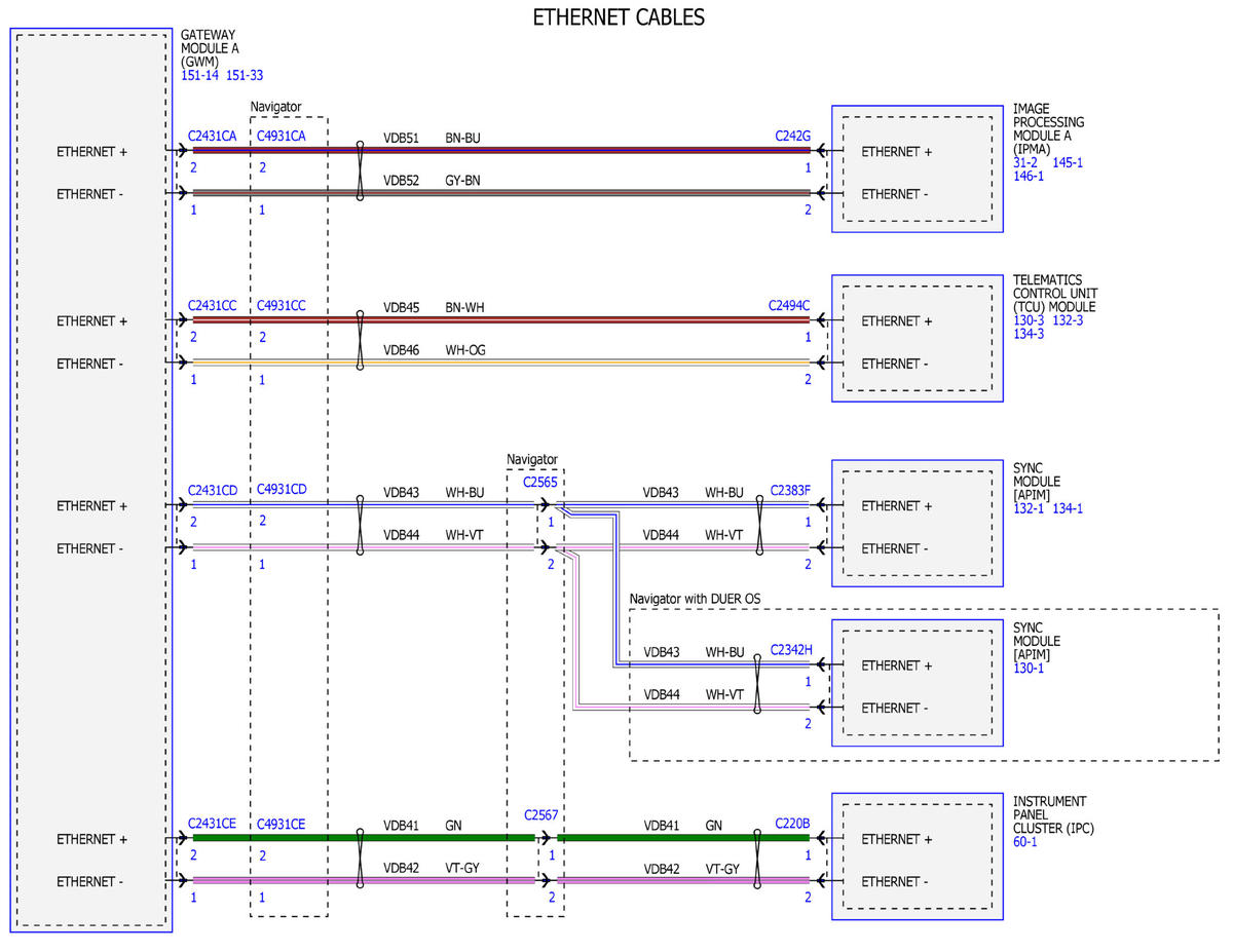
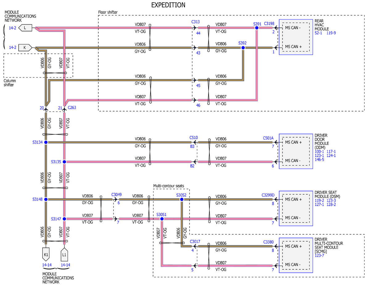
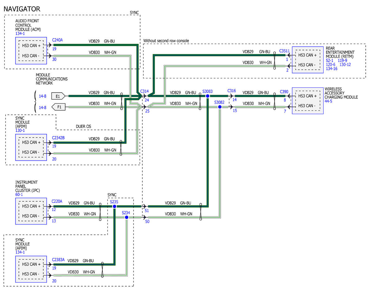
Fig 4: Module Communications Network Wiring Diagrams (4 Of 19)
GFDWR185002Courtesy of FORD MOTOR COMPANY
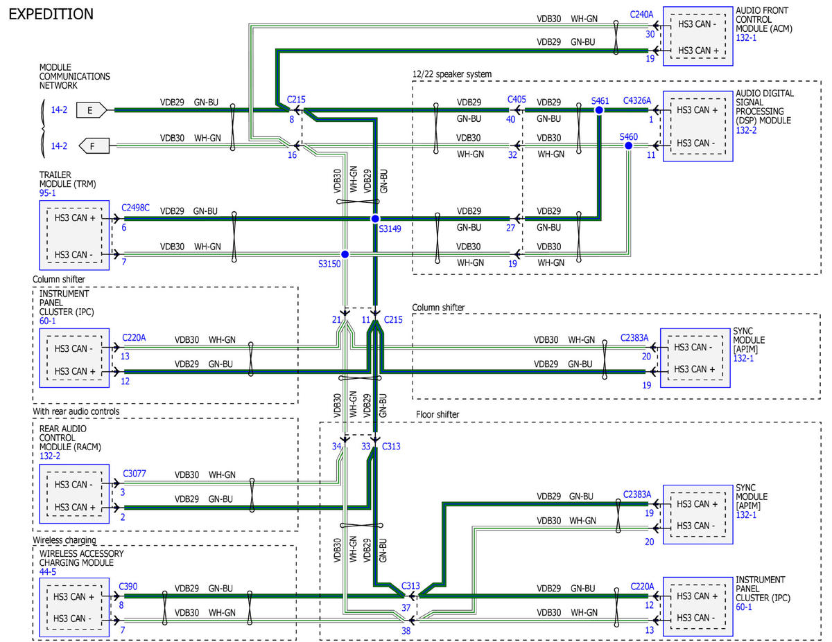
Fig 5: Module Communications Network Wiring Diagrams (5 Of 19)
GFDWR185003Courtesy of FORD MOTOR COMPANY
Fig 6: Module Communications Network Wiring Diagrams (6 Of 19)
GFDWR185004Courtesy of FORD MOTOR COMPANY
Fig 7: Module Communications Network Wiring Diagrams (7 Of 19)
GFDWR185005Courtesy of FORD MOTOR COMPANY
Fig 8: Module Communications Network Wiring Diagrams (8 Of 19)
GFDWR185006Courtesy of FORD MOTOR COMPANY
Fig 9: Module Communications Network Wiring Diagrams (9 Of 19)
GFDWR185007Courtesy of FORD MOTOR COMPANY
Fig 10: Module Communications Network Wiring Diagrams (10 Of 19)
GFDWR184990Courtesy of FORD MOTOR COMPANY
Fig 11: Module Communications Network Wiring Diagrams (11 Of 19)
GFDWR184991Courtesy of FORD MOTOR COMPANY
Fig 12: Module Communications Network Wiring Diagrams (12 Of 19)
GFDWR184992Courtesy of FORD MOTOR COMPANY
Fig 13: Module Communications Network Wiring Diagrams (13 Of 19)
GFDWR184993Courtesy of FORD MOTOR COMPANY
Fig 14: Module Communications Network Wiring Diagrams (14 Of 19)
GFDWR184994Courtesy of FORD MOTOR COMPANY
Fig 15: Module Communications Network Wiring Diagrams (15 Of 19)
GFDWR184995Courtesy of FORD MOTOR COMPANY
Fig 16: Module Communications Network Wiring Diagrams (16 Of 19)
GFDWR184996Courtesy of FORD MOTOR COMPANY
Fig 17: Module Communications Network Wiring Diagrams (17 Of 19)
GFDWR184997Courtesy of FORD MOTOR COMPANY
Fig 18: Module Communications Network Wiring Diagrams (18 Of 19)
GFDWR184998Courtesy of FORD MOTOR COMPANY
Fig 19: Module Communications Network Wiring Diagrams (19 Of 19)
GFDWR184999Courtesy of FORD MOTOR COMPANY