LEMON Manuals: Even more car manuals for everyone: 1960-2025
Home >> Ford >> 2023 >> Escape ST-Line Select >> Repair and Diagnosis >> External Pages >> Different car >> Section 1024 (OEM Wiring Diagrams) >> Module Communications Network
April 5, 2026: LEMON Manuals is launched! Read the announcement.

Module Communications Network

WARNING: This page is about a different car, the 2022 Ford Police Interceptor Utility and 2022 Ford Explorer. However, it is still accessible from the selected car via links, so may be relevant.
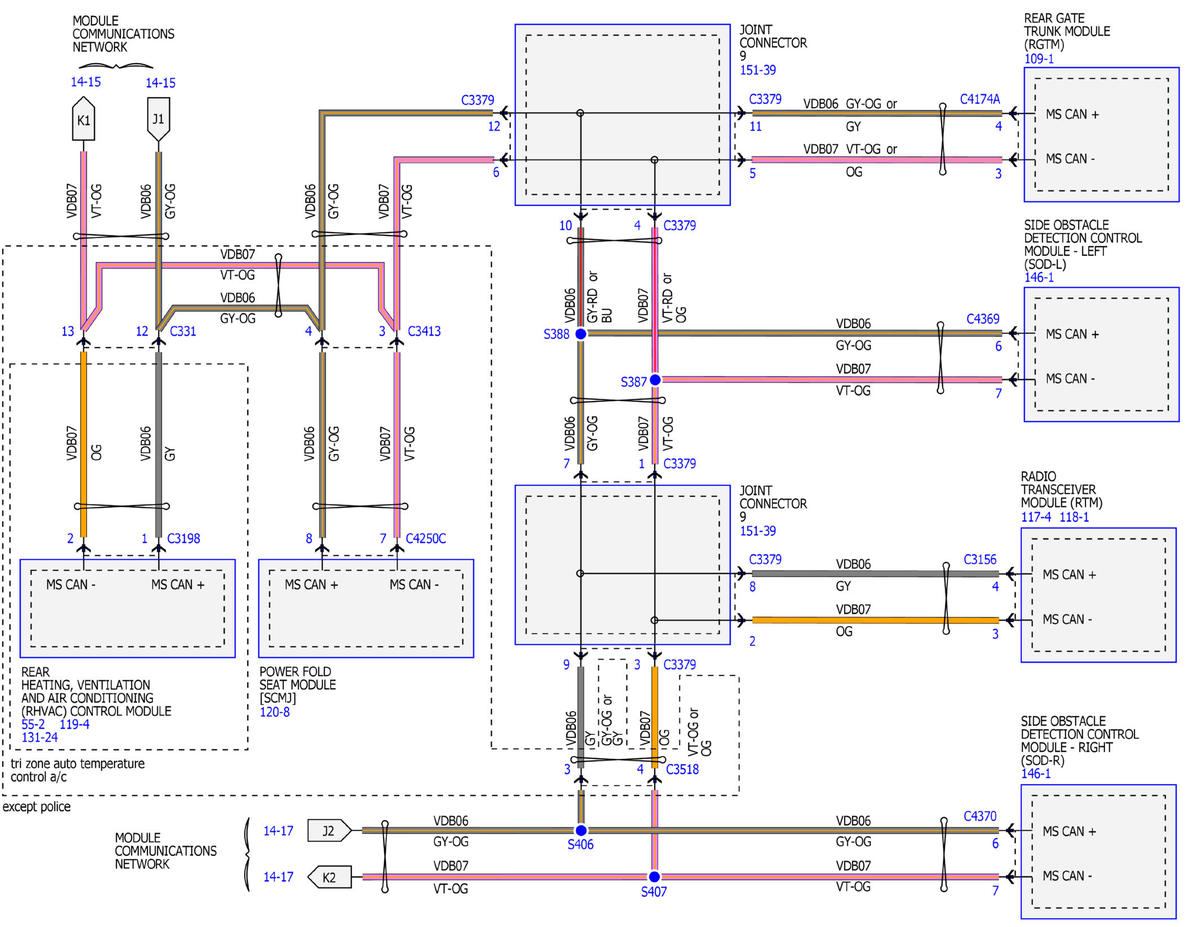
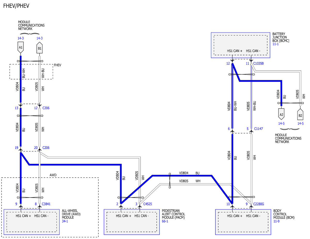
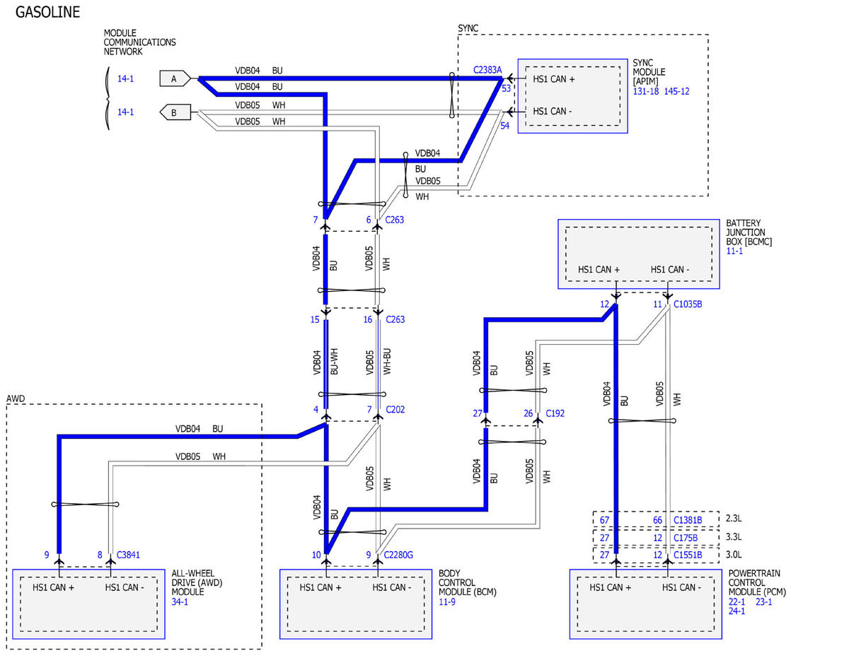
Fig 1: Module Communications Network Wiring Diagram (1 Of 19)
GFDWR168881Courtesy of FORD MOTOR COMPANY
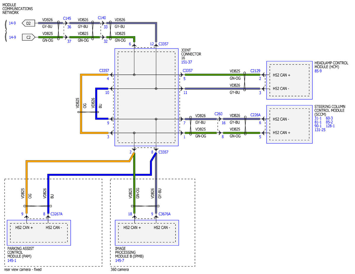
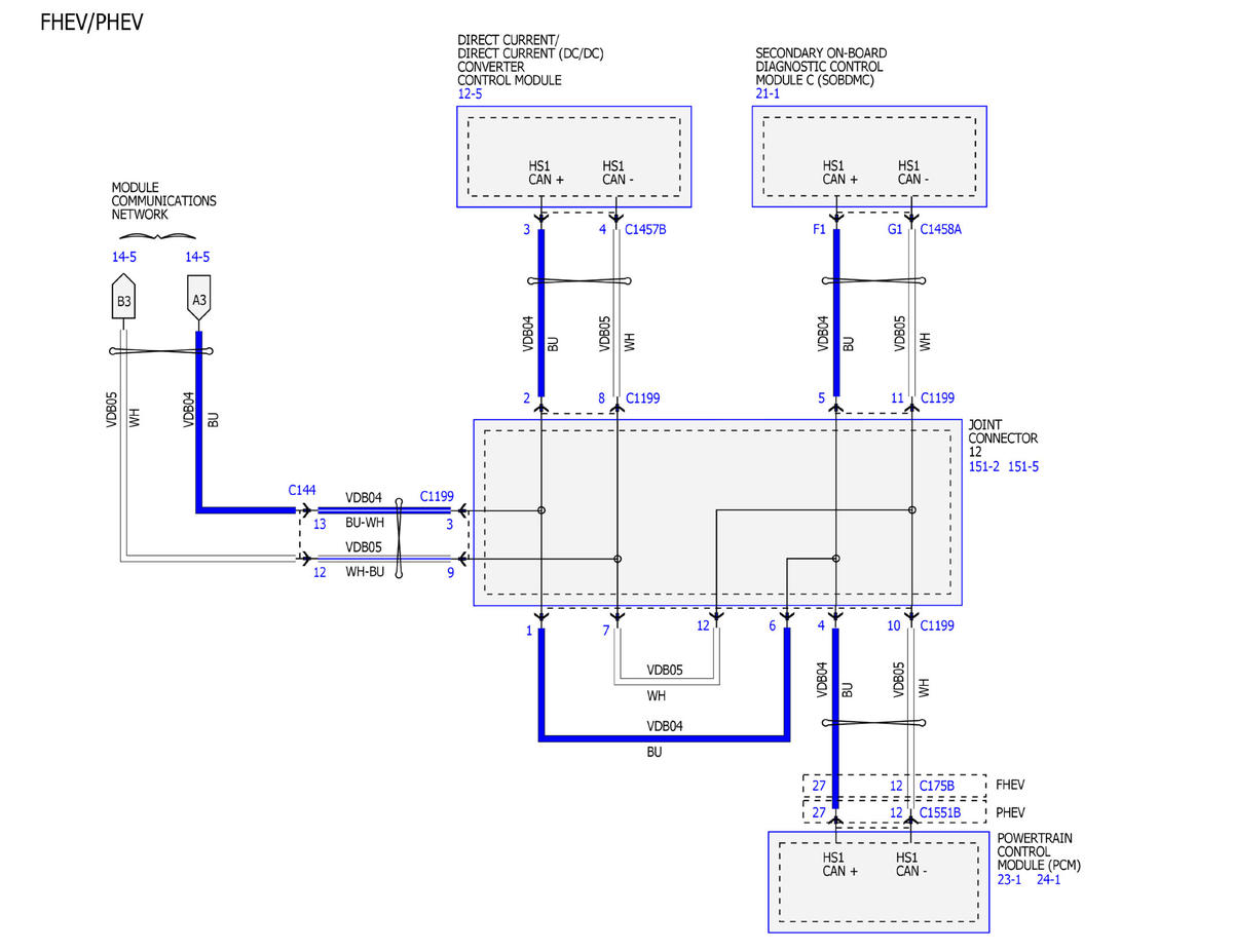
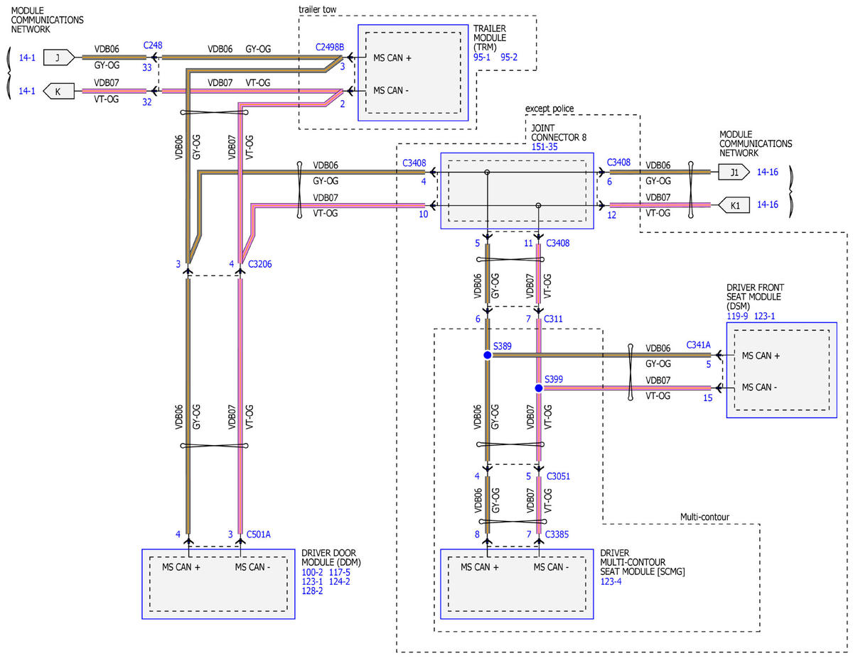
Fig 2: Module Communications Network Wiring Diagram (2 Of 19)
GFDWR168882Courtesy of FORD MOTOR COMPANY
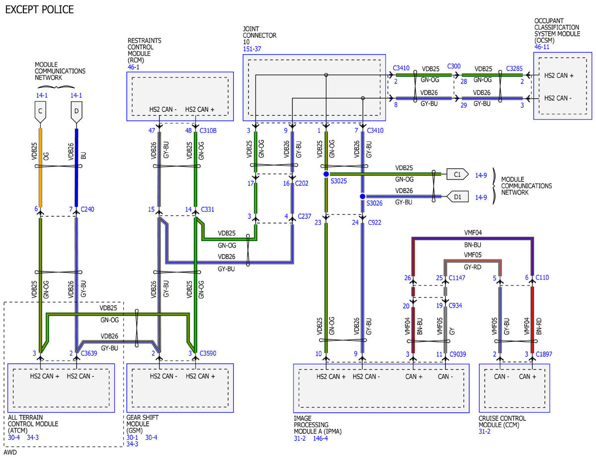
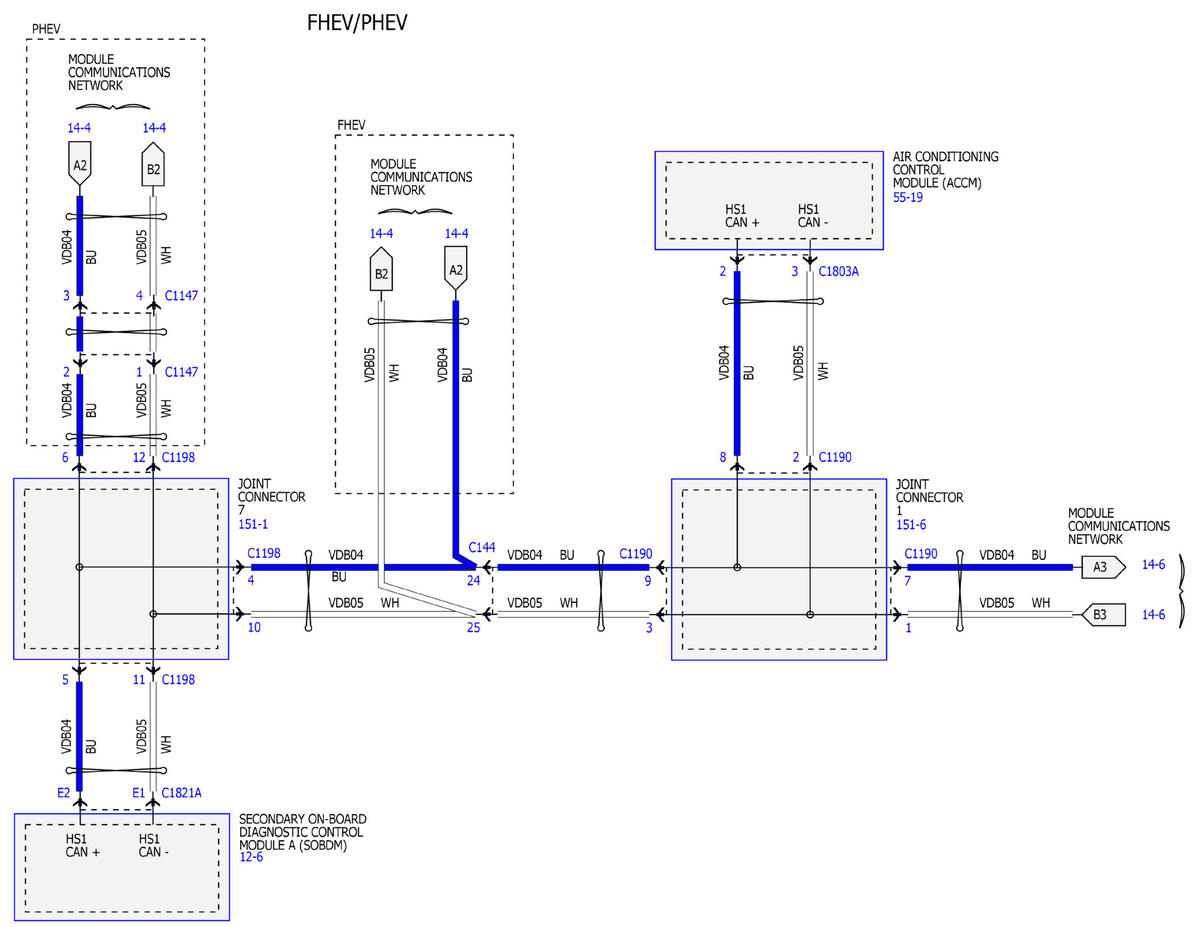
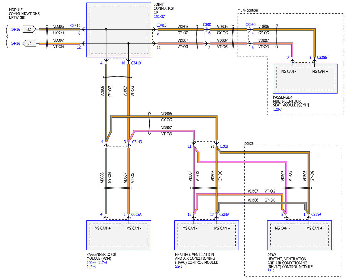
Fig 3: Module Communications Network Wiring Diagram (3 Of 19)
GFDWR168883Courtesy of FORD MOTOR COMPANY
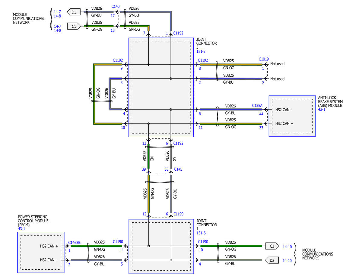
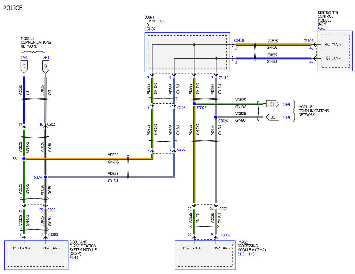
Fig 4: Module Communications Network Wiring Diagram (4 Of 19)
GFDWR168884Courtesy of FORD MOTOR COMPANY
Fig 5: Module Communications Network Wiring Diagram (5 Of 19)
GFDWR168885Courtesy of FORD MOTOR COMPANY
Fig 6: Module Communications Network Wiring Diagram (6 Of 19)
GFDWR168886Courtesy of FORD MOTOR COMPANY
Fig 7: Module Communications Network Wiring Diagram (7 Of 19)
GFDWR168887Courtesy of FORD MOTOR COMPANY
Fig 8: Module Communications Network Wiring Diagram (8 Of 19)
GFDWR168888Courtesy of FORD MOTOR COMPANY
Fig 9: Module Communications Network Wiring Diagram (9 Of 19)
GFDWR168889Courtesy of FORD MOTOR COMPANY
Fig 10: Module Communications Network Wiring Diagram (10 Of 19)
GFDWR168890Courtesy of FORD MOTOR COMPANY
Fig 11: Module Communications Network Wiring Diagram (11 Of 19)
GFDWR168891Courtesy of FORD MOTOR COMPANY
Fig 12: Module Communications Network Wiring Diagram (12 Of 19)
GFDWR168892Courtesy of FORD MOTOR COMPANY
Fig 13: Module Communications Network Wiring Diagram (13 Of 19)
GFDWR168893Courtesy of FORD MOTOR COMPANY
Fig 14: Module Communications Network Wiring Diagram (14 Of 19)
GFDWR168894Courtesy of FORD MOTOR COMPANY
Fig 15: Module Communications Network Wiring Diagram (15 Of 19)
GFDWR168895Courtesy of FORD MOTOR COMPANY
Fig 16: Module Communications Network Wiring Diagram (16 Of 19)
GFDWR168896Courtesy of FORD MOTOR COMPANY
Fig 17: Module Communications Network Wiring Diagram (17 Of 19)
GFDWR168897Courtesy of FORD MOTOR COMPANY
Fig 18: Module Communications Network Wiring Diagram (18 Of 19)
GFDWR168898Courtesy of FORD MOTOR COMPANY
Fig 19: Module Communications Network Wiring Diagram (19 Of 19)
GFDWR168899Courtesy of FORD MOTOR COMPANY