LEMON Manuals: Even more car manuals for everyone: 1960-2025
Home >> Freightliner >> 2007 >> Sprinter 2500 V6-3.0L DSL Turbo >> Repair and Diagnosis >> Diagrams >> Electrical Diagrams >> Body Control Systems >> Body Control Module >> 8W-45-10
April 5, 2026: LEMON Manuals is launched! Read the announcement.

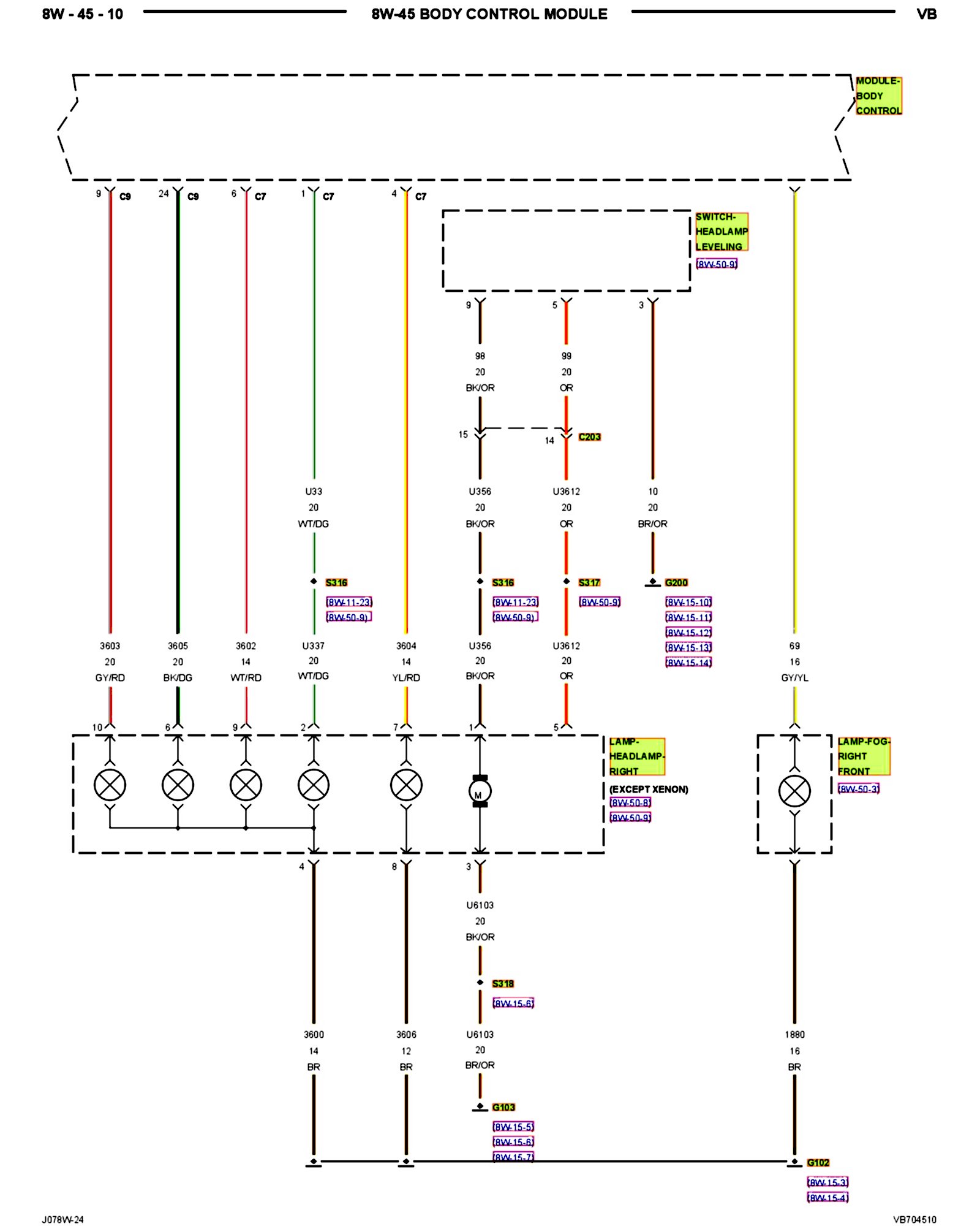
8W-45-10

PLEASE NOTE: Some diagrams may appear to be missing because of gaps in the number sequences. These "gaps" are actually for diagrams that do not apply to the vehicle model selected.


8w-45-10:






Next Diagram


Previous Diagram


Other Diagrams: Other diagrams referred to by number (i.e. 8W-70-2, etc.) within these diagrams can be found at the vehicle level under Diagrams By Number. Diagrams By Number