LEMON Manuals: Even more car manuals for everyone: 1960-2025
Home >> Honda >> 1986 >> Accord LX, Standard >> Repair and Diagnosis >> Engine Performance >> System >> Spark Control System >> System Testing >> CARBURETED Models >> Cold Engine
April 5, 2026: LEMON Manuals is launched! Read the announcement.

Cold Engine

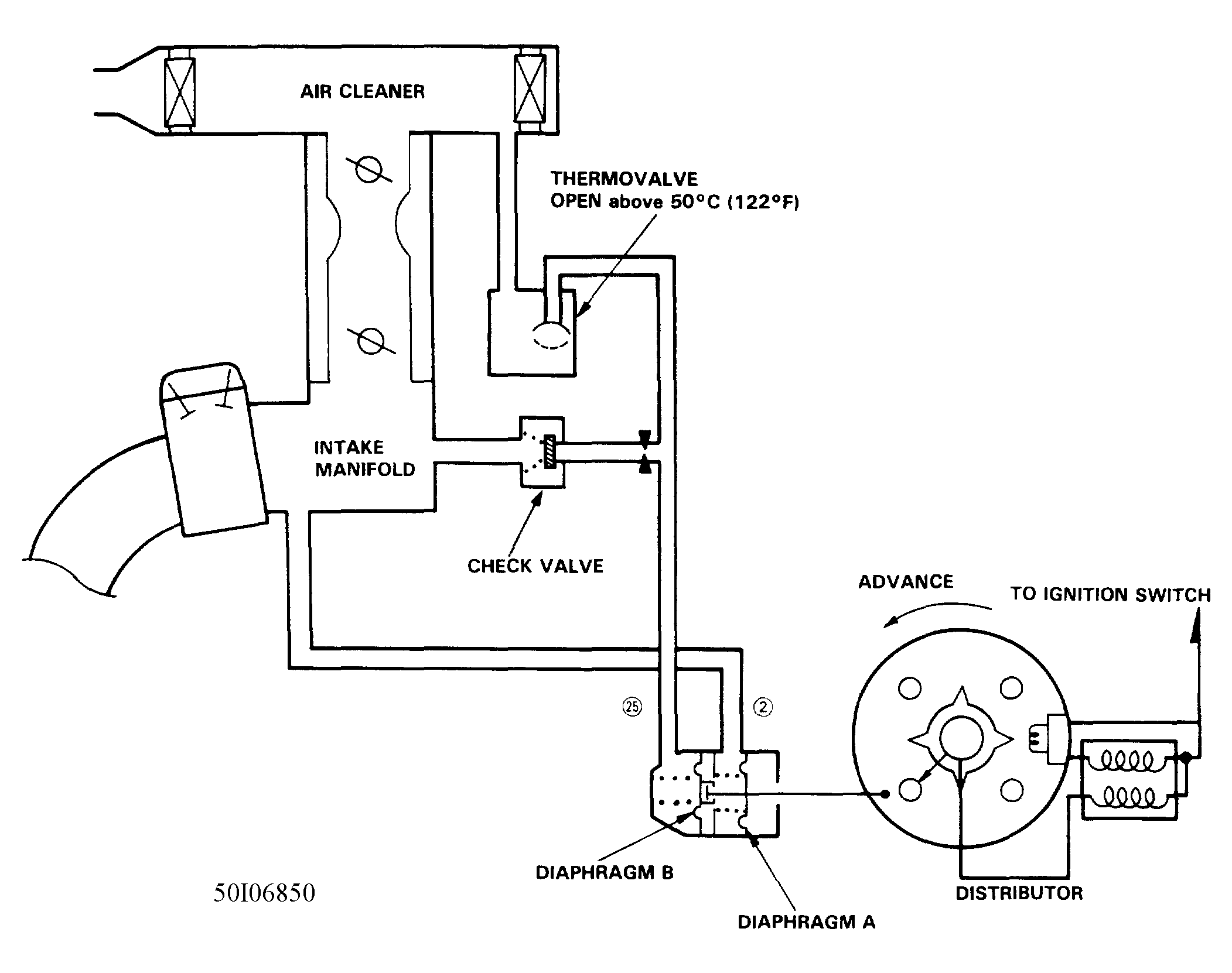
  1. Disconnect vacuum hose #2 from the vacuum advance diaphragm A on the distributor and connect a vacuum pump (A973X-041-XXXXX) to hose #2.
    Fig 1: Vacuum Pump To Hose Number 2 (Diaphragm A)
    G50A06851
  2. Start engine, allow it to idle and check for vacuum. There should be vacuum. If there is vacuum, go to step 3. If there is no vacuum, check vacuum hose #2 for leaks, blockage or disconnected hose.
  3. Disconnect vacuum hose #25 from the vacuum advance diaphragm B on the distributor and connect vacuum pump to hose #25.
    Fig 2: Vacuum Pump To Hose Number 2 (Diaphragm B)
    G50C06852
    NOTE: Engine coolant temperature must be below thermovalve B set temperature (50°C, 122°F).
  4. Check for vacuum at idle. There should be vacuum. If there is vacuum, go on to step 5. If there is no vacuum, replace thermovalve B and re-test.
  5. Wait for engine to warm up.
    NOTE: Engine coolant temperature must be above thermovalve B set temperature (50°C, 122°F).
  6. Check for vacuum at idle. There should be no vacuum. If there is no vacuum, test is complete. If there is no abnormality at each test, inspect the vacuum advance diaphragm.
Fig 3: Ignition Timing Control System
G50I06850