LEMON Manuals: Even more car manuals for everyone: 1960-2025
Home >> Honda >> 1987 >> Accord LX, Standard >> Repair and Diagnosis >> Engine Performance >> System >> Electronic Control System >> Wiring Diagrams
April 5, 2026: LEMON Manuals is launched! Read the announcement.

Wiring Diagrams

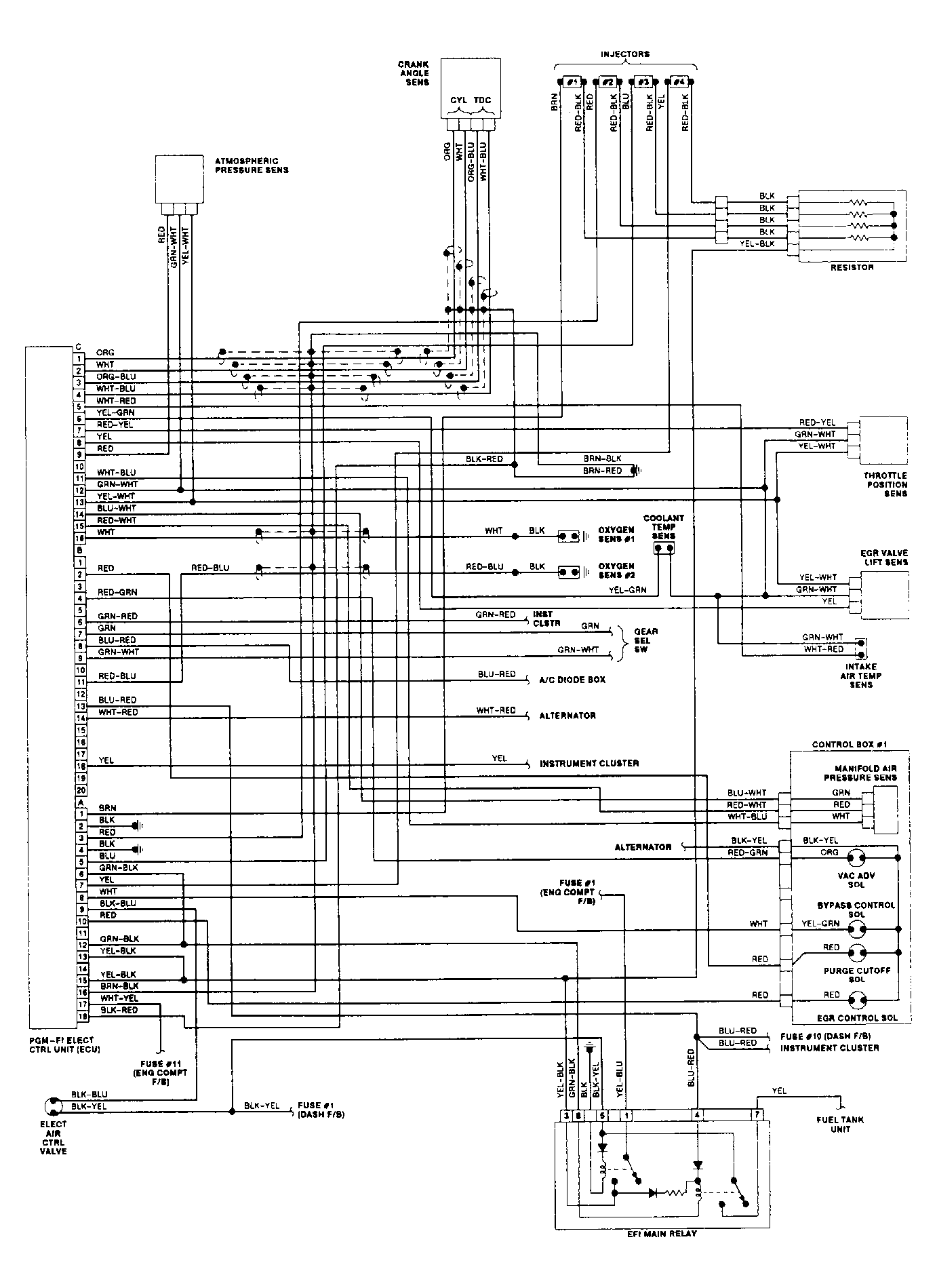
Fig 1: Accord Wiring Schematic
G94648