LEMON Manuals: Even more car manuals for everyone: 1960-2025
Home >> Honda >> 1987 >> Prelude Base, Standard >> Repair and Diagnosis >> Engine Performance >> System >> Feedback Carburetor System >> Wiring Diagrams
April 5, 2026: LEMON Manuals is launched! Read the announcement.

Wiring Diagrams

Fig 1: Accord Wiring Diagram (Carburetor)
G61507
Fig 2: Civic CRX HF Federal & High Altitude Wiring Diagram (Carb)
G61508
Fig 3: Civic CRX HF California Wiring Diagram (Carburetor)
G61509
Fig 4: Civic 1500 & CRX Wiring Diagram (Carburetor)
G61510
Fig 5: Civic 1300 Wiring Diagram (Carburetor)
G61511
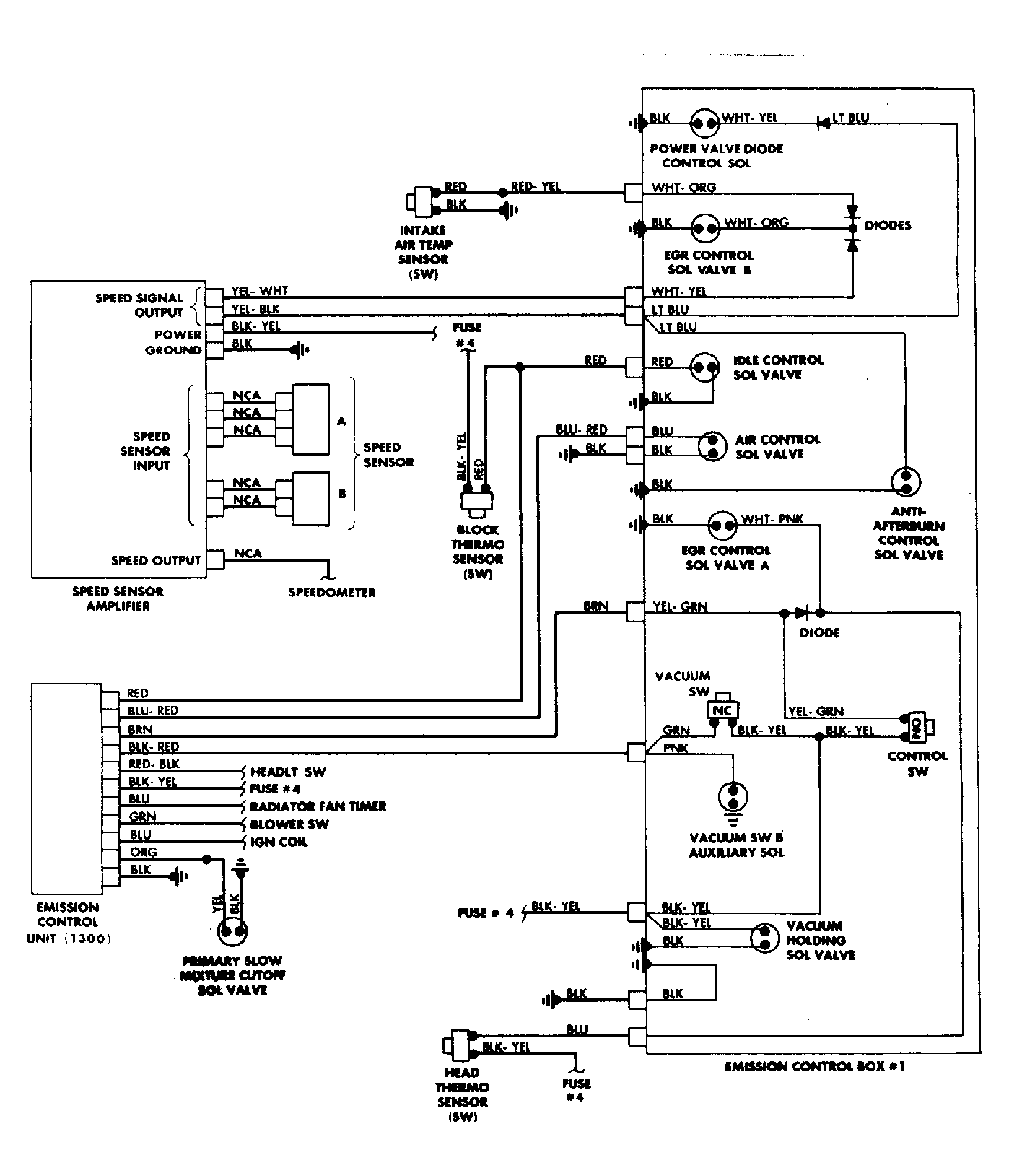
Fig 6: Prelude Wiring Diagram (Carburetor)
G61512