LEMON Manuals: Even more car manuals for everyone: 1960-2025
Home >> Honda >> 1987 >> Prelude L4-1955cc 2000 >> Repair and Diagnosis >> Powertrain Management >> Computers and Control Systems >> Vehicle Speed Sensor >> Locations
April 5, 2026: LEMON Manuals is launched! Read the announcement.

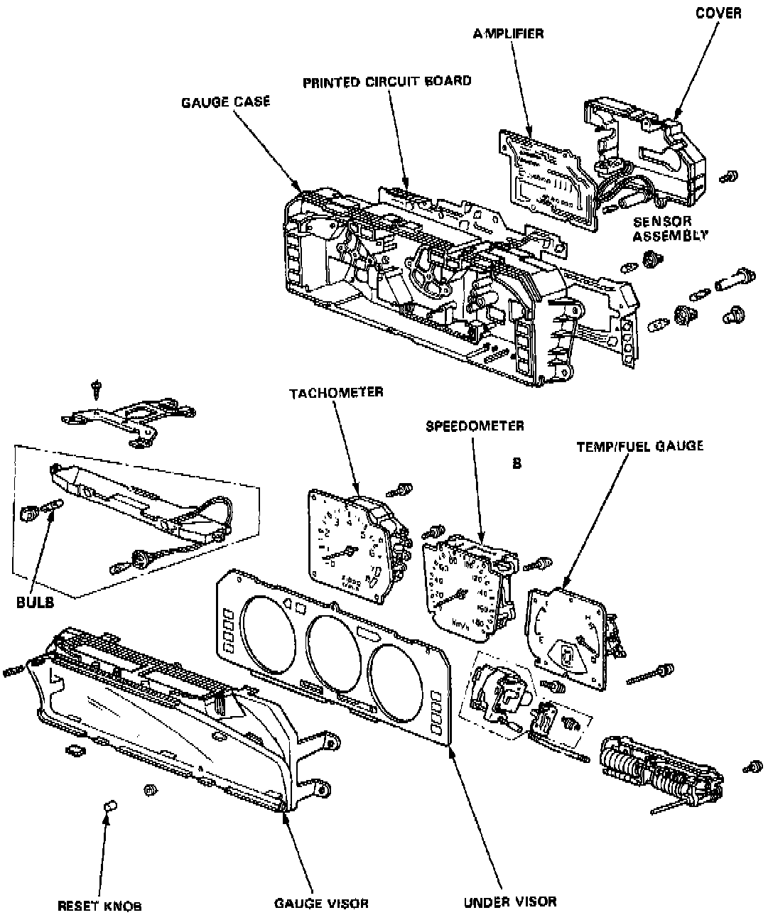
Vehicle Speed Sensor: Locations

Component Locations: