LEMON Manuals: Even more car manuals for everyone: 1960-2025
Home >> Honda >> 1988 >> Accord LX, Standard >> Repair and Diagnosis >> Engine Performance >> System >> Air Intake Control System >> System Testing >> Resonator Control System
April 5, 2026: LEMON Manuals is launched! Read the announcement.

Resonator Control System

NOTE: Resonator system test procedures given specifically apply to Integra models. Information for other models was not available from manufacturer, however, procedures listed should be similar.
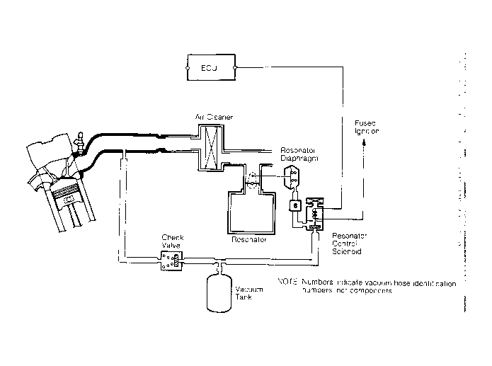
  1. Start engine and allow to idle. Remove vacuum hose to resonator control diaphragm. Connect vacuum gauge. If vacuum is not present, go to step 3). If vacuum is present, increase engine speed to about 3000 RPM. If vacuum is still present, go to step 7). If vacuum does not exist, connect vacuum pump/gauge to resonator diaphragm. See Fig 1 .
  2. Apply vacuum. If diaphragm linkage activates and vacuum holds, no problem exists in resonator system. If linkage does not move and/or diaphragm does not hold vacuum, replace diaphragm or repair binding linkage.
  3. If vacuum was not present in step 1), disconnect lower vacuum supply hose at resonator solenoid. Check for vacuum. If vacuum is not present, check for blockage in hose or vacuum port, or disconnected hose.
  4. If vacuum is present, disconnect 6-wire connector from resonator control solenoid. See Fig 1 . Measure voltage between Black/Yellow (pos.) and Red (neg.) terminals. If battery voltage is present, replace resonator control solenoid.
  5. If battery voltage is not present, measure voltage between ground and Black/Yellow wire. If battery voltage is not present, repair open in wire between 6-wire connector and fuse No. 4 or replace fuse.
  6. If battery voltage is present, turn ignition off. Connect System Checker Harness (07999-PD6000A) between ECU and ECU connector. Check for continuity of Red wire between ECU terminal A10 and 6-wire resonator solenoid connector. If continuity does not exist, repair Red wire as necessary. If continuity does exist, substitute a known good ECU and retest. If symptom is rectified, replace original ECU.
  7. If vacuum was present in step 1) with engine speed at 3000 RPM, disconnect 6-wire resonator solenoid connector. See Fig 1 . If vacuum is now present, replace solenoid. If vacuum is not present, turn ignition off. Disconnect "A" connector from ECU. Check for continuity to ground on Red ECU terminal A10 wire. If continuity exists, repair short to ground between ECU terminal A10 and 6-wire solenoid connector.
  8. If continuity to ground does not exist in Red wire, substitute a known good ECU and retest. If symptom is rectified, replace original ECU.
Fig 1: Typical Resonator Control System
G93639Courtesy of AMERICAN HONDA MOTOR CO., INC.