LEMON Manuals: Even more car manuals for everyone: 1960-2025
Home >> Honda >> 1990 >> Civic Base, 2D Hatchback >> Repair and Diagnosis >> Engine Performance >> Remove, Overhaul & Install >> Engine Controls - Remove/Install/Overhaul >> Fuel System >> Throttle Body
April 5, 2026: LEMON Manuals is launched! Read the announcement.

Throttle Body

NOTE: Torque throttle body mount nuts to 16 ft. lbs (22 N.m).
Fig 1: View of Civic & CRX Distributor With Internal Ignitor
G117986Courtesy of AMERICAN HONDA MOTOR CO., INC.
Fig 2: View of Fuel Injected Prelude Distributor With Remote Ignitor
G90B15033Courtesy of AMERICAN HONDA MOTOR CO., INC.
Fig 3: View of Carbureted Prelude Hitachi Distributor W/ Internal Ignitor
G117985Courtesy of AMERICAN HONDA MOTOR CO., INC.
Fig 4: View of Carbureted Prelude Distributor With Internal Ignitor
G117988Courtesy of AMERICAN HONDA MOTOR CO., INC.
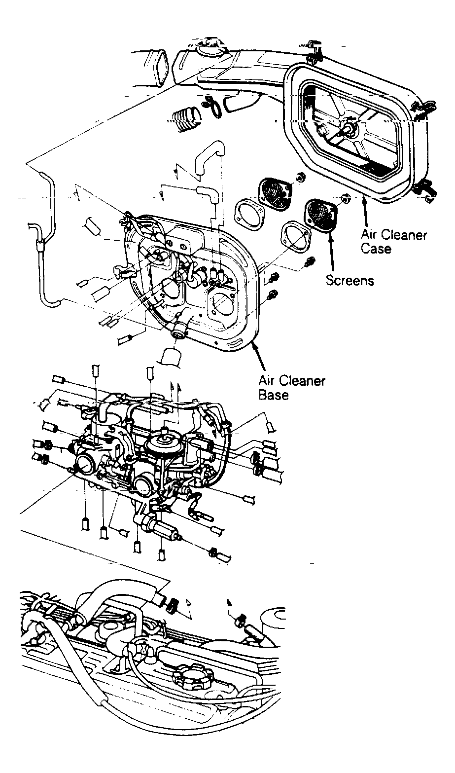
Fig 5: Removing & Installing Prelude Carburetor
G117984Courtesy of AMERICAN HONDA MOTOR CO., INC.
Fig 6: Adjusting Choke Linkage In 2 Stages
G93313Courtesy of AMERICAN HONDA MOTOR CO., INC.
Fig 7: View of Keihin 1-Barrel Carburetor Assembly Used On Prelude
G93323Courtesy of AMERICAN HONDA MOTOR CO., INC.