LEMON Manuals: Even more car manuals for everyone: 1960-2025
Home >> Honda >> 1992 >> Prelude L4-2.2L SOHC >> Repair and Diagnosis >> Specifications >> Mechanical Specifications >> Engine >> System Specifications >> Torque Specifications
April 5, 2026: LEMON Manuals is launched! Read the announcement.

Torque Specifications

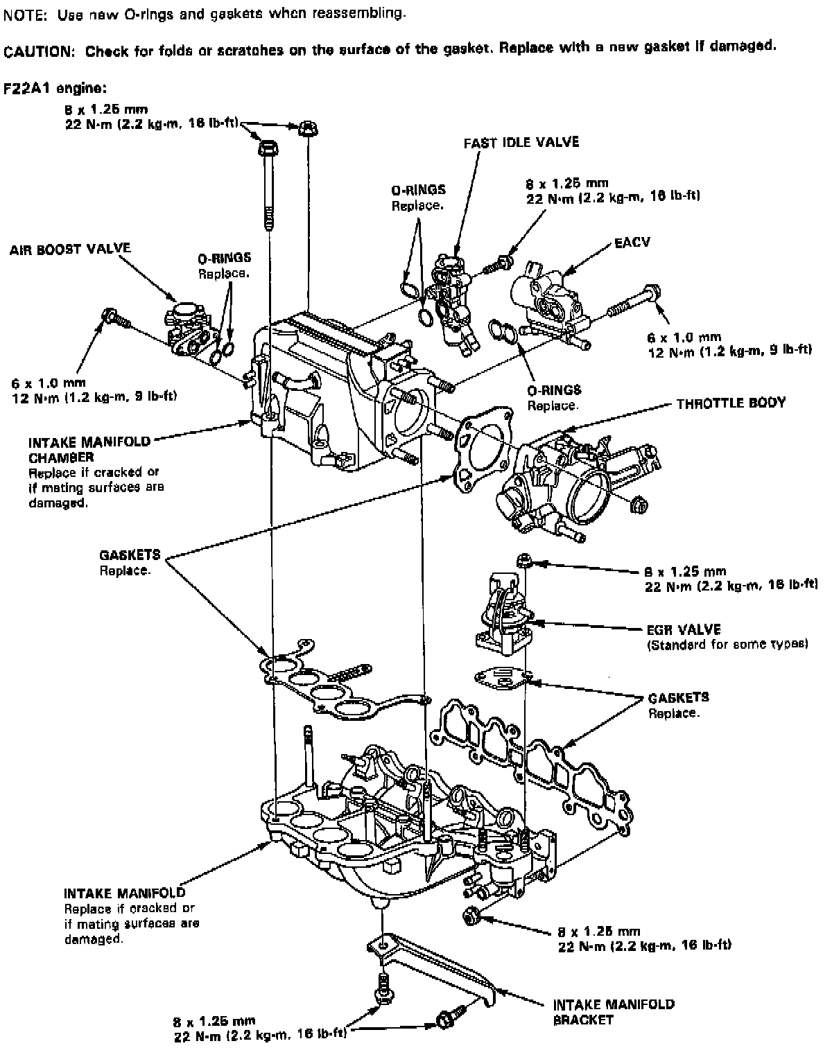
Intake:






Exhaust Manifold:






Upper Engine:











Cam Holder Torque/Sequence:






Cylinder Head Torque Sequence:






Tighten cylinder head bolts, in sequence, in three steps:

1st step: 40 N.m (4.0 kg-m, 29 ft-lb)
2nd step: 70 N.m (7.0 kg-m, 51 ft-lb)
3rd step: 100 N.m (10.0 kg-m, 72 ft-lb)


Timing Components:






Lower Engine:






Engine Lubrication:
















Main Bolt Loosening Sequence:






Main Bolt Torque Sequence:




































Flywheel (M/T) Torque:






Drive Plate (A/T) Torque: