LEMON Manuals: Even more car manuals for everyone: 1960-2025
Home >> Honda >> 1993 >> Prelude L4-2.2L SOHC >> Repair and Diagnosis >> Powertrain Management >> Computers and Control Systems >> Locations
April 5, 2026: LEMON Manuals is launched! Read the announcement.

Computers and Control Systems: Locations

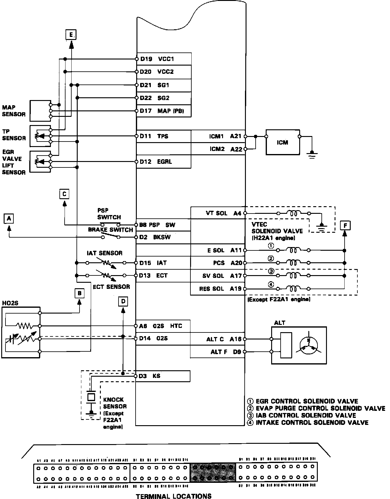
Engine Control Module Electrical Connections:



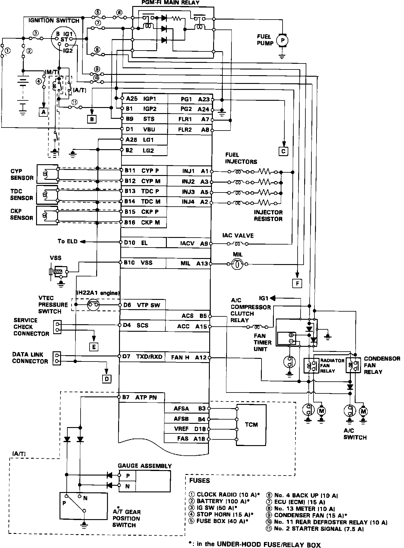
Engine Control Module Electrical Connections: