LEMON Manuals: Even more car manuals for everyone: 1960-2025
Home >> Honda >> 1994 >> Accord L4-2.2L SOHC VTEC >> Repair and Diagnosis >> Diagrams >> Electrical Diagrams >> Powertrain Management >> Computers and Control Systems >> Engine Control Module
April 5, 2026: LEMON Manuals is launched! Read the announcement.

Engine Control Module

PGM-FI Schematic 1 of 2:



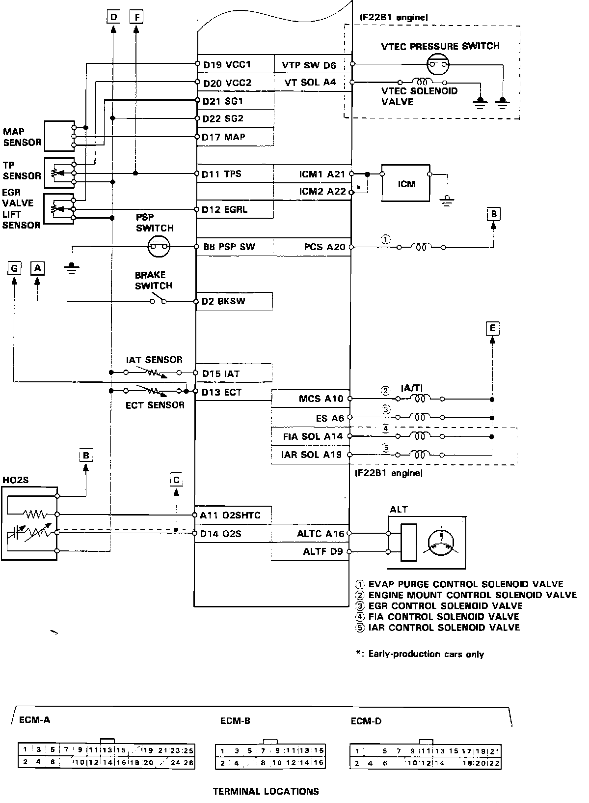
PGM-FI Schematic 2 of 2: