LEMON Manuals: Even more car manuals for everyone: 1960-2025
Home >> Honda >> 1999 >> Odyssey EX V6-3.5L >> Repair and Diagnosis >> Diagrams >> Connector Views >> Antitheft and Alarm Systems >> System Diagram >> Power Door Locks/Keyless Entry/Security Alarm System >> With Honda Security Installed
April 5, 2026: LEMON Manuals is launched! Read the announcement.

With Honda Security Installed

Part 1 Of 7:




Driver's Door Switch
Driver's Under-dash Fuse/Relay Box
- Driver's Multiplex Control Unit
Exterior Lights
Left Sliding Door Switch
Passenger's Under-dash Fuse/Relay Box
Steering Lock Assembly
- Ignition Key Switch
Taillight Relay

Part 2 Of 7:




Door Multiplex Control Unit
Driver's Under-dash Fuse/Relay Box
Driver's Door Lock Knob Switch
Driver's Door Key Cylinder Switch
Driver's Door Lock Switch
Passenger's Under-dash Fuse/Relay Box
Taillight Key Cylinder Switch

Part 3 Of 7:




Taillight Lock Actuator
Driver's Under-dash Fuse/Relay Box
Driver's Door Lock Actuator
Front Passenger's Door Lock Actuator
Fuel Fill Door Switch
Fuel Fill Door Relay
Left Junction Switch
Left Junction Switch Connector
Left Sliding Door Lock Knob Switch/Actuator
Passenger's Under-dash Fuse/Relay Box
- Passenger's Multiplex Control Unit
Right Junction Switch
Right Junction Switch Connector
Right Sliding Door Lock Actuator
Sliding Door Lock Control Unit
Taillight Lock Actuator

Part 4 Of 7:




Driver's Under-dash Fuse/Relay Box
Keyless Receiver Unit
Left Power Sliding Door Control Unit
Passenger's Under-dash Fuse/Relay Box
- Passenger's Multiplex Control Unit
Right Power Sliding Door Control Unit
Security Diode
Security Control Unit

Part 5 Of 7:




Front Passenger's Door Lock Switch
Front Passenger's Door Switch
Front Passenger's Door Key Cylinder Switch
Interior Lights Switch
Low Horn
High Horn
Passenger's Under-dash Fuse/Relay Box
- Passenger's Multiplex Control Unit
Right Sliding Door Switch
Under-Hood Fuse/Relay Box

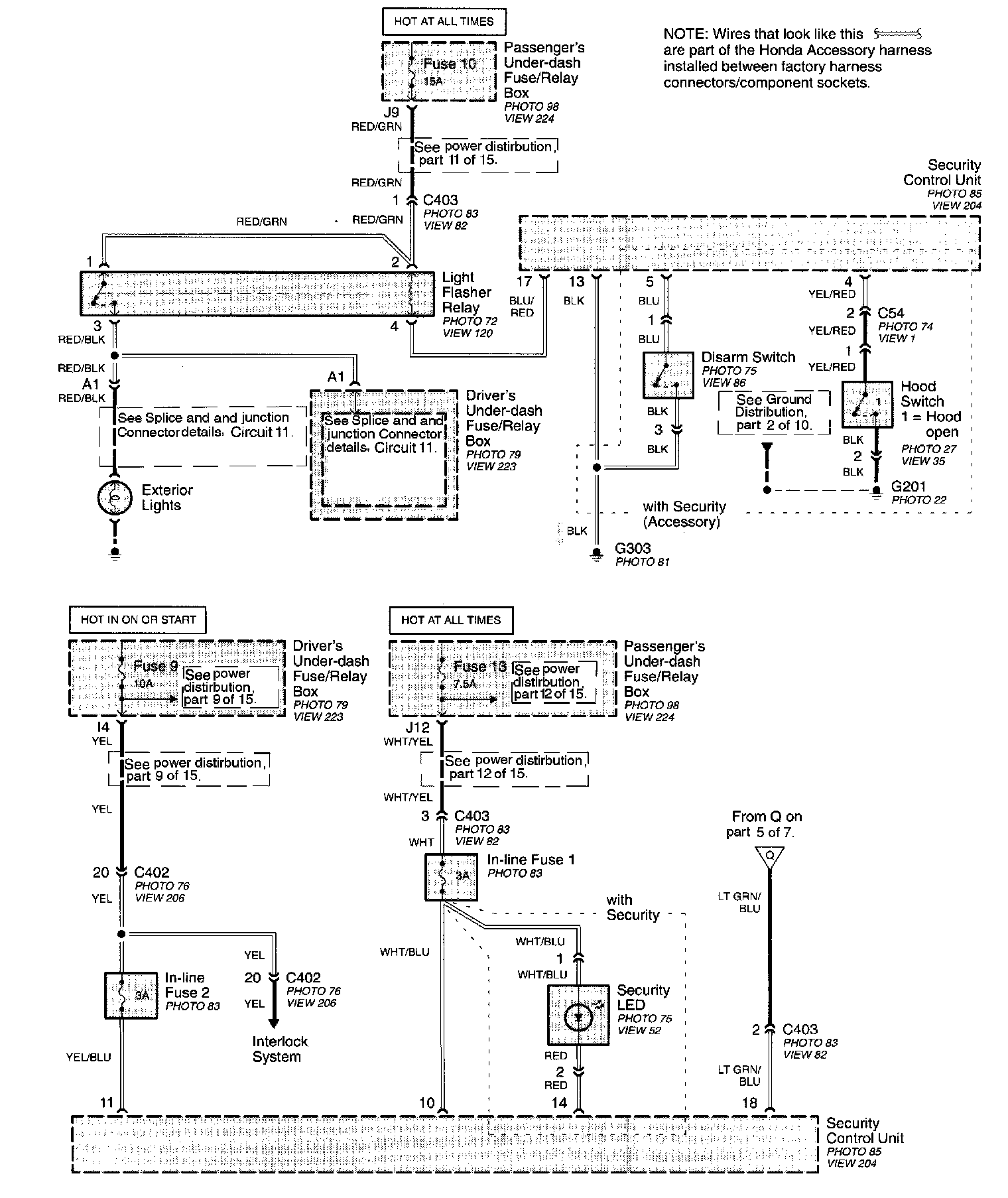
Part 6 Of 7:




Disarm Switch
Driver's Under-dash Fuse/Relay Box
Hood Switch
Light Flasher Relay
Passenger's Under-dash Fuse/Relay Box
Security LED
Security Control Unit

Part 7 Of 7:




Driver's Door Switch
Front Passenger's Door Switch
Gauge Assembly
- Safety Indicator
Left Sliding Door Switch
Right Sliding Door Switch
Security Control Unit
Taillight Latch Switch