LEMON Manuals: Even more car manuals for everyone: 1960-2025
Home >> Honda >> 1999 >> Odyssey LX V6-3.5L >> Repair and Diagnosis >> Powertrain Management >> Computers and Control Systems >> Engine Control Module >> Diagrams >> Diagram Information and Instructions >> Power Distribution Schematics
April 5, 2026: LEMON Manuals is launched! Read the announcement.

Power Distribution Schematics




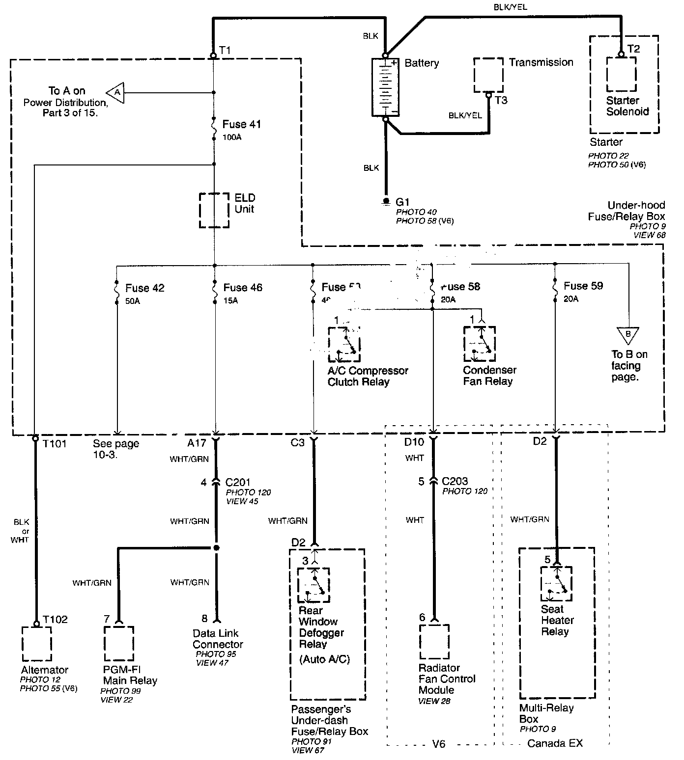
Power Distribution schematics show how power is supplied from the positive battery terminal to various circuits in the car. Refer to Power Distribution to get a more detailed picture of how power is supplied to the circuit you're working on. Individual circuit schematics begin with a fuse. The first half of Power Distribution, however, shows the wiring "upstream" between the battery and the fuses.




The second half of Power Distribution shows the wiring "From Fuses to Relays and Components." This can speed your troubleshooting by showing which circuits share fuses. If Power Distribution shows that an inoperative circuit and another circuit share a fuse, check a component in the other circuit. If it works, you know the fuse is good and power is available to the inoperative circuit.