LEMON Manuals: Even more car manuals for everyone: 1960-2025
Home >> Honda >> 2000 >> Insight >> Repair and Diagnosis >> Engine Performance >> Fuel Delivery >> Fuel And Emissions Systems >> System Description >> Electronic Control System >> ECM Electrical Connections - 2000-2004 Models
April 5, 2026: LEMON Manuals is launched! Read the announcement.

ECM Electrical Connections - 2000-2004 Models

Fig 1: ECM Electrical Connections Description (2000-2004 Models) (1 Of 5)
G03680635Courtesy of AMERICAN HONDA MOTOR CO., INC.
Fig 2: ECM Electrical Connections Description (2000-2004 Models) (2 Of 5)
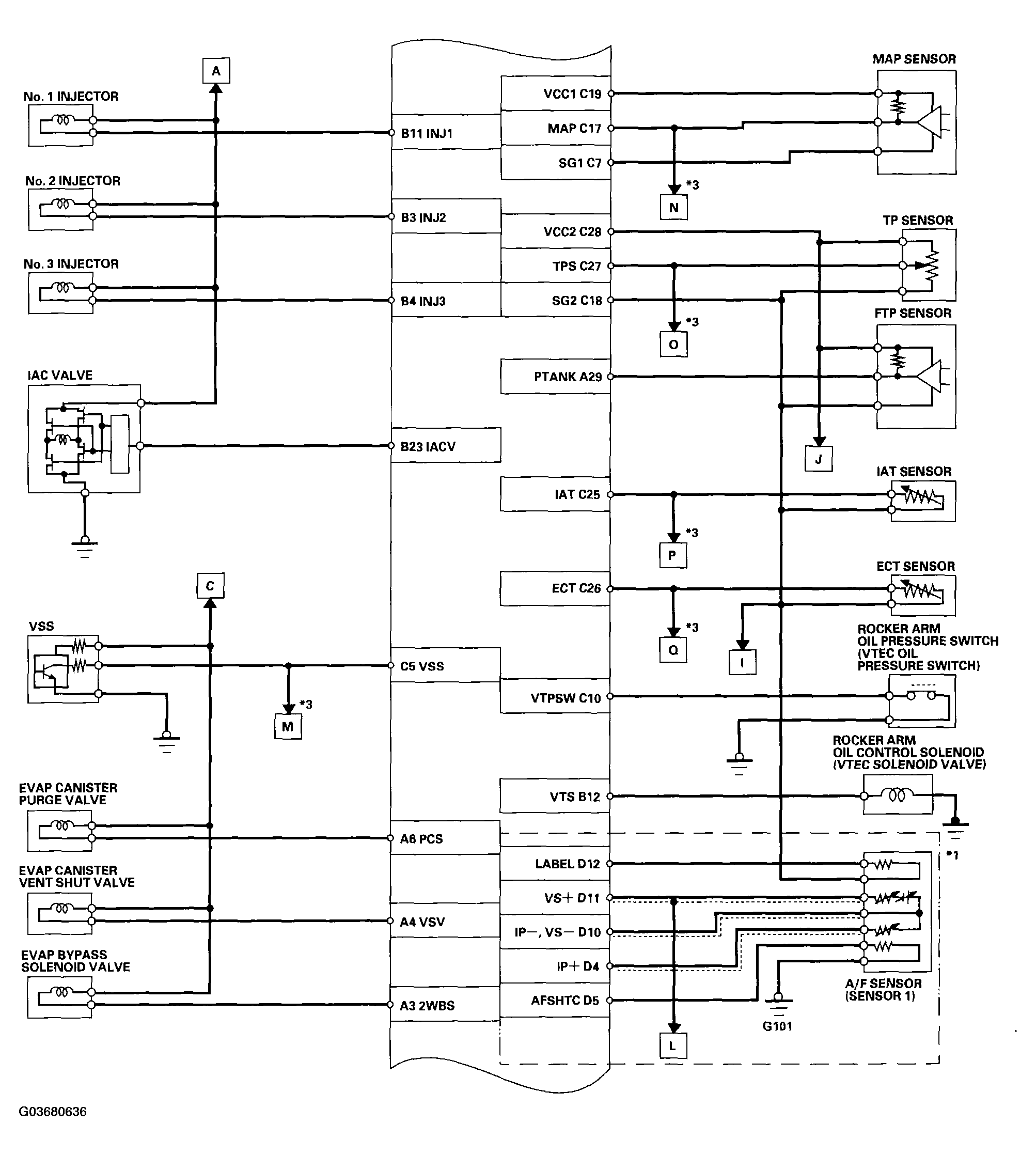
G03680636Courtesy of AMERICAN HONDA MOTOR CO., INC.
Fig 3: ECM Electrical Connections Description (2000-2004 Models) (3 Of 5)
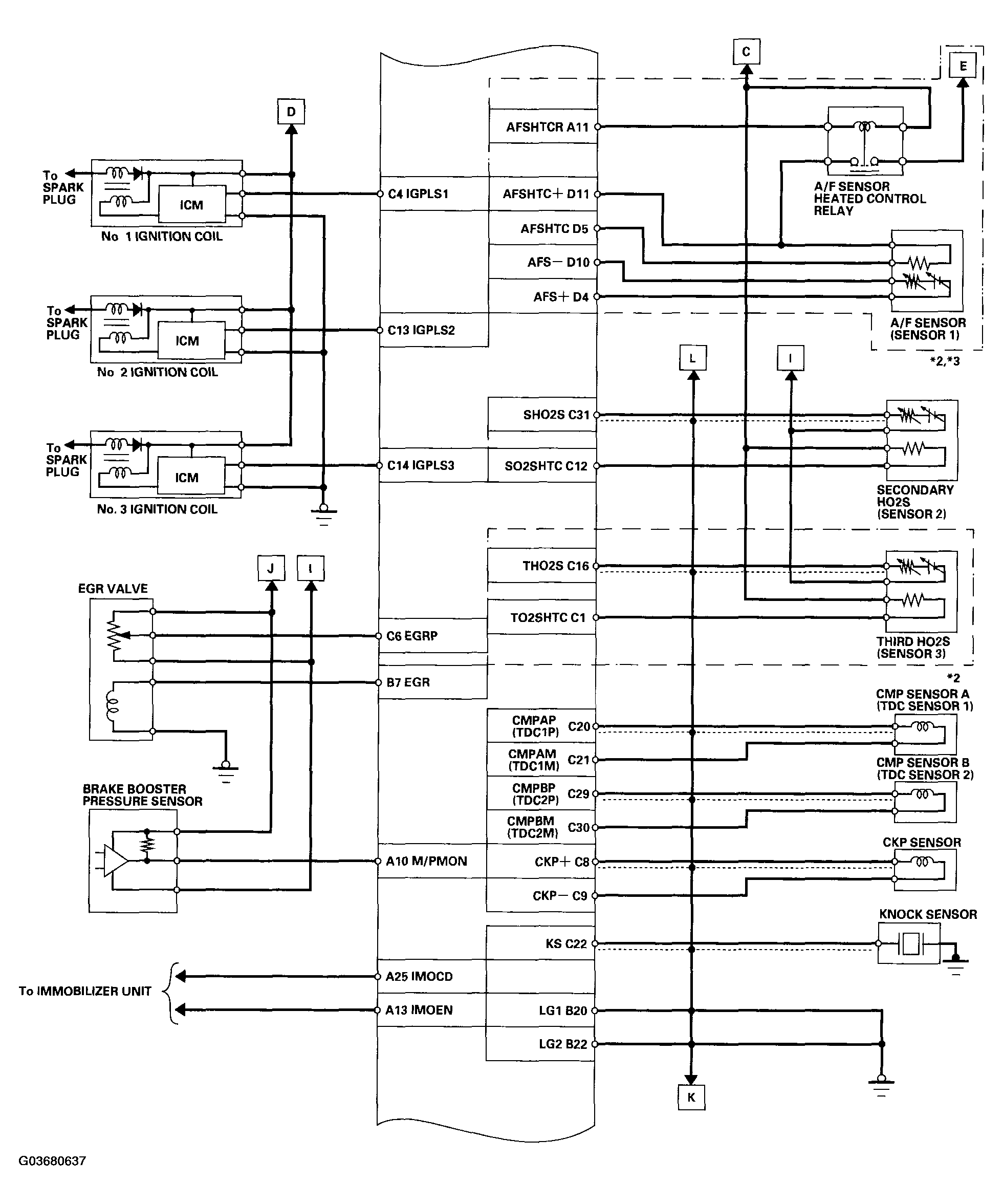
G03680637Courtesy of AMERICAN HONDA MOTOR CO., INC.
Fig 4: ECM Electrical Connections Description (2000-2004 Models) (4 Of 5)
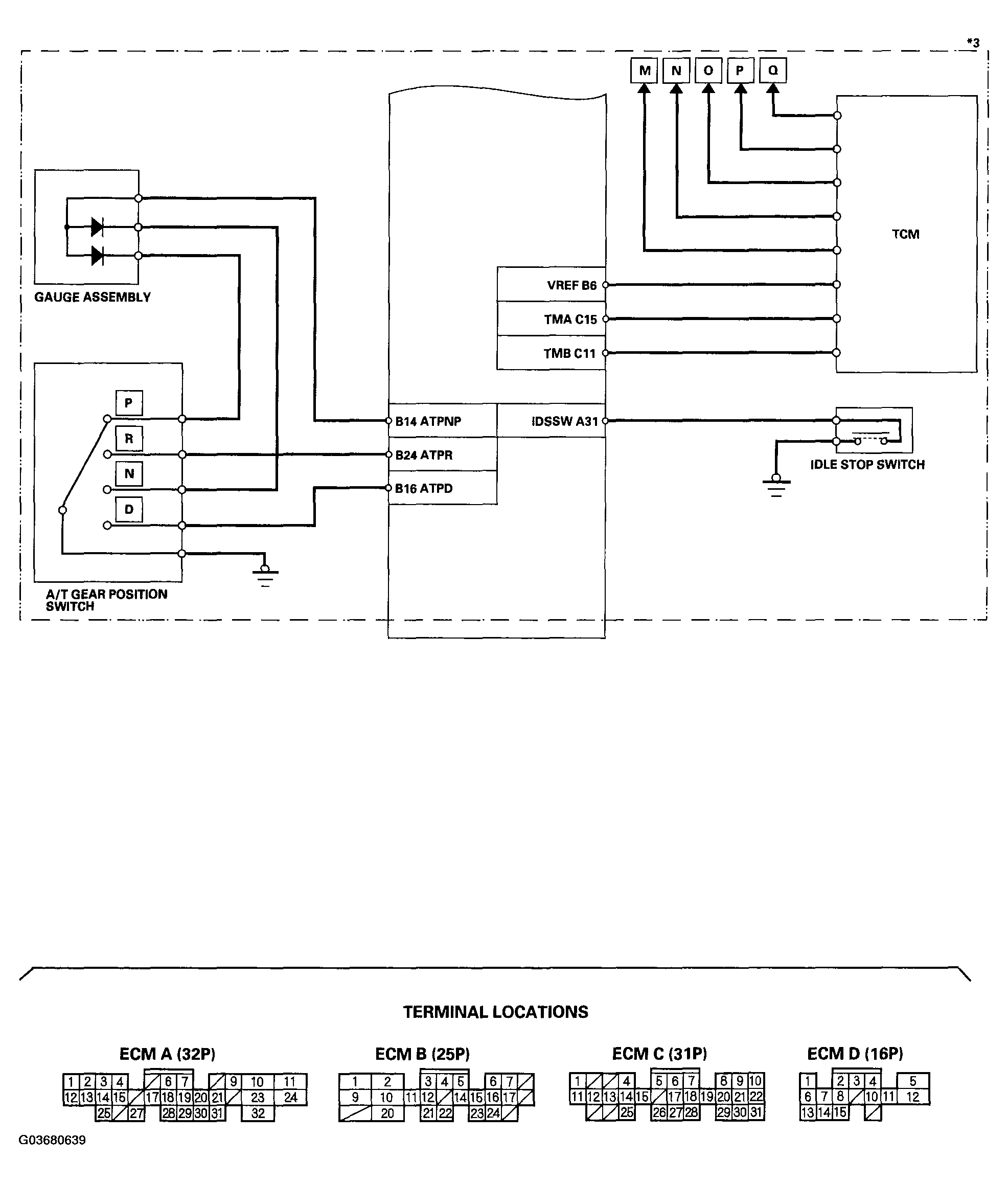
G03680638Courtesy of AMERICAN HONDA MOTOR CO., INC.
Fig 5: ECM Electrical Connections Description (2000-2004 Models) (5 Of 5)
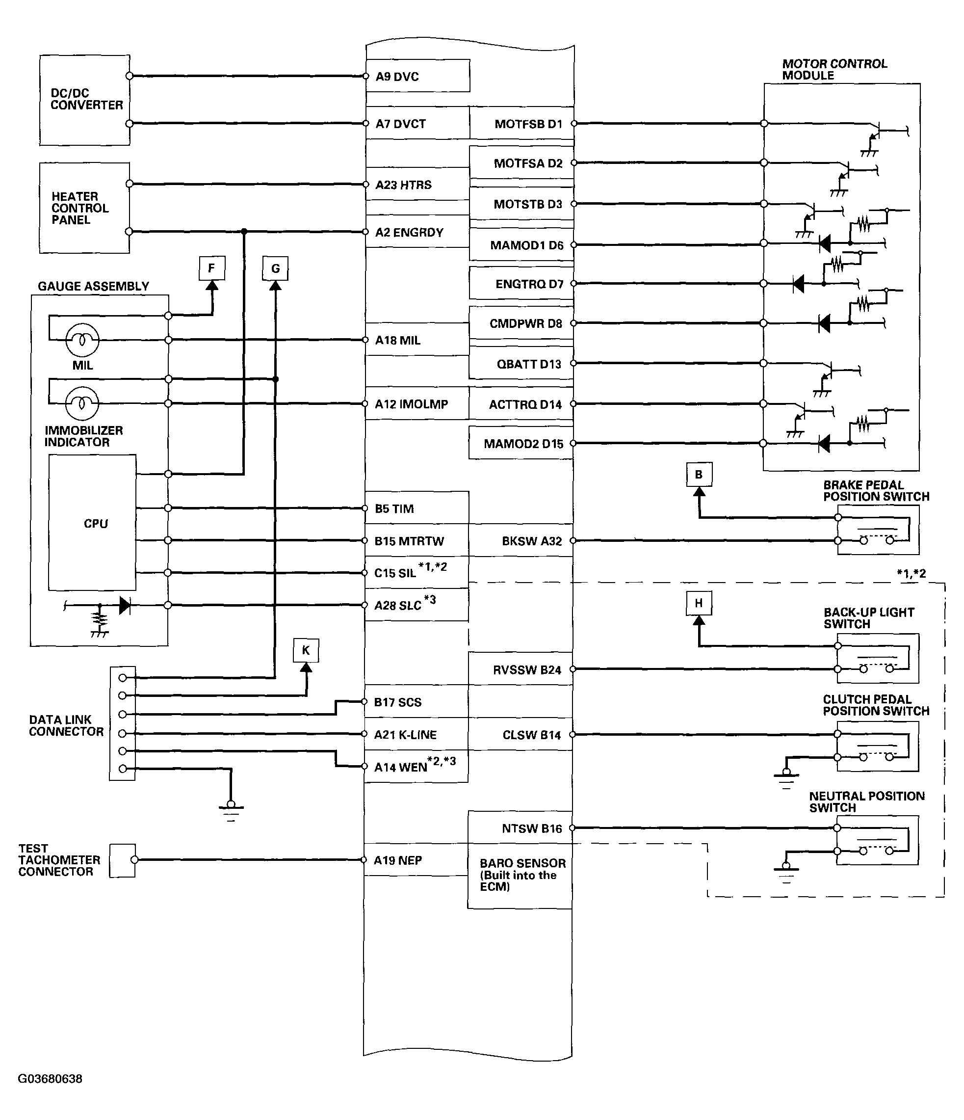
G03680639Courtesy of AMERICAN HONDA MOTOR CO., INC.