LEMON Manuals: Even more car manuals for everyone: 1960-2025
Home >> Honda >> 2000 >> Insight >> Repair and Diagnosis >> Engine Performance >> System >> Fuel Supply System >> Fuel Pressure Regulator Replacement >> CVT model, 2006 M/T model
April 5, 2026: LEMON Manuals is launched! Read the announcement.

CVT model, 2006 M/T model

  1. Remove the fuel tank unit (see CVT MODEL, 2006 M/T MODEL  ).
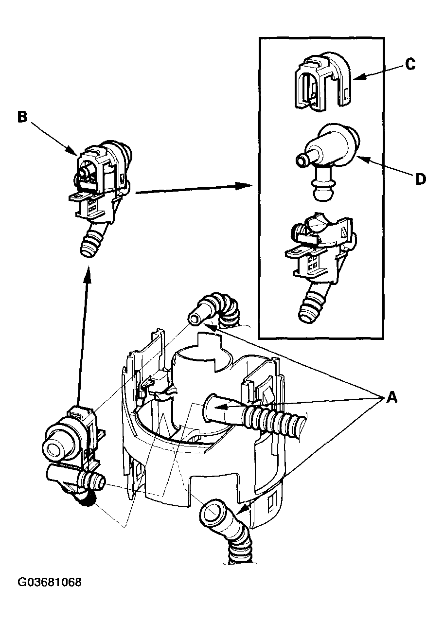
  2. Disconnect the tubes (A) from the fuel pressure regulator assembly (B).
    Fig 1: Disconnecting Tubes From Fuel Pressure Regulator Assembly
    G03681068Courtesy of AMERICAN HONDA MOTOR CO., INC.
  3. Remove the pressure regulator bracket (C) and the fuel pressure regulator (D).
  4. Install the parts in the reverse order of removal.