LEMON Manuals: Even more car manuals for everyone: 1960-2025
Home >> Honda >> 2000 >> Insight >> Repair and Diagnosis >> Hybrid/Electric Powertrain >> Testing and Diagnosis >> IMA System >> Power Control Unit (PCU) Removal/Installation
April 5, 2026: LEMON Manuals is launched! Read the announcement.

Power Control Unit (PCU) Removal/Installation

IMA system components are located in this area. The IMA system is a high-voltage system. You must be familiar with the IMA system before working on or around it. Make sure you have read the Service Precautions before performing repairs or service (see SERVICE PRECAUTIONS ).

  1. Turn the ignition switch OFF.
  2. Remove the cargo floor mat (see TRIM REMOVAL/INSTALLATION - CARGO AREA ).
  3. Remove the battery module switch cover (A) from the IPU lid, and remove the locking cover (B).
    Fig 1: Removing Battery Module Switch Cover From IPU Lid
    G03681490Courtesy of AMERICAN HONDA MOTOR CO., INC.
  4. Turn the battery module switch (A) OFF, then install the locking cover (B).
    Fig 2: Turning Battery Module Switch OFF
    G03681491Courtesy of AMERICAN HONDA MOTOR CO., INC.
  5. Wait for at least 5 minutes to allow the PCU capacitors to discharge.
  6. Disconnect the negative cable from the 12 V battery in the engine compartment.
  7. Remove the trunk right side shelf support (A).
    Fig 3: Removing Trunk Right Side Shelf Support
    G03681492Courtesy of AMERICAN HONDA MOTOR CO., INC.
  8. Remove the mid-frame cover clips and the IPU lid (A).
    Fig 4: Removing Mid-Frame Cover Clips And IPU Lid
    G03681493Courtesy of AMERICAN HONDA MOTOR CO., INC.
  9. Measure voltage at the junction board terminals (A). There should be 30 V or less. If more than 30 V is present, there is a problem in the circuit; do the DTC troubleshooting before continuing.
    Fig 5: Measuring Voltage At Junction Board Terminals
    G03681494Courtesy of AMERICAN HONDA MOTOR CO., INC.
  10. Remove the foam inserts.
  11. Remove the mid-frame (A), then remove the front and rear IPU braces (B) from the junction board.
    Fig 6: Removing Mid-Frame And Front & Rear IPU Braces
    G03681495Courtesy of AMERICAN HONDA MOTOR CO., INC.
  12. Disconnect the high-voltage cables (C) from the output terminals on the junction board, and wrap them with insulating tape.
  13. Disconnect the connector (A) from the rear of the cooling fan assembly (B), and remove the harness clip from the fan shroud (C).
    Fig 7: Disconnecting Connector From Rear Of Cooling Fan Assembly
    G03681496Courtesy of AMERICAN HONDA MOTOR CO., INC.
  14. Remove the four fan bolts (D), and remove the fan bracket (E).
  15. Remove the fan duct (F) from the fan (B), and remove the fan.
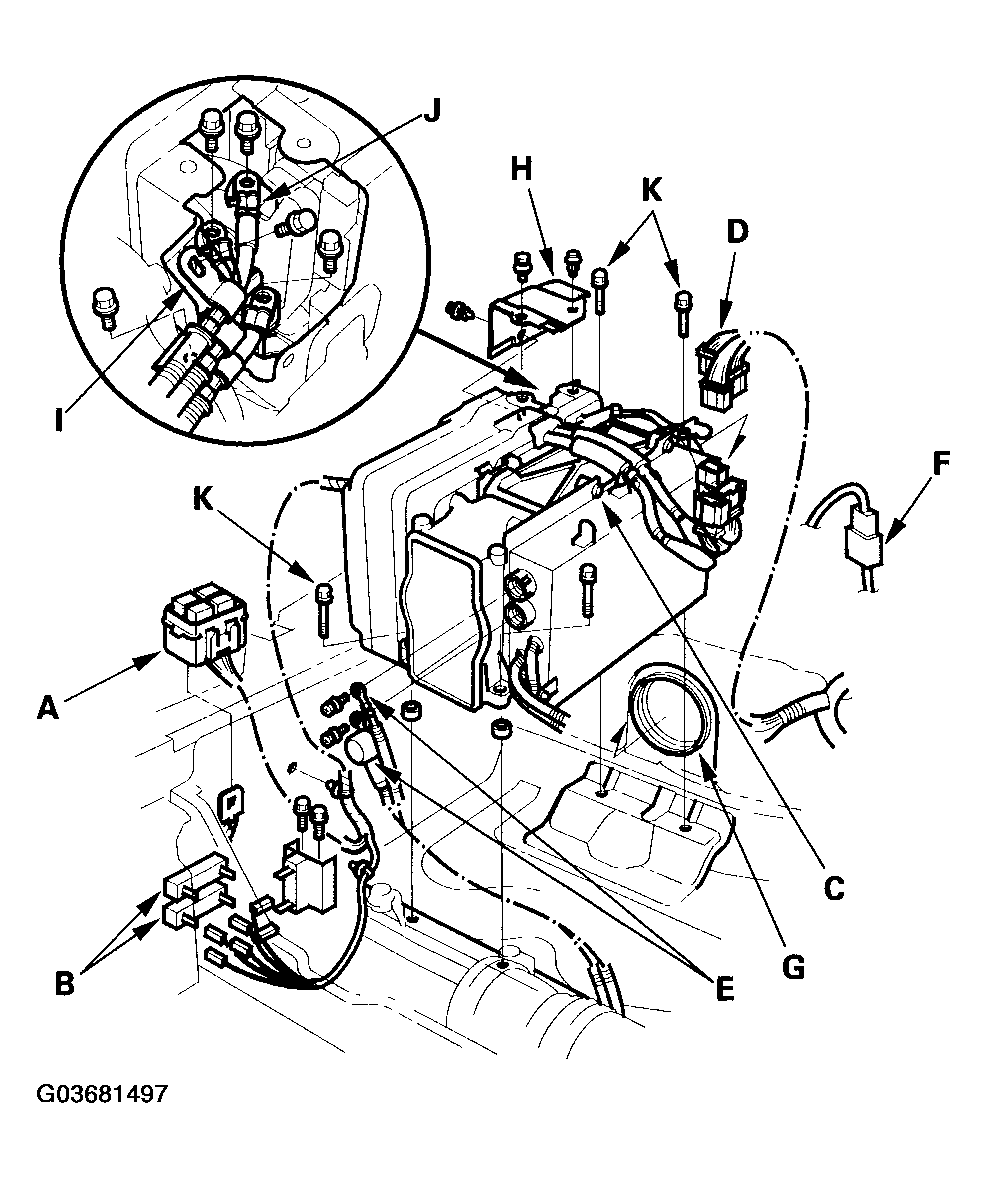
  16. Lift the relay pack (A) from its holder. Disconnect the harness from the resistors (B), and remove the two harness clips from the panel.
    Fig 8: Lifting Relay Pack From Holder
    G03681497Courtesy of AMERICAN HONDA MOTOR CO., INC.
  17. Disconnect the Y condenser ground (C).
  18. Disconnect the connector (D) from the PCU, and disconnect the 12 V battery cables (E).
  19. Disconnect the high voltage DC-DC converter 2P connector (F).
  20. Pull the intake duct (G) away from the front of the PCU.
  21. Remove the PCU terminal cover (H), and remove the clip (I) and three bolts that hold the three-phase cables (J) in place.
  22. Remove the four PCU mounting bolts (K).
  23. Carefully lift the PCU from the vehicle, and set it on a flat surface.
  24. Install the PCU in the reverse order or removal.