LEMON Manuals: Even more car manuals for everyone: 1960-2025
Home >> Honda >> 2000 >> Odyssey Cargo >> Repair and Diagnosis >> Body & Frame >> Windows >> Power Windows >> Circuit Diagram
April 5, 2026: LEMON Manuals is launched! Read the announcement.

Circuit Diagram

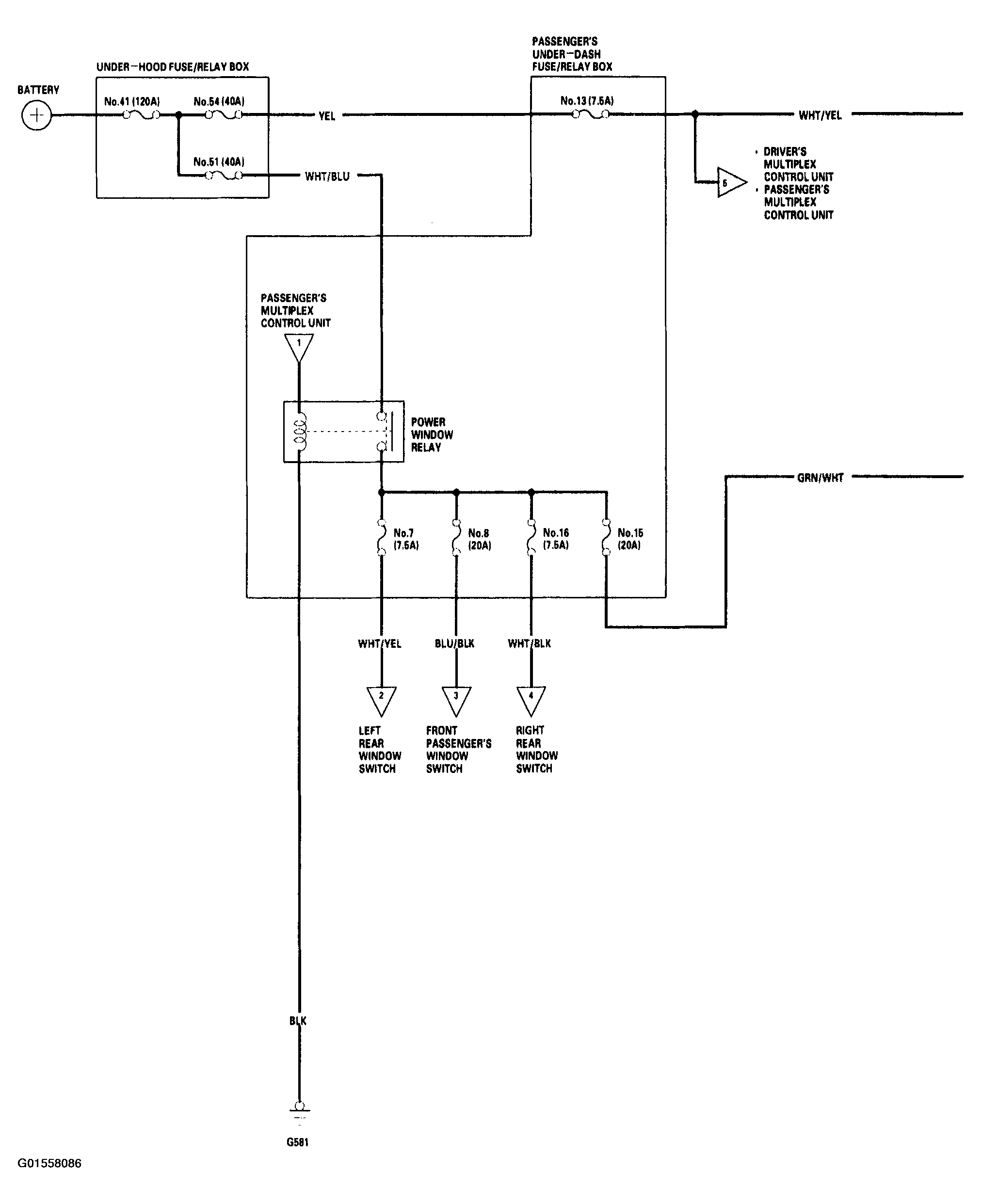
Fig 1: Power Window Circuit Diagram (1999 Model - 1 Of 4)
G01558086Courtesy of AMERICAN HONDA MOTOR CO., INC.
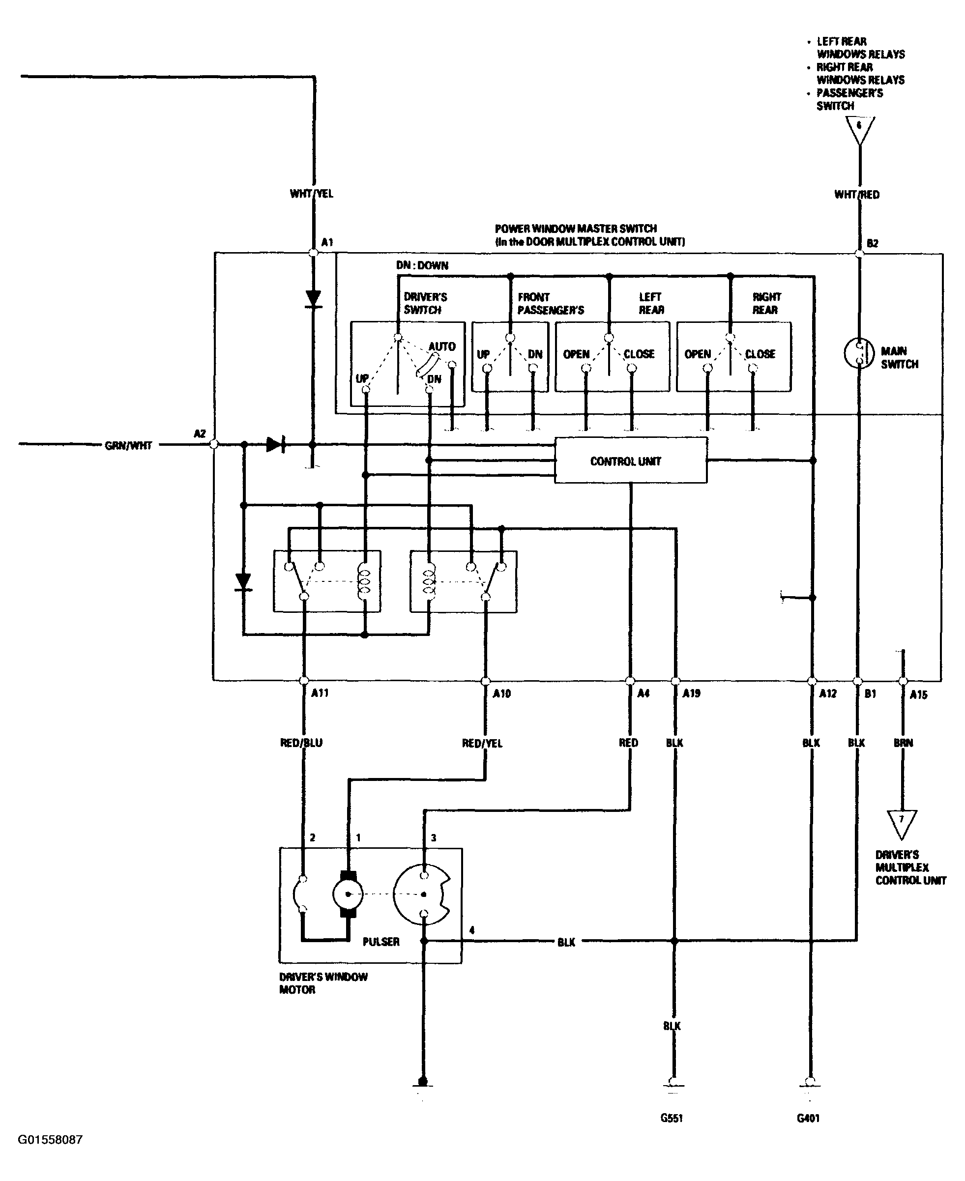
Fig 2: Power Window Circuit Diagram (1999 Model - 2 Of 4)
G01558087Courtesy of AMERICAN HONDA MOTOR CO., INC.
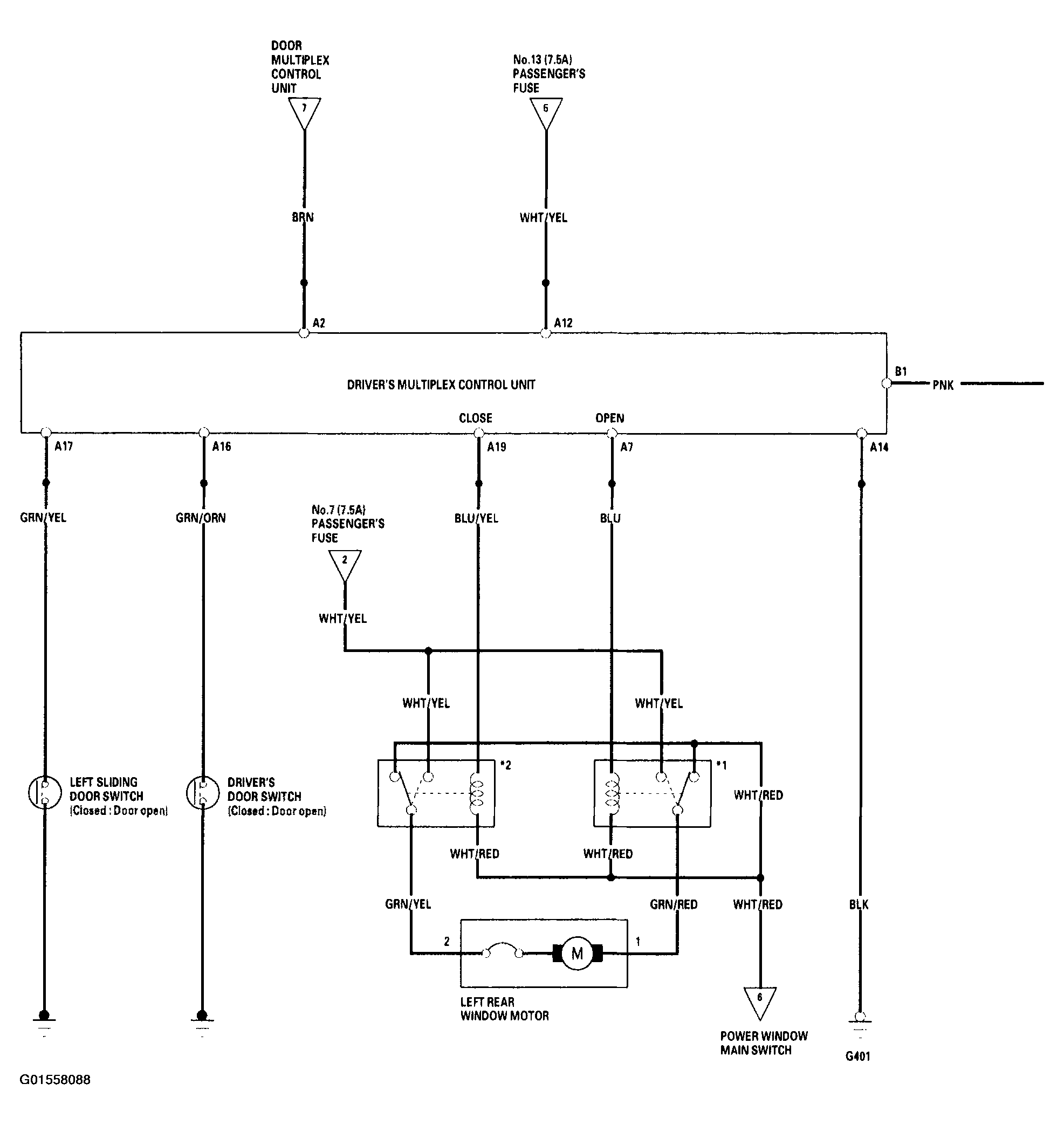
Fig 3: Power Window Circuit Diagram (1999 Model - 3 Of 4)
G01558088Courtesy of AMERICAN HONDA MOTOR CO., INC.
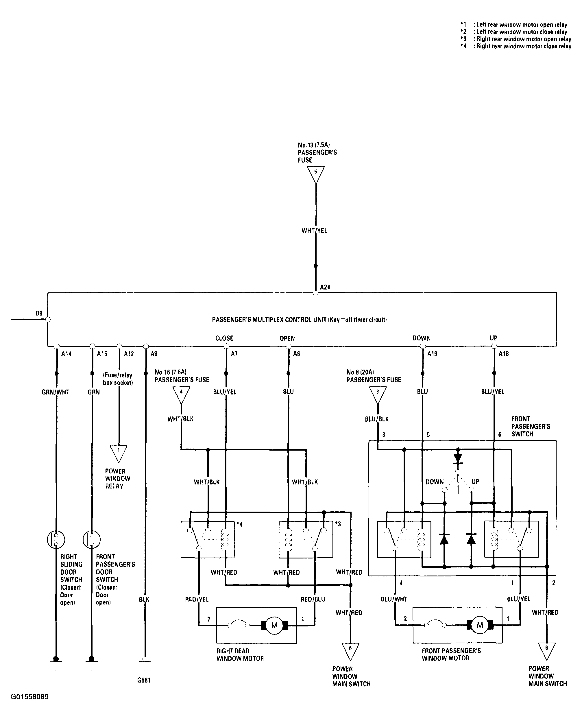
Fig 4: Power Window Circuit Diagram (1999 Model - 4 Of 4)
G01558089Courtesy of AMERICAN HONDA MOTOR CO., INC.
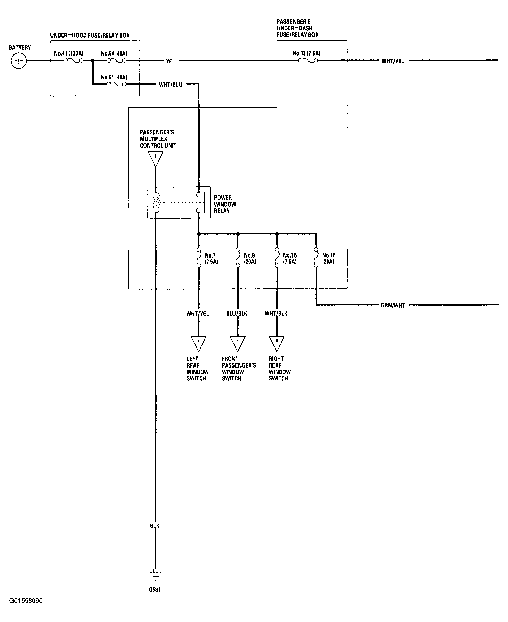
Fig 5: Power Window Circuit Diagram (2000-02 Models - 1 Of 4)
G01558090Courtesy of AMERICAN HONDA MOTOR CO., INC.
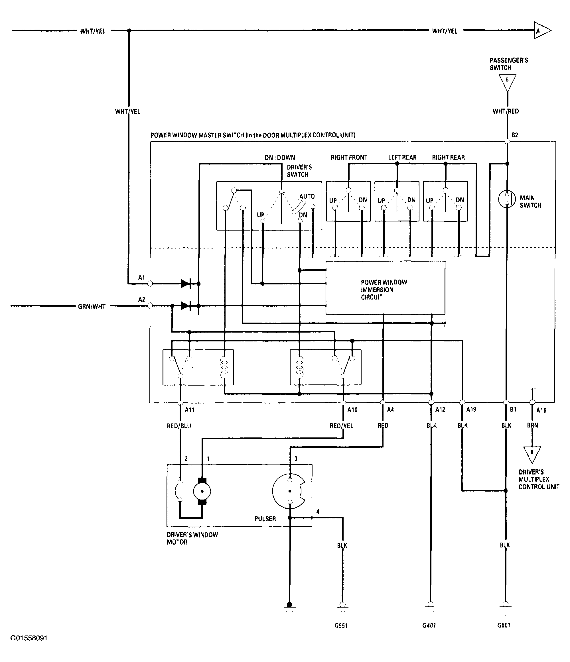
Fig 6: Power Window Circuit Diagram (2000-02 Models - 2 Of 4)
G01558091Courtesy of AMERICAN HONDA MOTOR CO., INC.
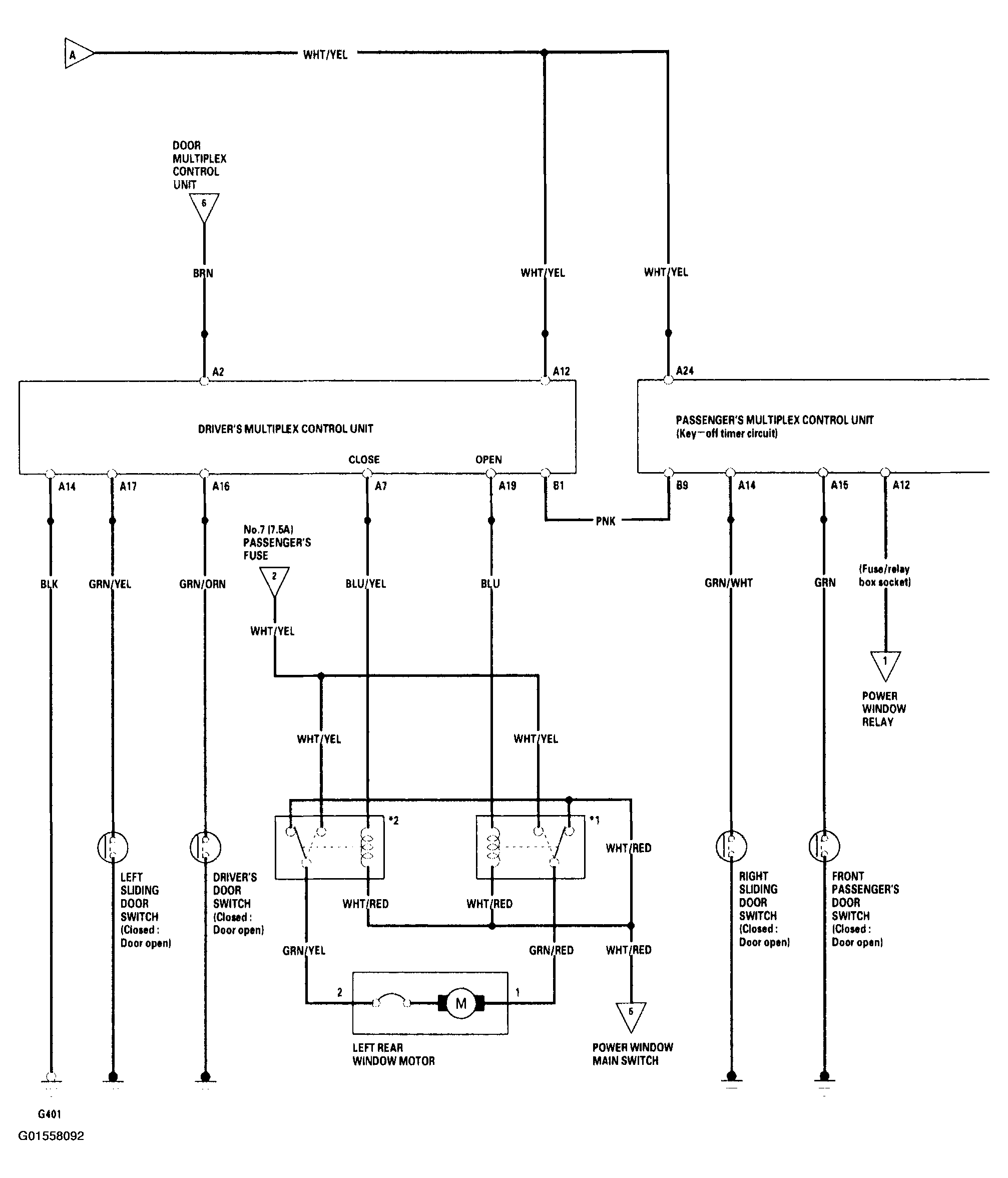
Fig 7: Power Window Circuit Diagram (2000-02 Models - 3 Of 4)
G01558092Courtesy of AMERICAN HONDA MOTOR CO., INC.
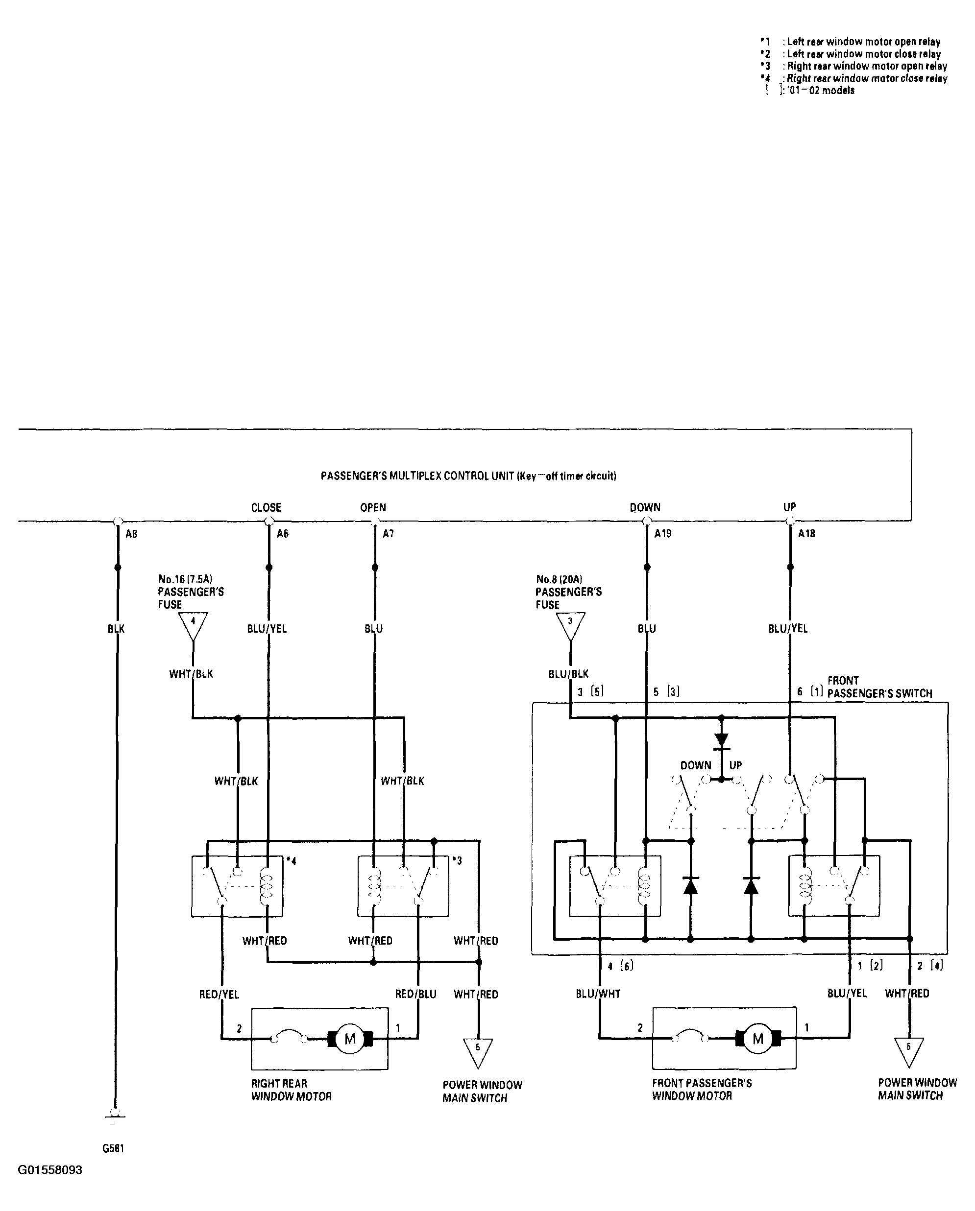
Fig 8: Power Window Circuit Diagram (2000-02 Models - 4 Of 4)
G01558093Courtesy of AMERICAN HONDA MOTOR CO., INC.
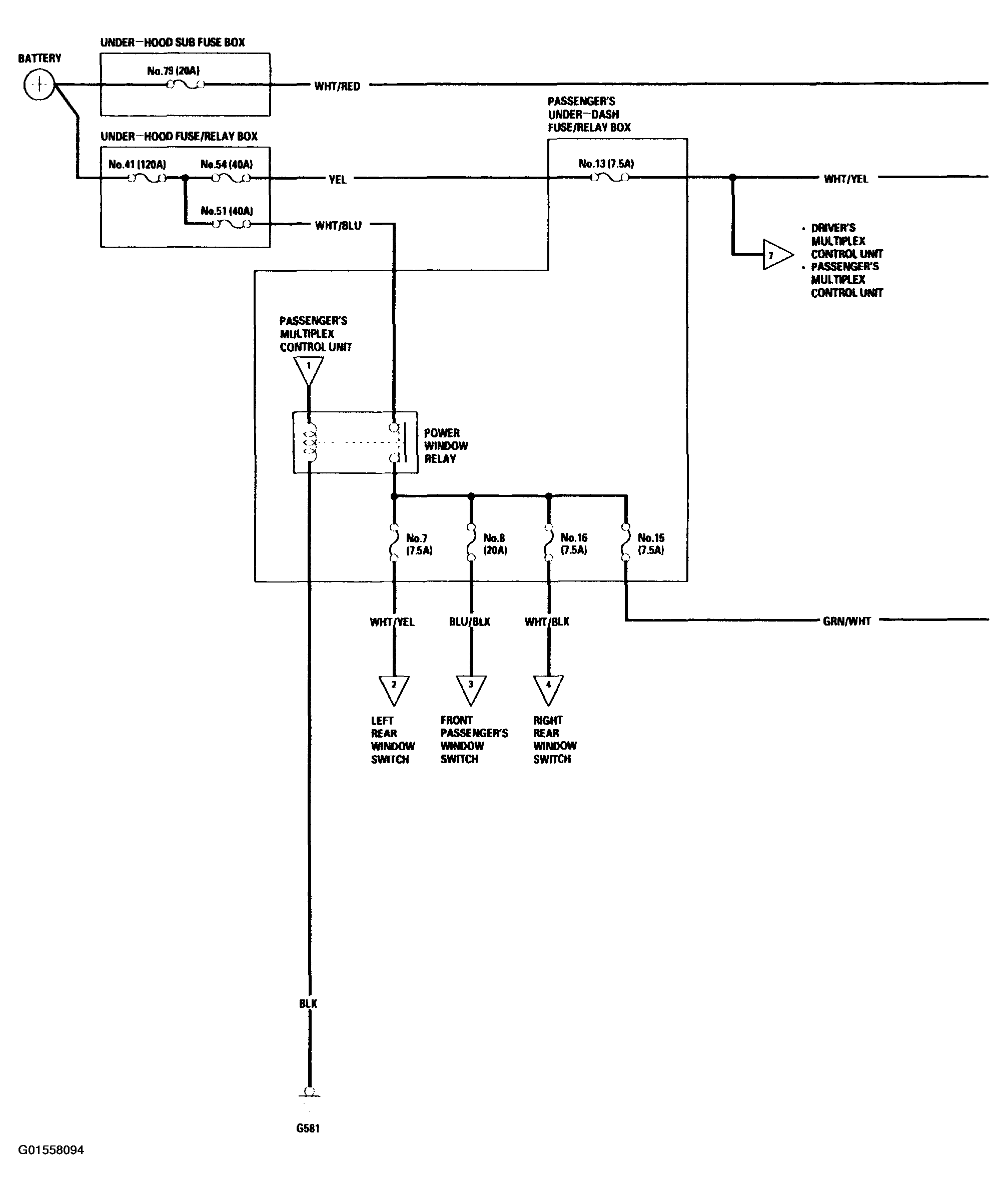
Fig 9: Power Window Circuit Diagram (2003-04 Models - 1 Of 4)
G01558094Courtesy of AMERICAN HONDA MOTOR CO., INC.
Fig 10: Power Window Circuit Diagram (2003-04 Models - 2 Of 4)
G01558095Courtesy of AMERICAN HONDA MOTOR CO., INC.
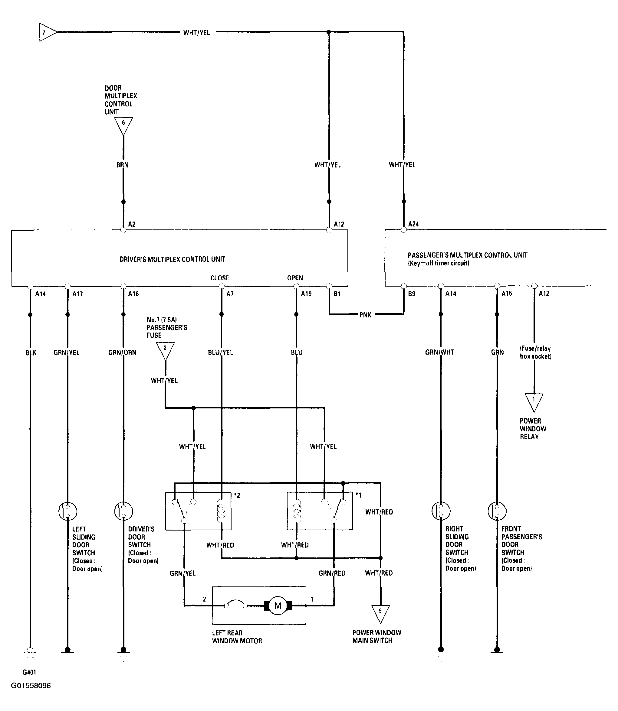
Fig 11: Power Window Circuit Diagram (2003-04 Models - 3 Of 4)
G01558096Courtesy of AMERICAN HONDA MOTOR CO., INC.
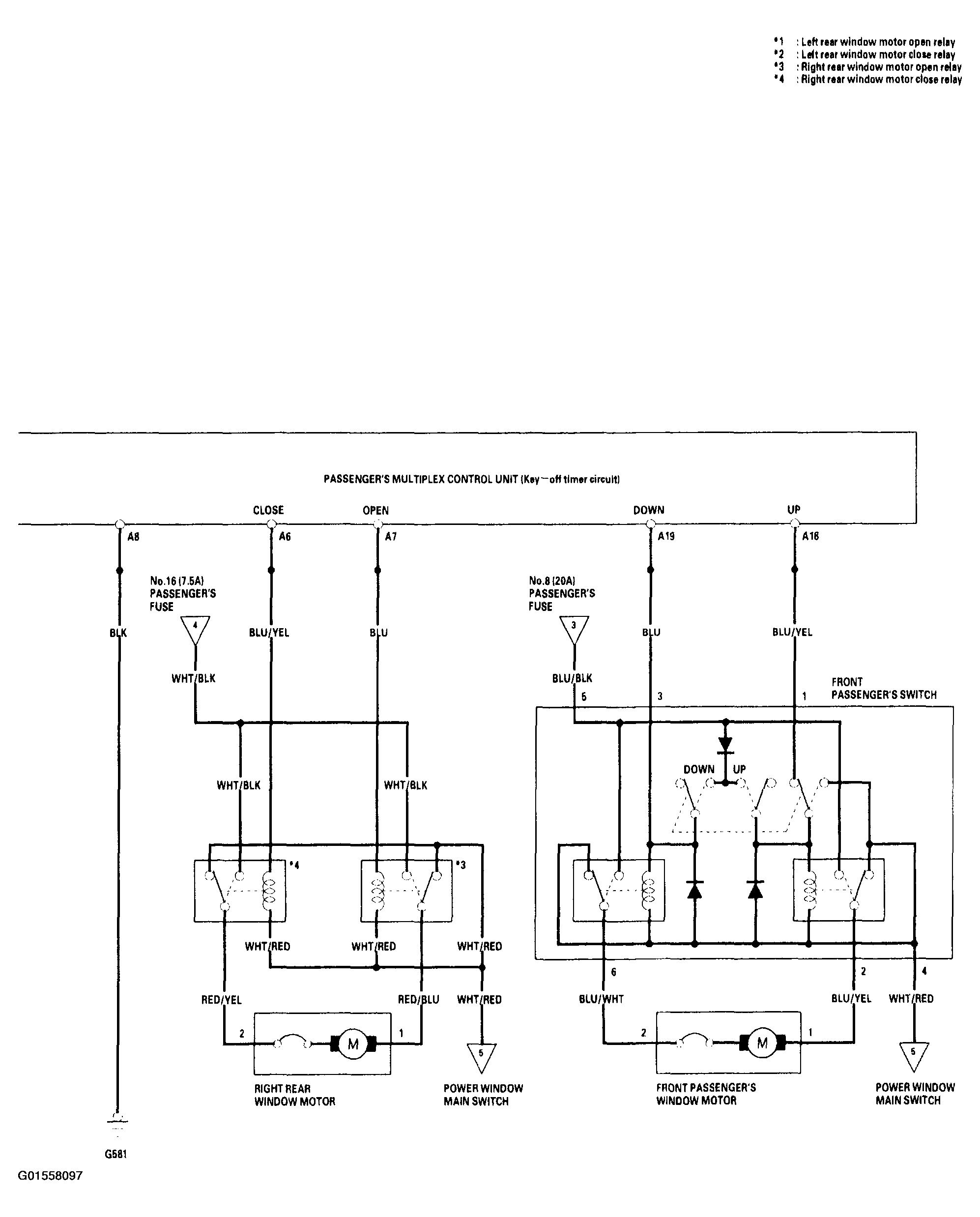
Fig 12: Power Window Circuit Diagram (2003-04 Models - 4 Of 4)
G01558097Courtesy of AMERICAN HONDA MOTOR CO., INC.