LEMON Manuals: Even more car manuals for everyone: 1960-2025
Home >> Honda >> 2000 >> Odyssey Cargo >> Repair and Diagnosis >> Brakes >> Anti-Lock/Traction Control >> Modulator Unit Removal and Installation >> Removal
April 5, 2026: LEMON Manuals is launched! Read the announcement.

Modulator Unit Removal and Installation: Removal

  1. Remove the intake air duct (see step 6 on REMOVAL ).
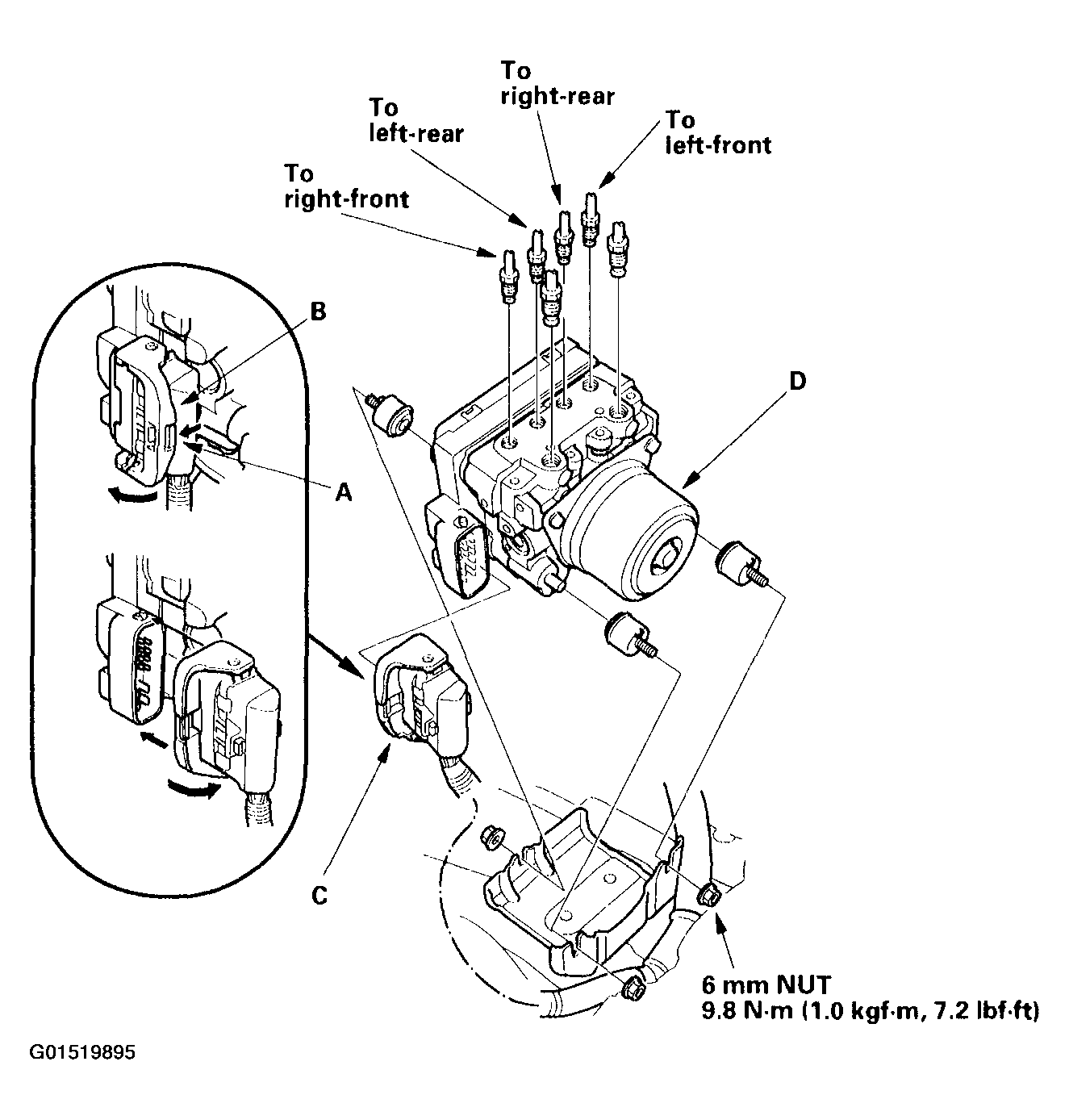
  2. Push the modulator unit connector lock (A), and turn the connector lever (B).
    Fig 1: Pushing Modulator Unit Connector Lock
    G01519895Courtesy of AMERICAN HONDA MOTOR CO., INC.
  3. Disconnect the modulator unit connector (C).
  4. Disconnect the brake lines, then remove the modulator unit (D).