LEMON Manuals: Even more car manuals for everyone: 1960-2025
Home >> Honda >> 2000 >> Odyssey Cargo >> Repair and Diagnosis >> Brakes >> Anti-Lock/Traction Control >> System Description >> Circuit Diagram
April 5, 2026: LEMON Manuals is launched! Read the announcement.

Circuit Diagram

Fig 1: ABS/TCS Circuit Diagram (1999-2000 Models - 1 Of 2)
G01519737Courtesy of AMERICAN HONDA MOTOR CO., INC.
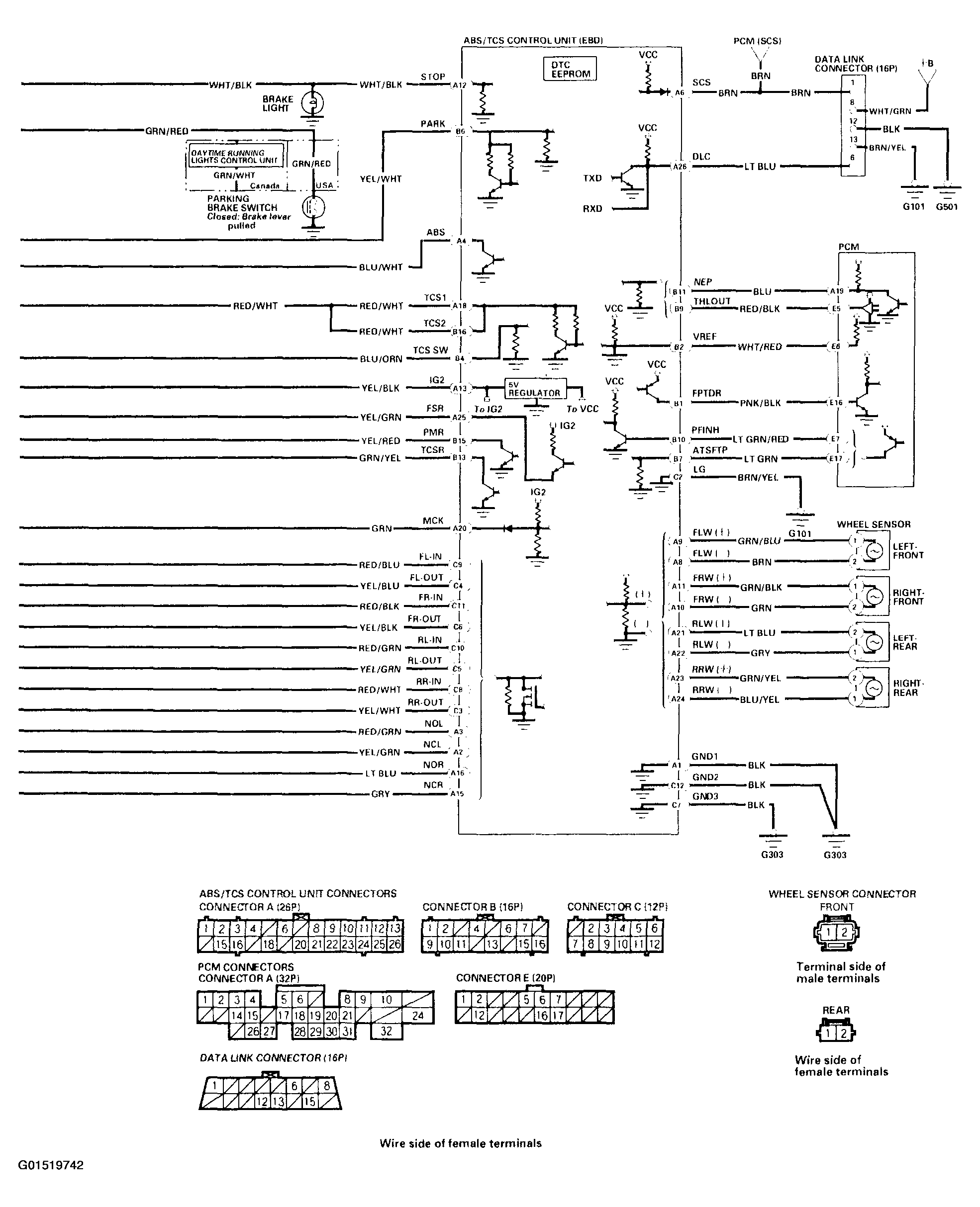
Fig 2: ABS/TCS Circuit Diagram (1999-2000 Models - (2 Of 2)
G01519738Courtesy of AMERICAN HONDA MOTOR CO., INC.
Fig 3: ABS/TCS Circuit Diagram (2001 Model - 1 Of 2)
G01519739Courtesy of AMERICAN HONDA MOTOR CO., INC.
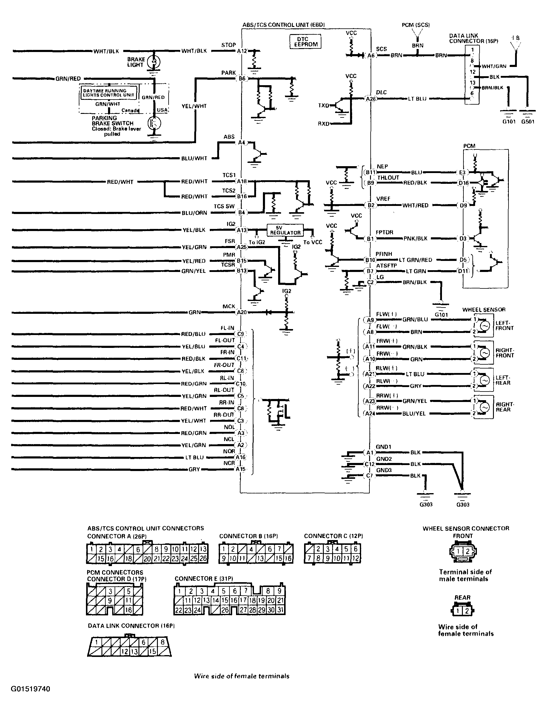
Fig 4: ABS/TCS Circuit Diagram (2001 Model - 2 Of 2)
G01519740Courtesy of AMERICAN HONDA MOTOR CO., INC.
Fig 5: ABS/TCS Circuit Diagram (2002-04 Models - 1 Of 2)
G01519741Courtesy of AMERICAN HONDA MOTOR CO., INC.
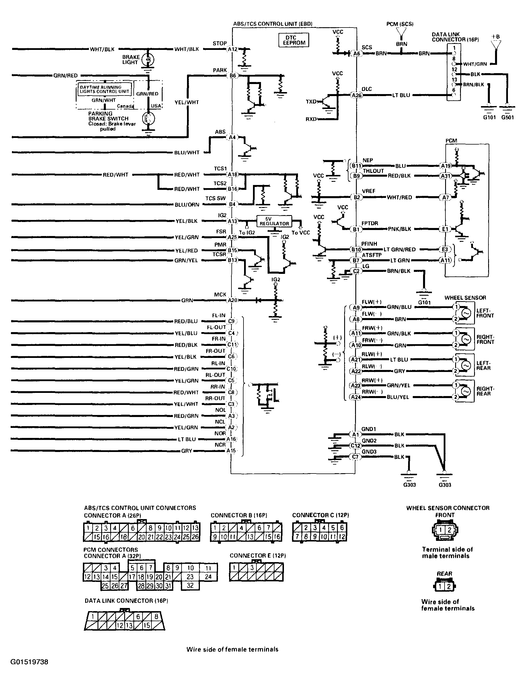
Fig 6: ABS/TCS Circuit Diagram (2002-04 Models - (2 Of 2)
G01519742Courtesy of AMERICAN HONDA MOTOR CO., INC.