LEMON Manuals: Even more car manuals for everyone: 1960-2025
Home >> Honda >> 2000 >> Odyssey Cargo >> Repair and Diagnosis >> Steering >> Steering Column >> Power Steering System >> Pump Replacement
April 5, 2026: LEMON Manuals is launched! Read the announcement.

Pump Replacement

  1. Place a suitable container under the vehicle.
  2. Drain the power steering fluid from the reservoir.
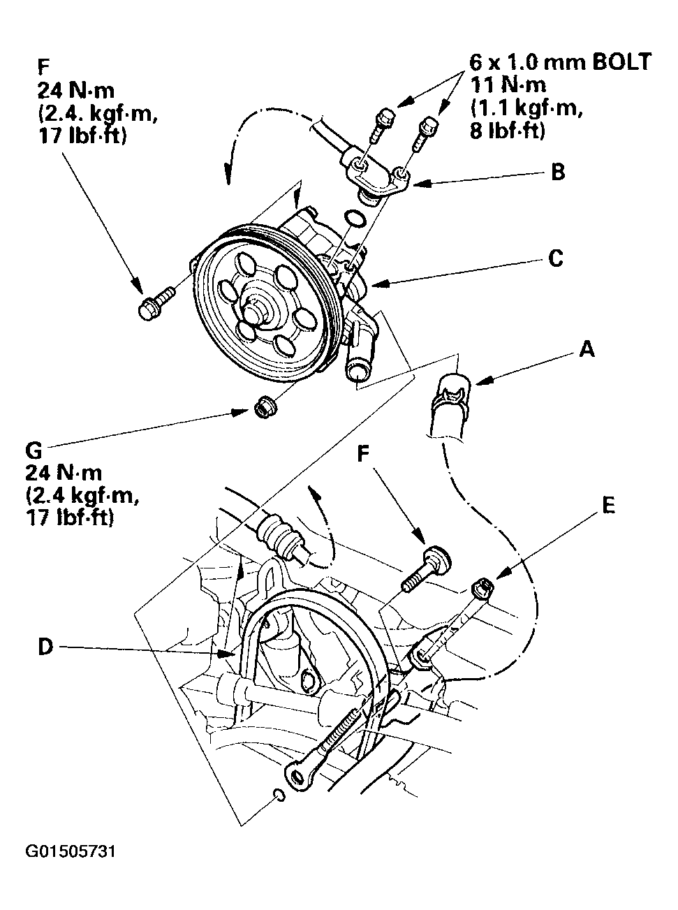
  3. Cover the crankshaft pulley with several shop towels to protect if from spilled power steering fluid. Disconnect the pump inlet hose (A) and pump outlet hose (B) from the pump (C), and plug them. Take care not to spill the fluid on the body or parts. Wipe off any spilled fluid at once.
    Fig 1: Disconnecting Pump Inlet Hose
    G01505731Courtesy of AMERICAN HONDA MOTOR CO., INC.
  4. Remove the belt (D) by loosening the pump adjusting nut (E), then remove pump mounting bolts (F), nut (G) and pump. Do not turn the steering wheel with pump removed.
  5. Connect the pump outlet hose and inlet hose to the new pump. Tighten the pump fittings securely.
  6. Loosely install the new pump in the pump bracket with the mounting bolts and nut.
  7. Install the pump belt (A) on the pulley (B).

    Note these items during belt installation:

    • Make sure that the power steering pump belt is properly positioned on the pulleys.
    • Do not get the power steering fluid or grease on the belt or pulley faces. Clean off any fluid or grease before installation.
    Fig 2: Installing Pump Belt On Pulley
    G01505732Courtesy of AMERICAN HONDA MOTOR CO., INC.
  8. Adjust the pump belt adjustment (see Pump Belt Inspection and Adjustment  ).
  9. Fill the reservoir to the upper level line with the recommended power steering fluid (see Fluid Replacement  ).