LEMON Manuals: Even more car manuals for everyone: 1960-2025
Home >> Honda >> 2000 >> Odyssey EX >> Repair and Diagnosis >> Engine Performance >> System >> Fuel & Emissions Systems >> System Descriptions >> PCM Electrical Connections >> '01 Model
April 5, 2026: LEMON Manuals is launched! Read the announcement.

'01 Model

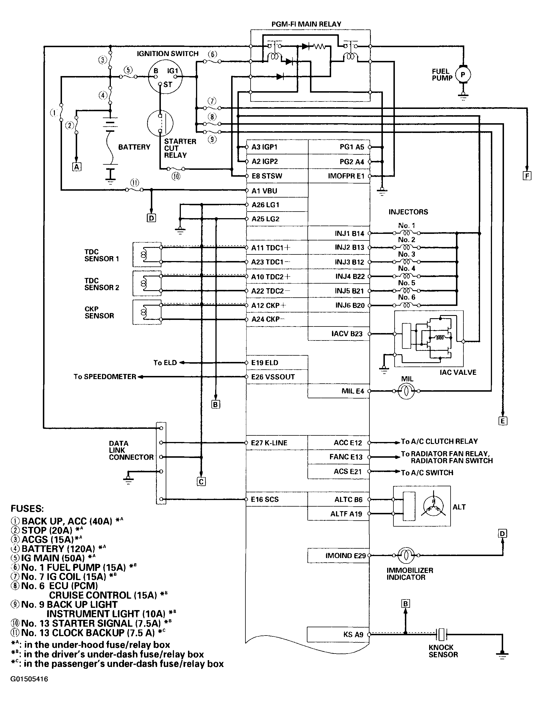
Fig 1: PCM Electrical Connections Wiring Diagram (1 Of 3)
G01505416Courtesy of AMERICAN HONDA MOTOR CO., INC.
Fig 2: PCM Electrical Connections Wiring Diagram (2 Of 3)
G01505417Courtesy of AMERICAN HONDA MOTOR CO., INC.
Fig 3: PCM Electrical Connections Wiring Diagram (3 Of 3)
G01505418Courtesy of AMERICAN HONDA MOTOR CO., INC.