LEMON Manuals: Even more car manuals for everyone: 1960-2025
Home >> Honda >> 2000 >> S2000 >> Repair and Diagnosis >> Electrical >> Horns >> Circuit Diagram
April 5, 2026: LEMON Manuals is launched! Read the announcement.

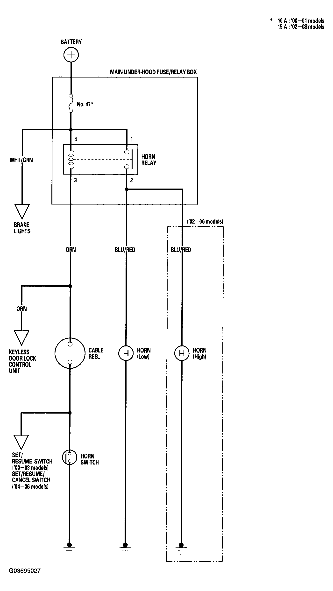
Circuit Diagram

Fig 1: Identifying Horn Circuit Diagram
G03695027Courtesy of AMERICAN HONDA MOTOR CO., INC.