LEMON Manuals: Even more car manuals for everyone: 1960-2025
Home >> Honda >> 2000 >> S2000 >> Repair and Diagnosis >> External Pages >> Different car >> Section 9 (Heating System) >> Circuit Diagram
April 5, 2026: LEMON Manuals is launched! Read the announcement.

Circuit Diagram

WARNING: This page is about a different car, the 2009 Honda S2000 and 2008 Honda S2000. However, it is still accessible from the selected car via links, so may be relevant.
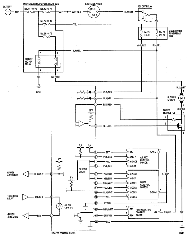
Fig 1: Heater Control Panel Circuit Diagram
G05115895Courtesy of AMERICAN HONDA MOTOR CO., INC.