LEMON Manuals: Even more car manuals for everyone: 1960-2025
Home >> Honda >> 2001 >> Accord Value Package >> Repair and Diagnosis >> Body & Frame >> Windows >> Multiplex Control System >> Circuit Diagram (Power, Ground, Communication Lines)
April 5, 2026: LEMON Manuals is launched! Read the announcement.

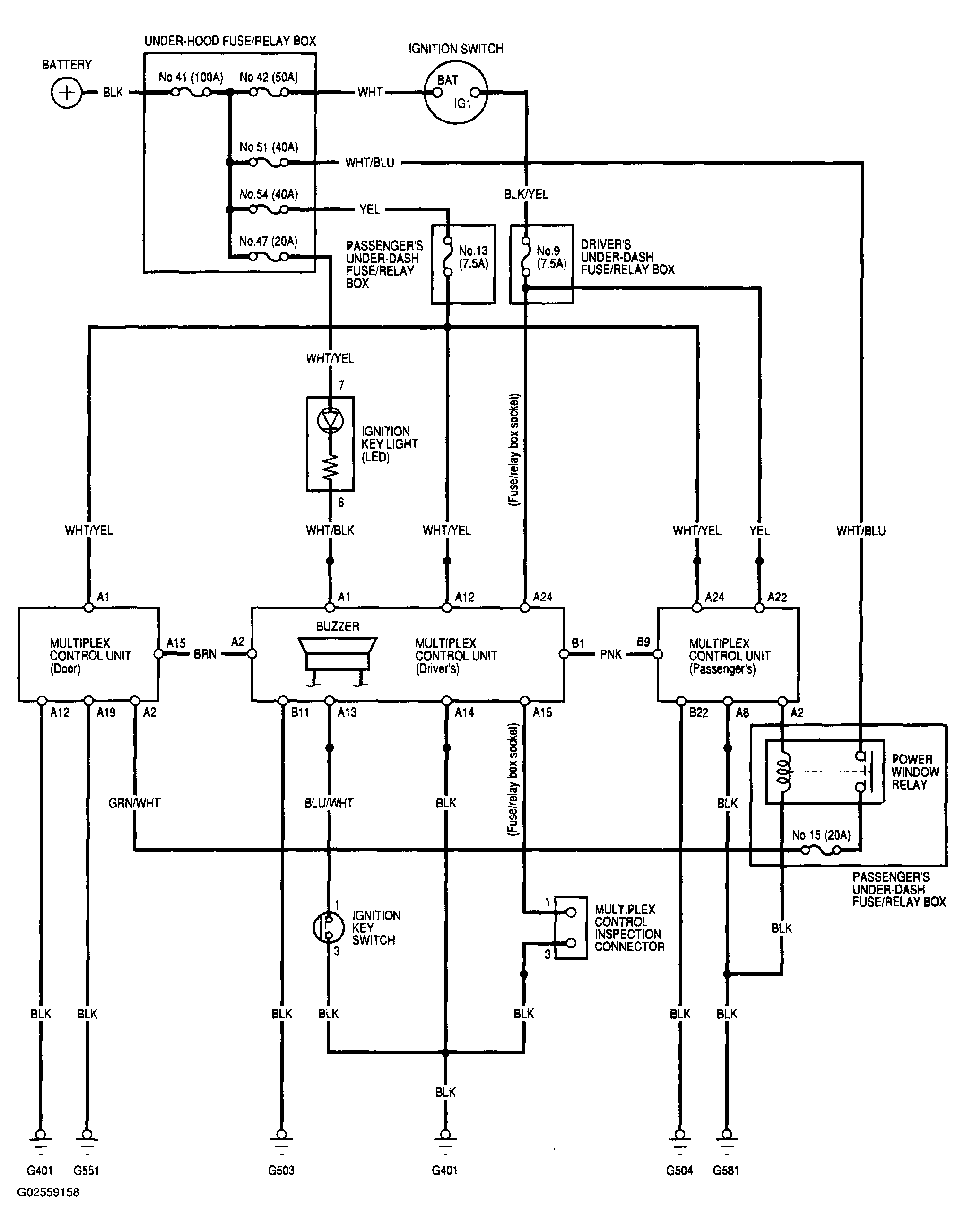
Circuit Diagram (Power, Ground, Communication Lines)

Fig 1: Multiplex Control System Circuit Diagram
G02559158Courtesy of AMERICAN HONDA MOTOR CO., INC.