LEMON Manuals: Even more car manuals for everyone: 1960-2025
Home >> Honda >> 2002 >> Accord Value Package >> Repair and Diagnosis (Single Page) >> Body & Frame >> Door Locks >> Keyless Entry System/Security Alarm System & Power Door Lock System >> Keyless Entry/Security Alarm System >> Circuit Diagram
April 5, 2026: LEMON Manuals is launched! Read the announcement.

Circuit Diagram

Fig 1: Locating Keyless Entry/Security Alarm System Circuit Diagram (1 Of 5)
G02559287Courtesy of AMERICAN HONDA MOTOR CO., INC.
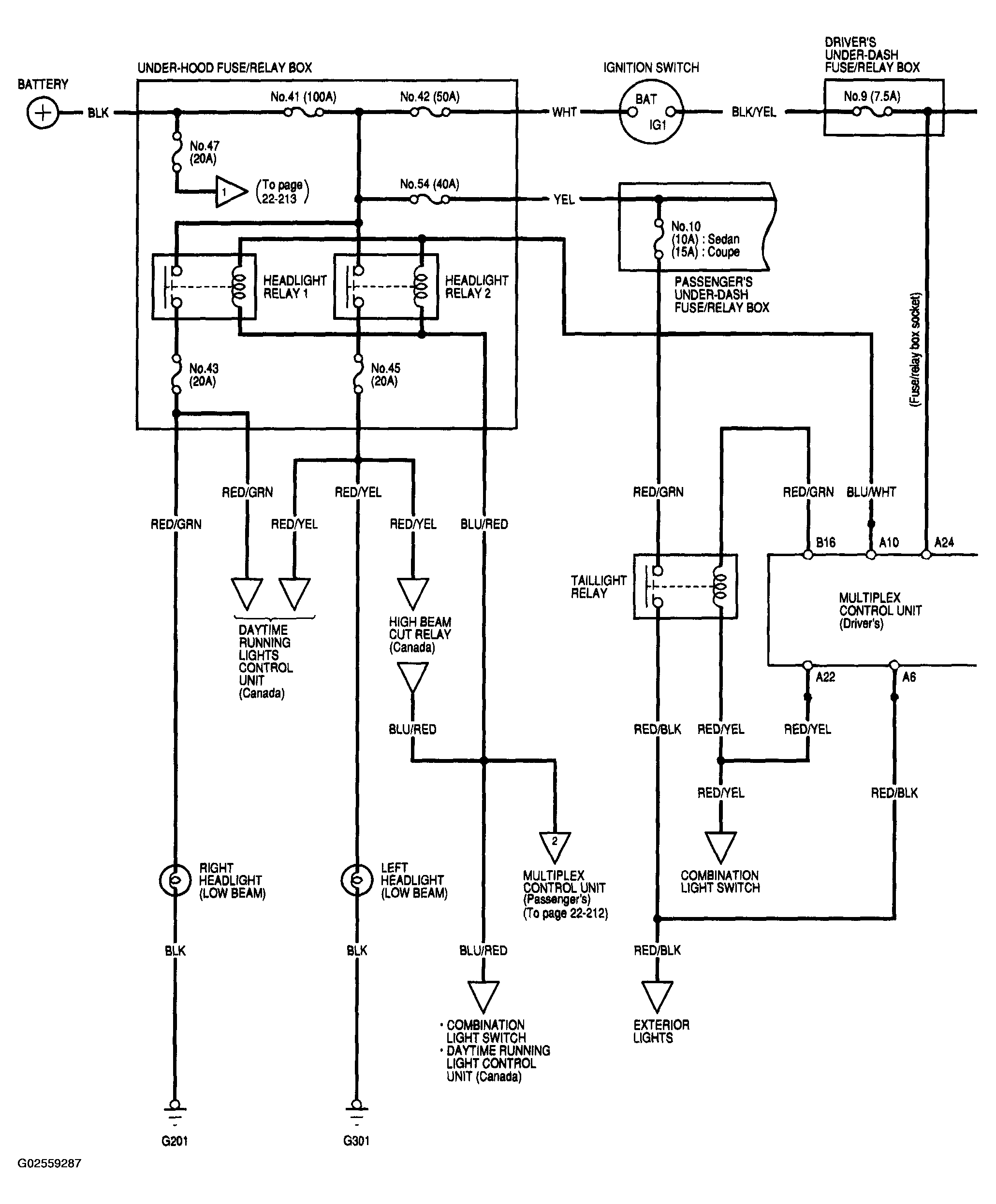
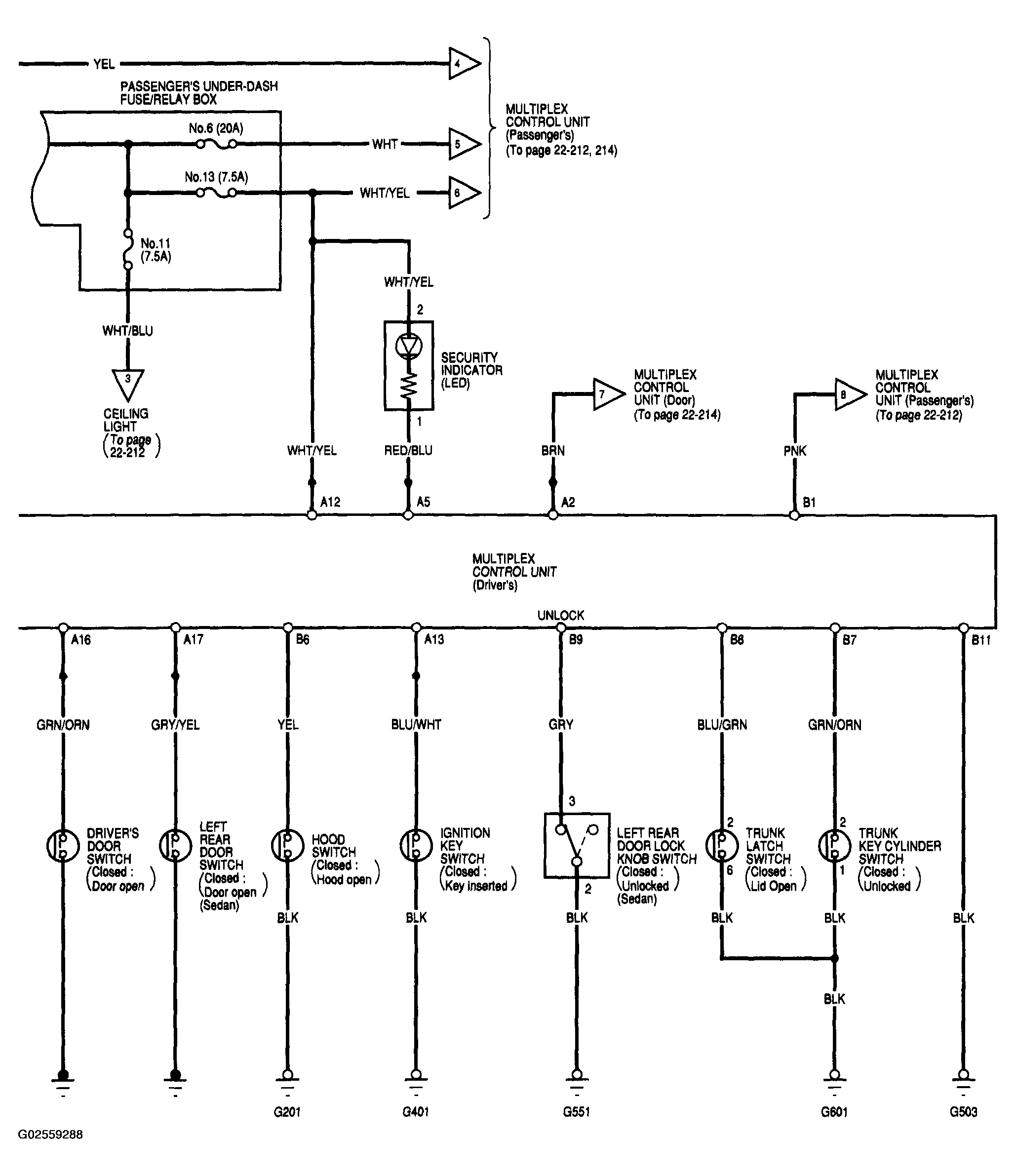
Fig 2: Locating Keyless Entry/Security Alarm System Circuit Diagram (2 Of 5)
G02559288Courtesy of AMERICAN HONDA MOTOR CO., INC.
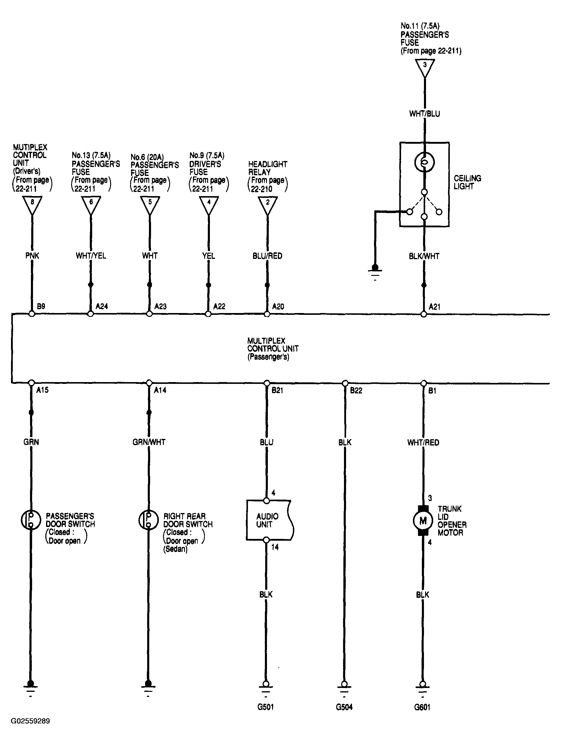
Fig 3: Locating Keyless Entry/Security Alarm System Circuit Diagram (3 Of 5)
G02559289Courtesy of AMERICAN HONDA MOTOR CO., INC.
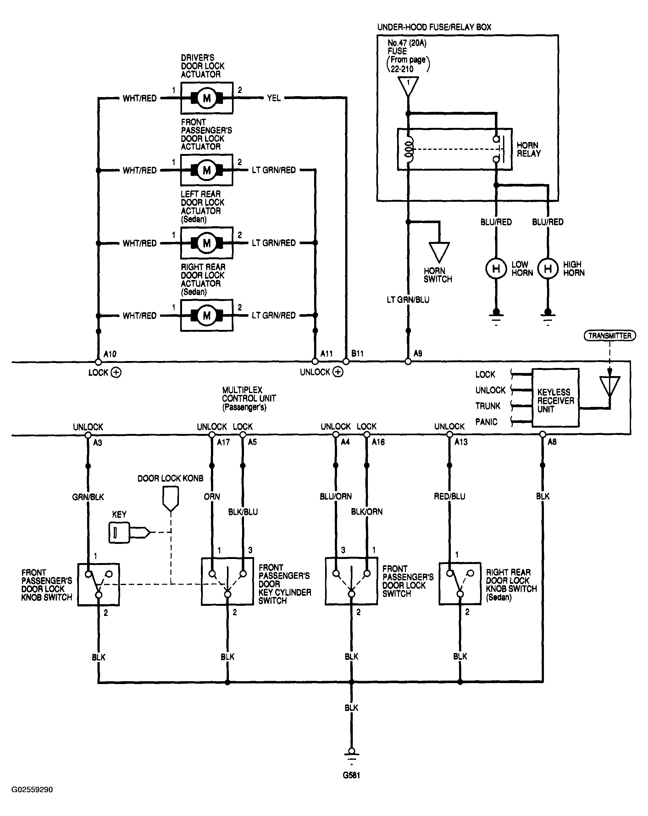
Fig 4: Locating Keyless Entry/Security Alarm System Circuit Diagram (4 Of 5)
G02559290Courtesy of AMERICAN HONDA MOTOR CO., INC.
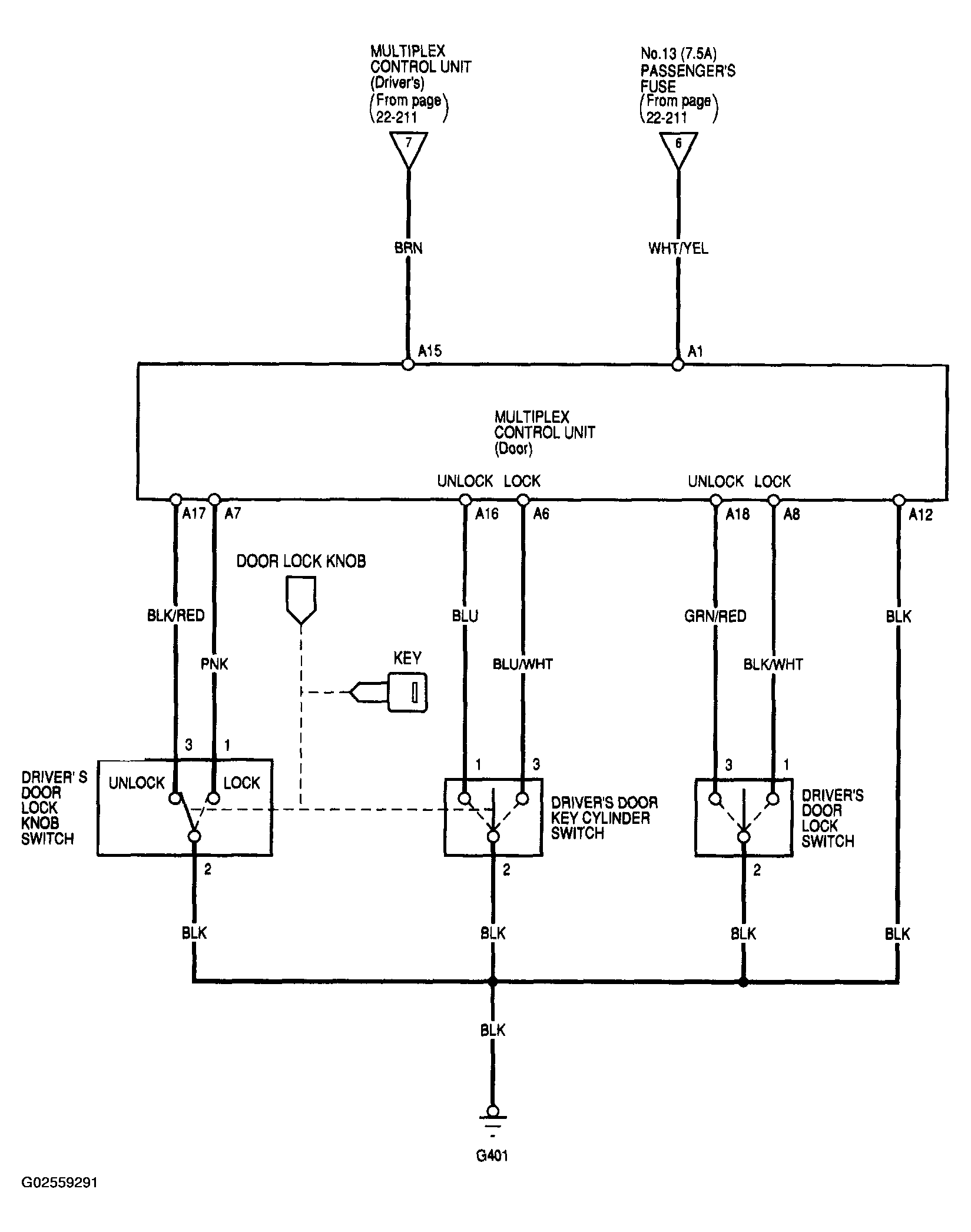
Fig 5: Locating Keyless Entry/Security Alarm System Circuit Diagram (5 Of 5)
G02559291Courtesy of AMERICAN HONDA MOTOR CO., INC.