LEMON Manuals: Even more car manuals for everyone: 1960-2025
Home >> Honda >> 2002 >> CR-V LX 2WD L4-2.4L >> Repair and Diagnosis >> Diagrams >> Exploded Views >> Cooling System >> System Diagram
April 5, 2026: LEMON Manuals is launched! Read the announcement.

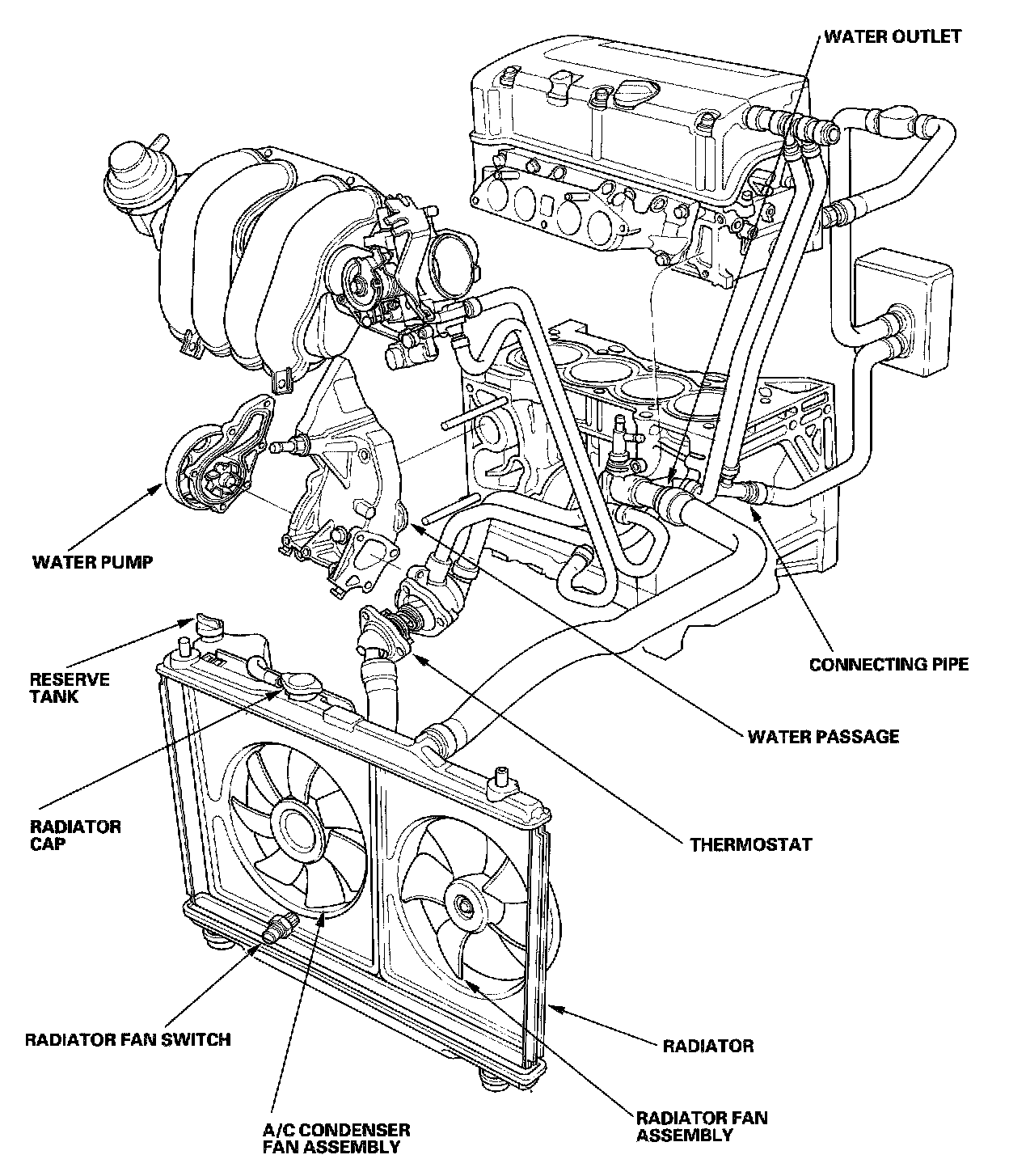
System Diagram