LEMON Manuals: Even more car manuals for everyone: 1960-2025
Home >> Honda >> 2003 >> Accord L4-2.4L >> Repair and Diagnosis >> Powertrain Management >> Computers and Control Systems >> Information Bus >> Description and Operation >> System Description
April 5, 2026: LEMON Manuals is launched! Read the announcement.

System Description

System Descriptions




Body Controller Area Network (B-CAN) and Fast Controller Area Network (F-CAN)

Fast controller Area Network (F-CAN) and Body Controller Area Network (B-CAN) share information between multiple Electronic Control Units (ECUs). B-CAN communication moves at a slower speed for convenience related items, and for other functions. F-CAN information moves at a faster speed for "real time" functions such as fuel and emissions data. To allow both systems to share information, the Gauge Control Module translates information from B-CAN to F-CAN and from F-CAN to B-CAN.

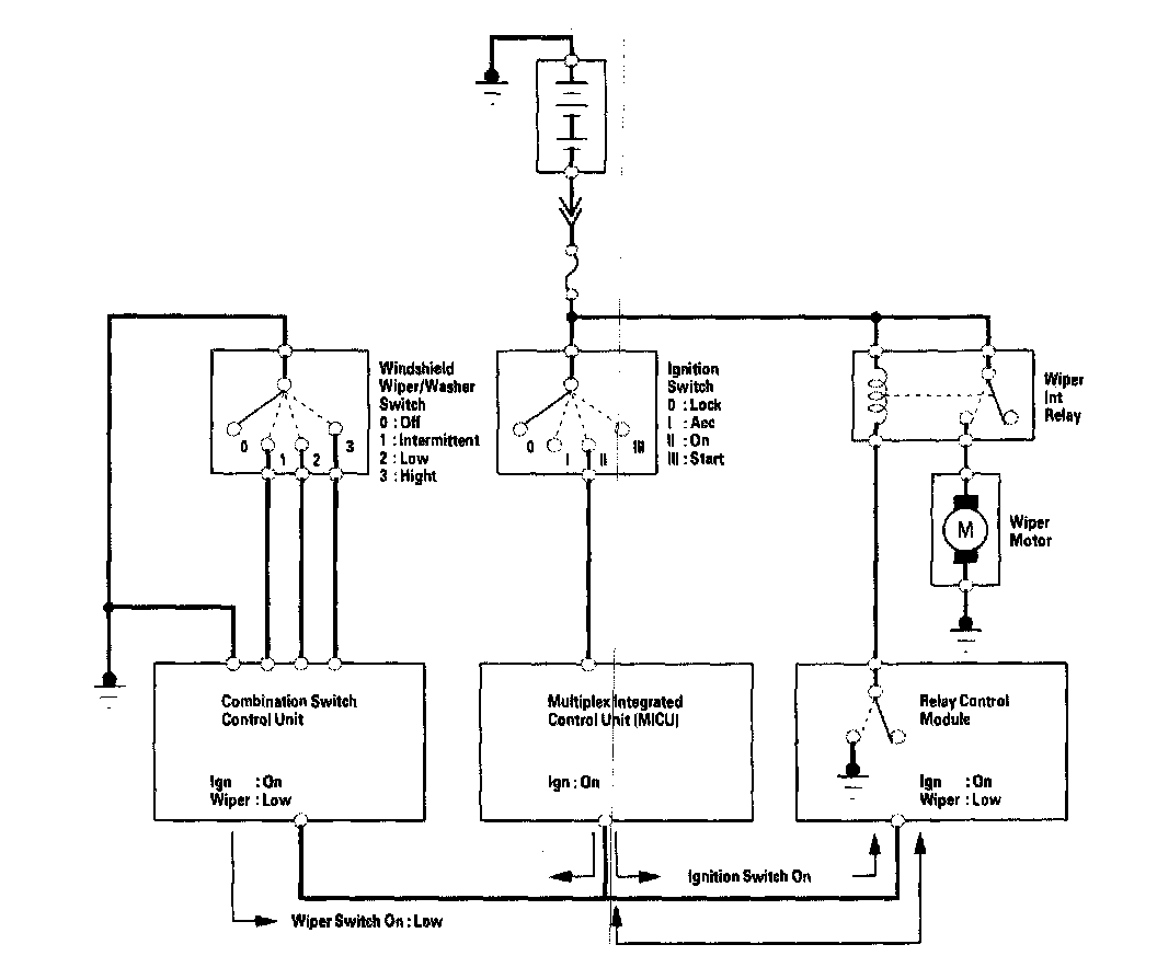
The ECUs on the B-CAN and F-CAN transmit and receive information in the form of structured messages that may be received by several different ECUs on the network at one time. These message are transmitted and received across a communication circuit that consists of a single wire that is shared by all the ECUs on the circuit. Since messages on the F-CAN network are typically of higher importance, a second wire is used for communication circuit integrity monitoring. A backup circuit is also added to the headlight and wiper circuits on the B-CAN network in the event of a network wire or ECU failure that would effect the operation of the system.




Messages are transmitted by an ECU (that monitors an input) over the communication circuit. ECUs that use the message (information related to that input) are the receivers. For example, the Combination Switch Control Unit monitors the wiper switch. When the wiper switch is placed in the low speed position, the Combination Switch Control Unit transmits that message on the communication circuit. The Relay Control Module receives the message and turns on the wipers by providing a ground for the relay.




"Connected" ECUs

Several ECUs are connected to each of the two networks. The Gauge Control Module is part of both networks since it is the "Gateway" between them. Above is a list of ECUs and the network they are connected to

Network "Loss of Communication" Error Checking

The B-CAN and F-CAN systems send messages to each other to check the integrity of the network communication circuit. They do this by sending a specific digital message Out after an event. For example, turning the ignition switch to ON. After the switch to ON, all the ECUs on the communication circuit expect to receive a message from other specific units within a specified amount of time. If the message is not received, the ECU will transmit a DTC reporting that the control units did not communicate.




Example of communication circuit test

Normal Circuit

1. Ignition switch turned ON.
2. The door multiplex control unit transmits a door switch signal.
3. The multiplex integrated control unit MICU, relay control module and gauge control module receive the door lock switch signal.
4. Communication circuit test is passed.

Since the door lock switch message was received by all the ECUs expecting to receive a signal, the communication circuit between those units is OK. There are multiple signal Sent and received by each ECU during this time to ensure that the communication circuit is intact.

Failed circuit

5. Ignition switch is turned ON.
6. The door multiplex control unit transmits a door switch signal.
7. The multiplex integrated control unit (MICU), relay control module and gauge control module expect to receive the door lock switch signal, but since there is a break in the communication circuits, it is not received.
8. Each ECU that expects to receive the door lock switch signal from the door multiplex control unit will transmit DTCs for the signal that it did not receive.

Since there is a break in the communication circuit, the door lock switch signal could not be received by the gauge control module, multiplex integrated control unit (MICU) or the relay control module. Each of these units will set "loss of communication" error codes for the signal(s) they did not receive. There may be multiple communication DTCs if the unit that has become disconnected from the network would normally transmit multiple messages during the communication line test. For example, the door multiplex control unit sends keyless panic signal and door lock switch signal during the communication circuit test.




Diagnostic Trouble Codes
There are three DTC types used by the CAN networks.

Troubleshooting the CAN circuit related problems

Using the HDS (Preferred method)

1. Go to B CAN System Diagnosis Test Mode A to check for "Connected units" and DTCs.
2. If no DTCs are retrieved, go to B-CAN System Diagnosis Test Mode C or D

Without the HDS
(Should be used only if HDS is unavailable)

3. Check for communication circuit problems using B CAN System Diagnosis Test Mode 1.
4. Check for DTCs while in Mode 1.
5. Sort, and then troubleshoot the DTCs in the order below Refer to the DTC troubleshooting Index.

1st Internal error and voltage failure DTCs
2nd Loss of communication DTCs
3rd Signal error DTCs

6. If no DTCs are retrieved, use B CAN System Diagnosis Test Mode 2 to check all inputs related to failure.

Loss of Communication DTC cross-reference chart

When an ECU is unable to communicate with the other ECUs on the circuit, the other units will set loss of communication DTCs. Use this chart to find the control unit that is not communicating

7. Find the Transmitting Unit that is in the same row as all of the loss of communication DTCs retrieved.




8. Perform the input test for the transmitting unit







B-CAN System Switch Device Index

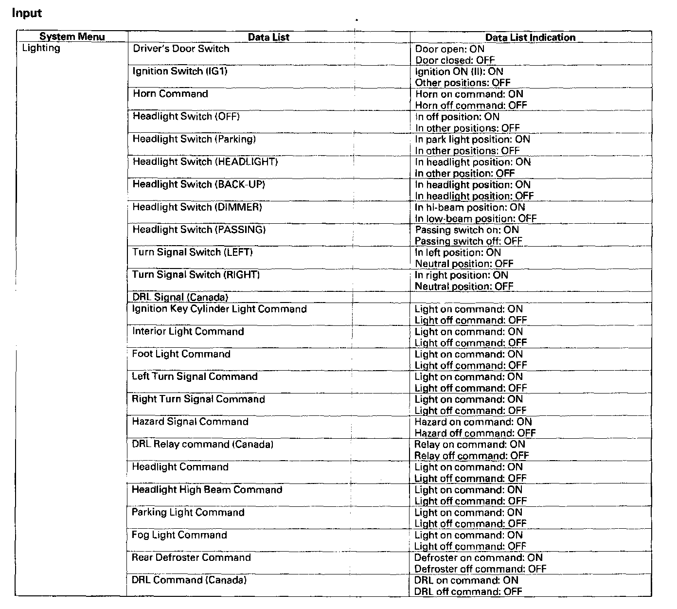
HDS Inputs And Commands - Input:




HDS Inputs And Commands - Input:




HDS Inputs And Commands - Input:




HDS Inputs And Commands - Input:




HDS Inputs And Commands - Input:




HDS Inputs And Commands - Input:




HDS Inputs And Commands - Input:




HDS Inputs And Commands - Output:




HDS Inputs, Outputs and Commands