LEMON Manuals: Even more car manuals for everyone: 1960-2025
Home >> Honda >> 2003 >> CR-V EX, Standard >> Repair and Diagnosis (Single Page) >> Engine Performance >> System >> Fuel & Emission Systems >> System Descriptions >> ECM/PCM Circuit Diagram
April 5, 2026: LEMON Manuals is launched! Read the announcement.

ECM/PCM Circuit Diagram

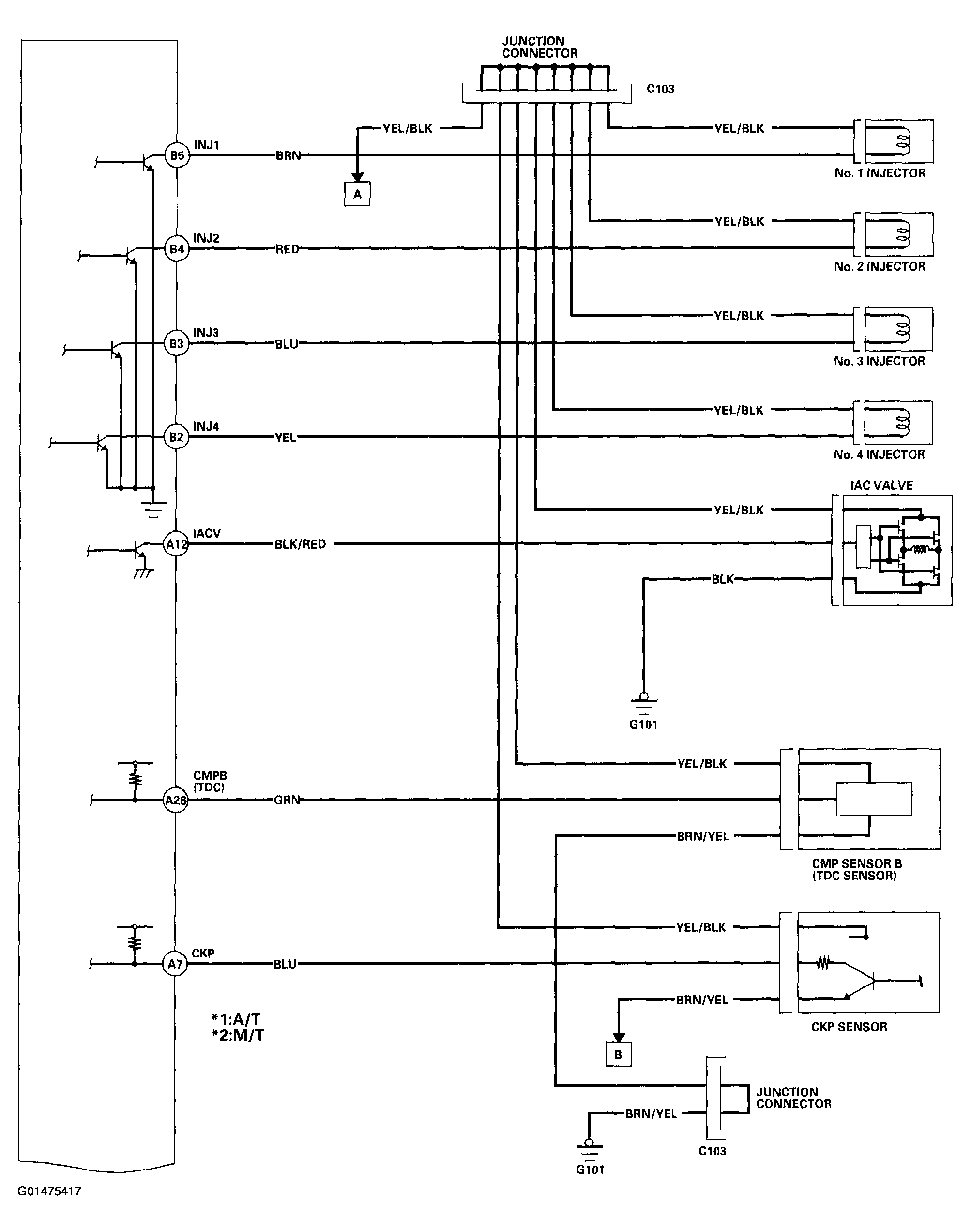
Fig 1: Identifying ECM/PCM Circuit Diagram (1 of 10)
G01475417Courtesy of AMERICAN HONDA MOTOR CO., INC.
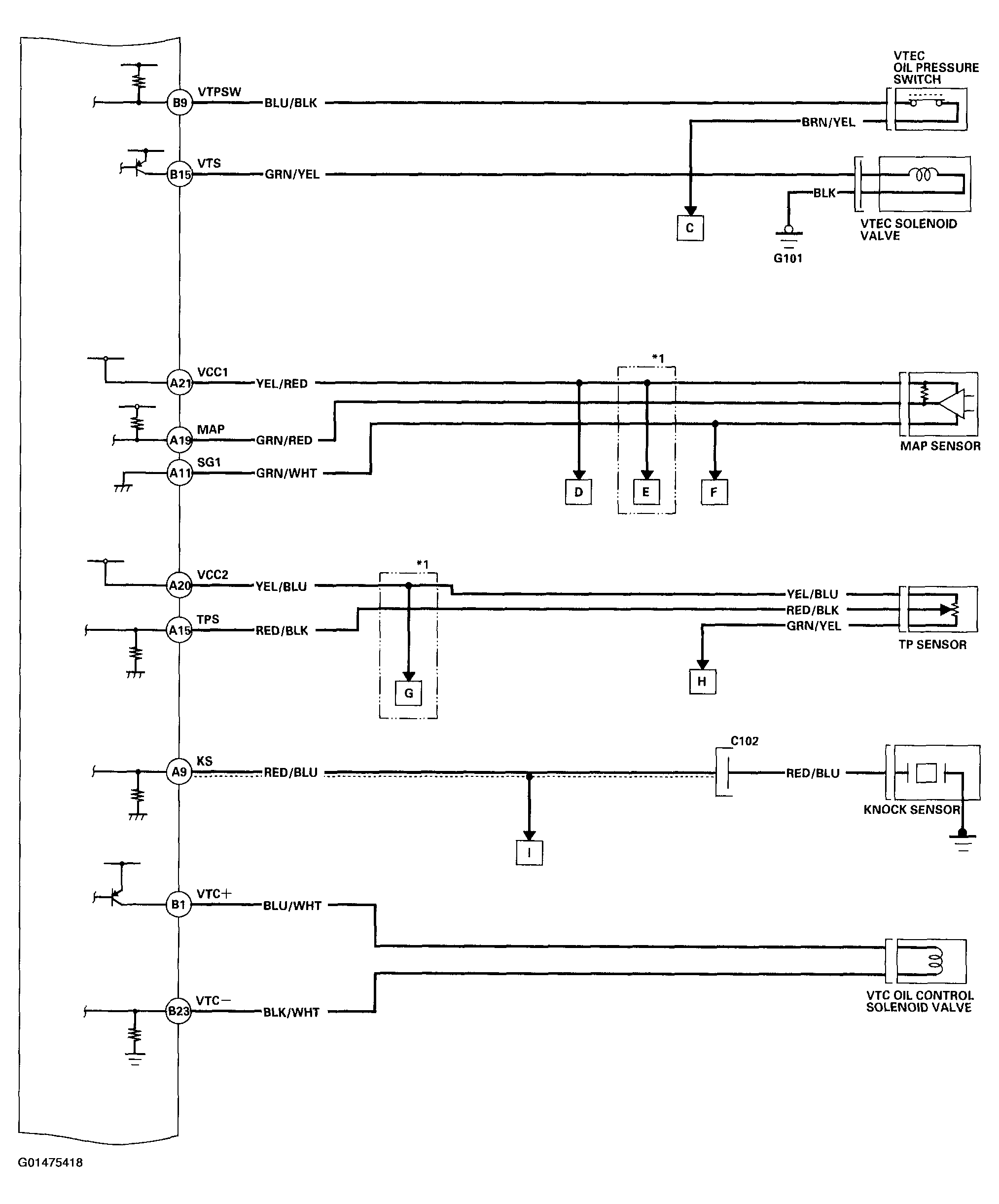
Fig 2: Identifying ECM/PCM Circuit Diagram (2 of 10)
G01475418Courtesy of AMERICAN HONDA MOTOR CO., INC.
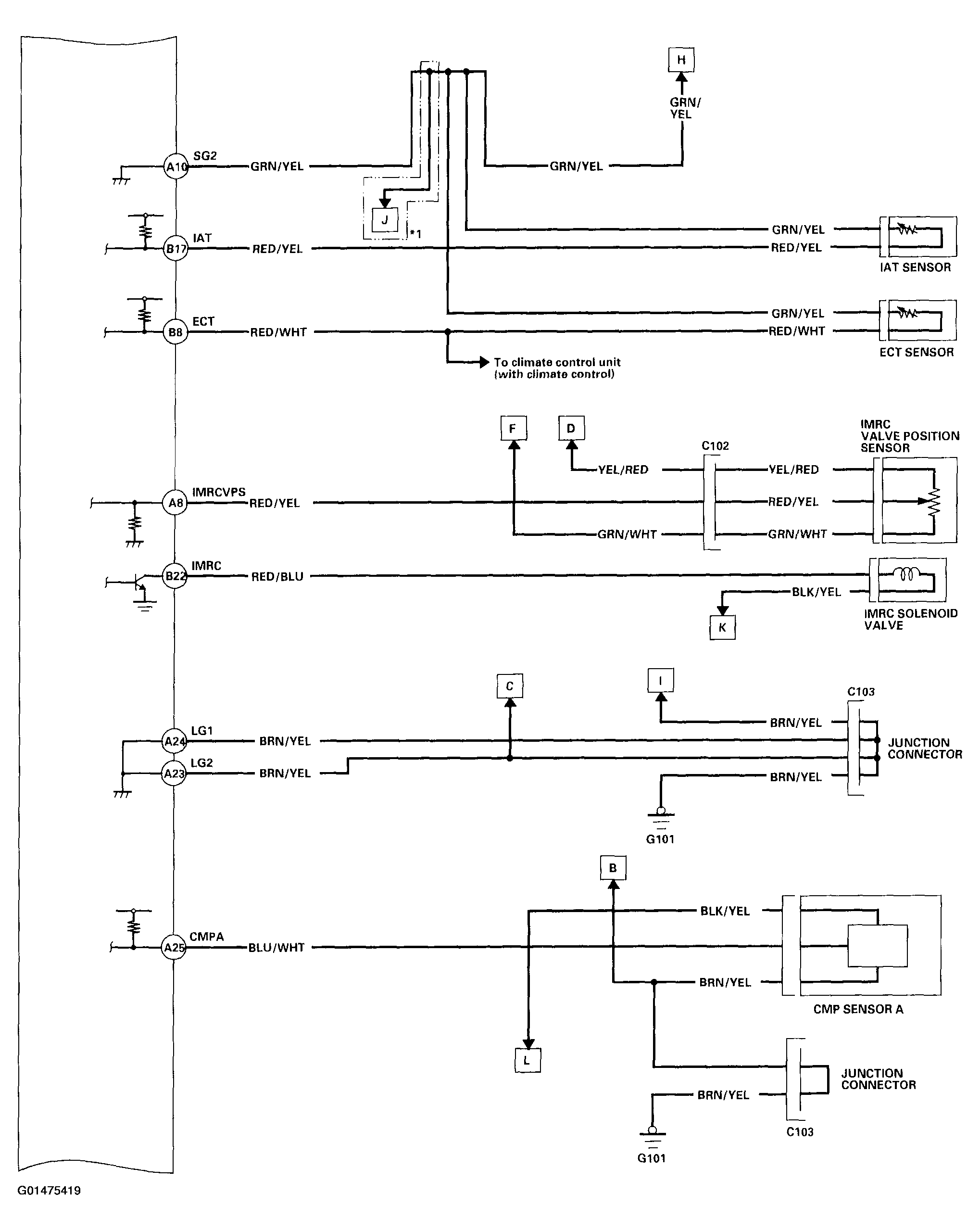
Fig 3: Identifying ECM/PCM Circuit Diagram (3 of 10)
G01475419Courtesy of AMERICAN HONDA MOTOR CO., INC.
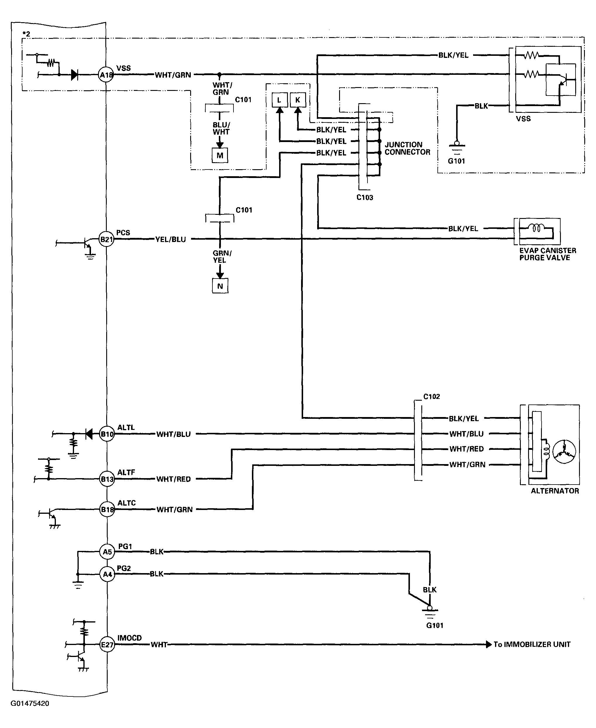
Fig 4: Identifying ECM/PCM Circuit Diagram (4 of 10)
G01475420Courtesy of AMERICAN HONDA MOTOR CO., INC.
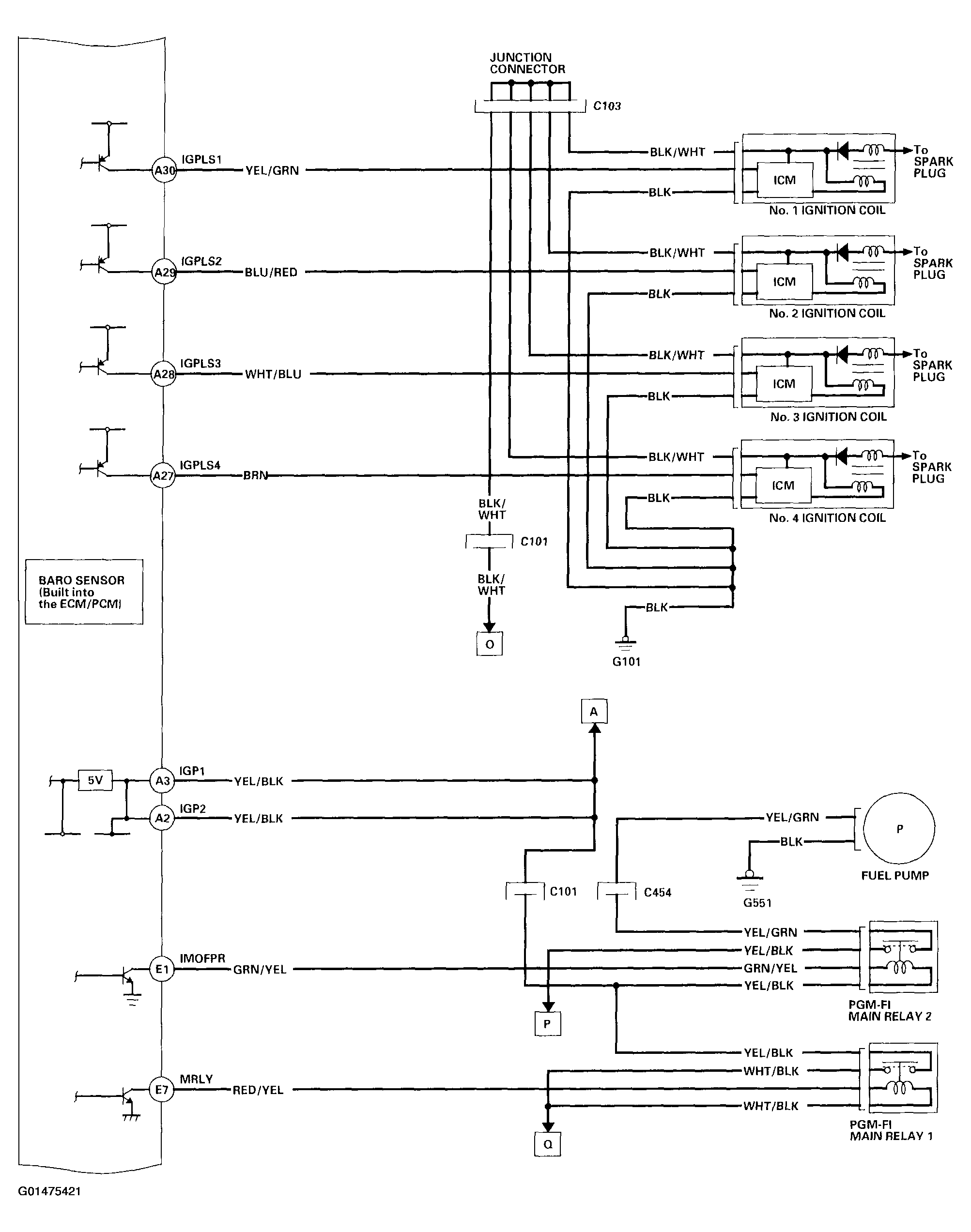
Fig 5: Identifying ECM/PCM Circuit Diagram (5 of 10)
G01475421Courtesy of AMERICAN HONDA MOTOR CO., INC.
Fig 6: Identifying ECM/PCM Circuit Diagram (6 of 10)
G01475422Courtesy of AMERICAN HONDA MOTOR CO., INC.
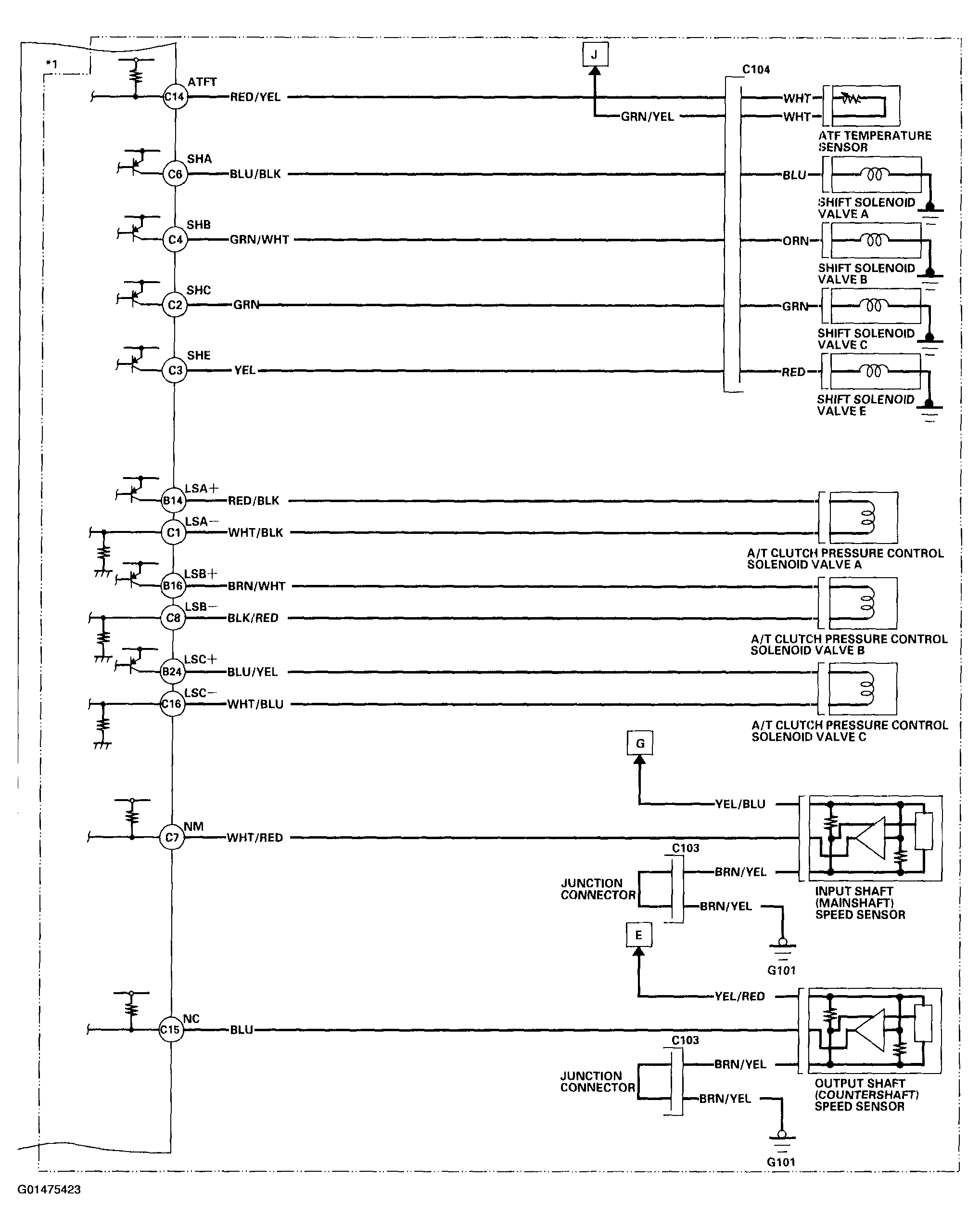
Fig 7: Identifying ECM/PCM Circuit Diagram (7 of 10)
G01475423Courtesy of AMERICAN HONDA MOTOR CO., INC.
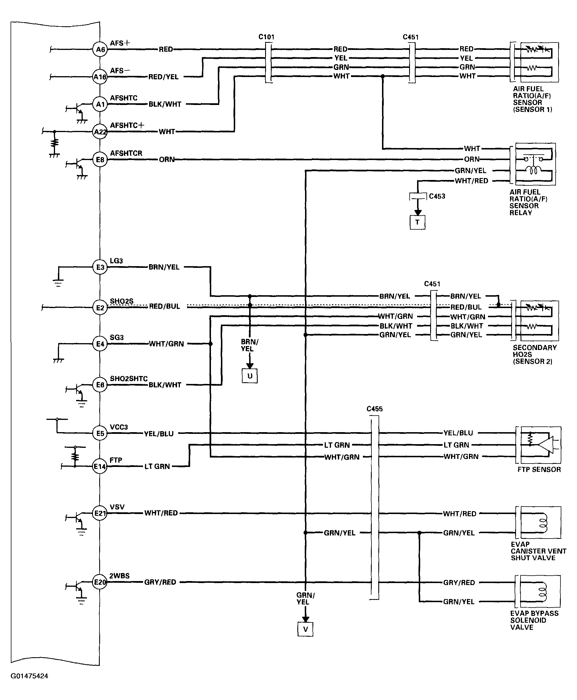
Fig 8: Identifying ECM/PCM Circuit Diagram (8 of 10)
G01475424Courtesy of AMERICAN HONDA MOTOR CO., INC.
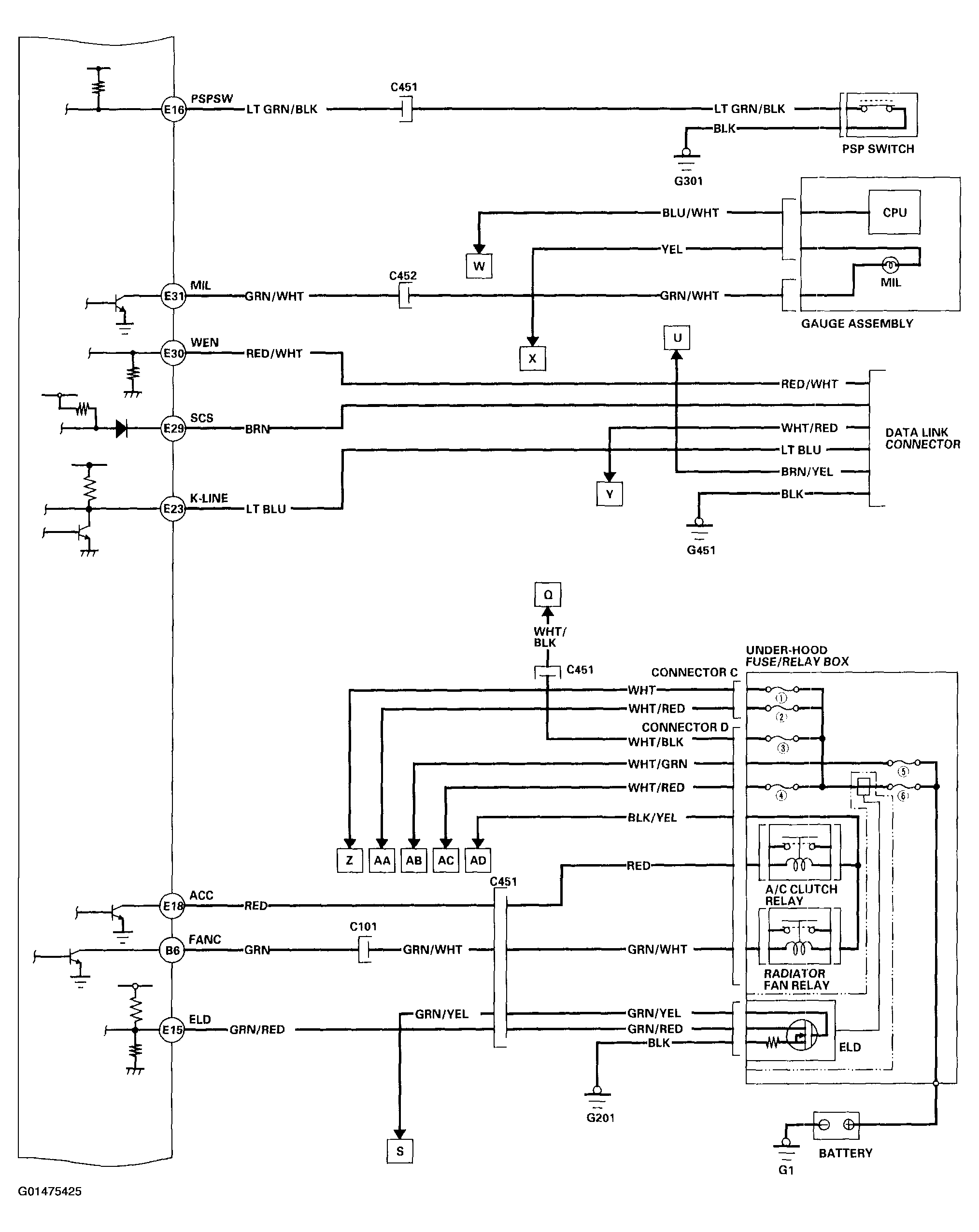
Fig 9: Identifying ECM/PCM Circuit Diagram (9 of 10)
G01475425Courtesy of AMERICAN HONDA MOTOR CO., INC.
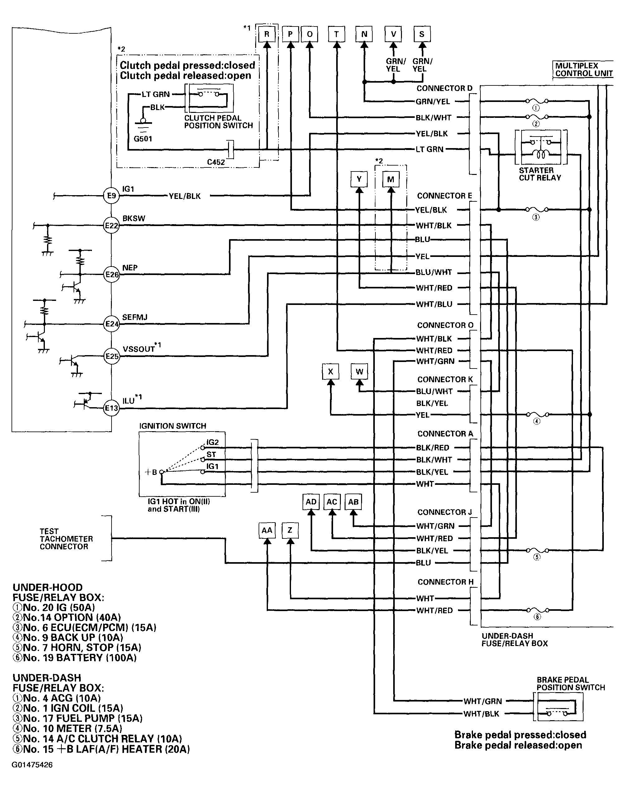
Fig 10: Identifying ECM/PCM Circuit Diagram (10 of 10)
G01475426Courtesy of AMERICAN HONDA MOTOR CO., INC.