LEMON Manuals: Even more car manuals for everyone: 1960-2025
Home >> Honda >> 2003 >> CR-V EX, Standard >> Repair and Diagnosis >> Engine Mechanical >> Lubrication System >> Engine Lubrication System >> Component Location Index
April 5, 2026: LEMON Manuals is launched! Read the announcement.

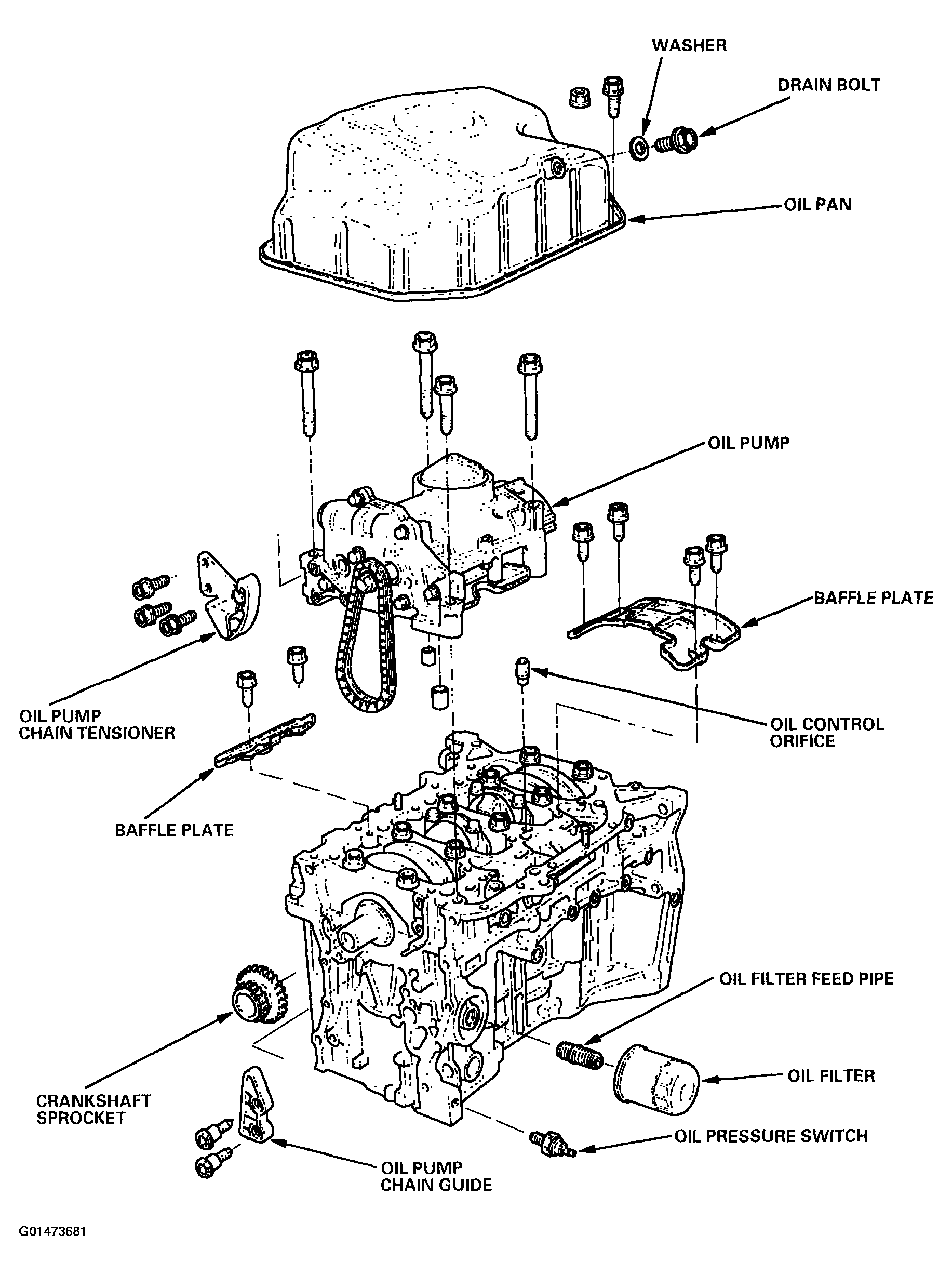
Component Location Index

Fig 1: Identifying Component Locations
G01473681Courtesy of AMERICAN HONDA MOTOR CO., INC.